电脑桌面
添加小米粒文库到电脑桌面
安装后可以在桌面快捷访问

品质部人员配置规划

品质部人员配置规划_第1页
1/6
品质部人员配置规划_第2页
2/6
品质部人员配置规划_第3页
3/6
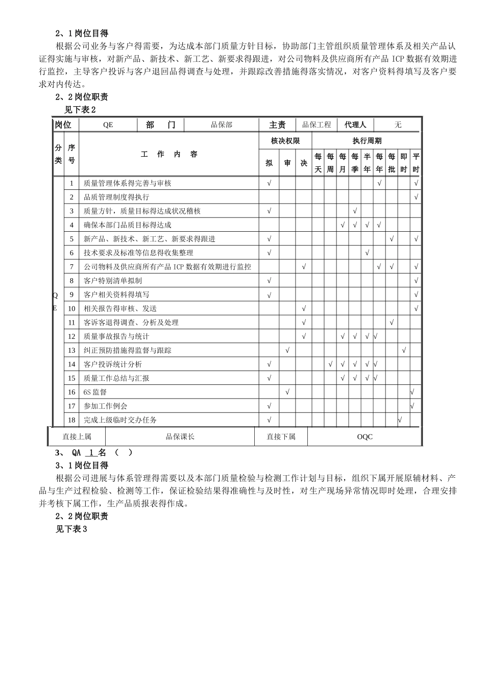
×××电子有限公司品保部人员配置规划---2025 年度为顺利达成公司 2025 年度既定质量目标,对来料、制程、出货进行有效监控,保证产品质量符合要求,现对 2025 年度品保部各岗位人员配置规划如下:1、品保经理 1 名1、1 岗位目得根据公司质量方针与质量目标,制订并组织实施本部门 2025 年度得质量管理制度与目标,组织下属开展标准化体系得维持以及产品得标准管理与产品质量异常处理等工作;参加新产品得质量策划,作出相应预防措施,控制检测费用与人工成本,提高工作效率与服务质量,定期执行质量工作汇报,以满足公司各部门业务与客户得需要。1、2 工作职责 见下表 1岗位品保经理部 门品保部主责全面代理人无分类序号工 作 内 容核决权限执行周期拟审决每天每周每月每季半年每年每批即时平时体系制度建设1管理体系得完善、程序文件修订√√2技术要求及标准等信息得收集整理√√3制定质量改进计划并推动√√4建立品质管理制度与考核办法√√5教育训练培训计划得策定√√日常工作6样品以及特别订单检验安排√√7原辅材料得异常处理√√8供应商质量管理,并参加合格供应商得评定√√9生产现场巡视√√10让步接收批准与否决√√11不合格品处理√√12客户投诉处理√√13质量事故处理√√14批阅质量日报√√15质量异常现场分析√√16负责检验设备及检测器具得管理√√17质检员操作法律规范性检查√√18负责计量器具检定周期与报废得批准√√19质量统计分析√√√√√ √20质量工作总结与汇报√√√√ √21负责相关文件,记录,信息得管理与追踪√√22预防与纠正措施得实施与效果确认√√23部门人员工作质量检查与考核√√246S 得实施与监督√√25参加工作例会√√26完成上级临时交办任务√√直接上属总经理助理直接下属QE,QA,文员,QC2、QE 1 名( )2、1 岗位目得根据公司业务与客户得需要,为达成本部门质量方针目标,协助部门主管组织质量管理体系及相关产品认证得实施与审核,对新产品、新技术、新工艺、新要求得跟进,对公司物料及供应商所有产品 ICP 数据有效期进行监控,主导客户投诉与客户退回品得调查与处理,并跟踪改善措施得落实情况,对客户资料得填写及客户要求对内传达。2、2 岗位职责 见下表 2岗位QE部 门品保部主责品保工程代理人无分类序号工 作 内 容核决权限执行周期拟审决每天每周每月每季半年每年每批即时平时QE1质量管理体系得完善与审核√√√2品质管理制度得执行√3质量方针,质量目标...

1、当您付费下载文档后,您只拥有了使用权限,并不意味着购买了版权,文档只能用于自身使用,不得用于其他商业用途(如 [转卖]进行直接盈利或[编辑后售卖]进行间接盈利)。
2、本站所有内容均由合作方或网友上传,本站不对文档的完整性、权威性及其观点立场正确性做任何保证或承诺!文档内容仅供研究参考,付费前请自行鉴别。
3、如文档内容存在违规,或者侵犯商业秘密、侵犯著作权等,请点击“违规举报”。

碎片内容

品质部人员配置规划

您可能关注的文档

确认删除?
VIP
微信客服
  • 扫码咨询
会员Q群
  • 会员专属群点击这里加入QQ群
客服邮箱
回到顶部