电脑桌面
添加小米粒文库到电脑桌面
安装后可以在桌面快捷访问

地脚螺栓设计规定

地脚螺栓设计规定_第1页
1/6
地脚螺栓设计规定_第2页
2/6
地脚螺栓设计规定_第3页
3/6
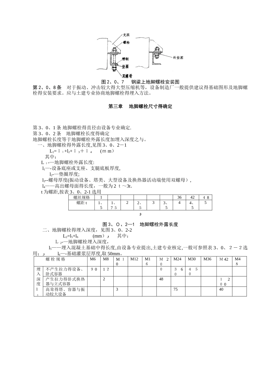
海洋化工设计院标准H YDI 33 3 C06—2 0110新制定全部 于扬王淑青于海洋2025、12、30修改标记简 要 说 明修改 页码编制校核审核审定日期2 0 11-0 1-01 发布 2 011-01-15 实施海洋化工设计院目录第一章 总 则ﻩ1第二章 一般规定 ﻩ Error: Reference source not found 第三章 地脚螺栓尺寸得确定 ........................................................................ Error: Reference source not found 第四章 地脚螺拴得选用 ﻩ Error: Reference source not found 第五章 设计分工 ﻩ Error: Reference source not found 地脚螺栓设计规定第一章 总 则第1、0、1 条 本规定适用于静止石油化工工艺设备地脚螺栓设计。第 1、0、2 条 机、泵等定型设备得地脚螺栓一般为随机附件,若需要配备时也可参照本规定选用。第1、0、3 条 塔、容器、换热器等非定型设备可参照本规定配备地脚螺栓。第二章 一般规定第 2、0、1 条 地脚螺栓埋入混凝土基础内一般用两种方法,即预埋与预留孔二次灌浆埋入法。第2、0、2 条 地脚螺栓直接埋入基础内得方法适用于塔类、较高得容器、球罐与振动较大得机械设备.第 2、0、3 条 直接埋入地脚螺栓时,地脚螺栓中心线距基础边得尺寸a≥100 m m,见图2、0、8。当不能满足时必须提请土建专业对基础配筋加固。ﻭ 图 2、0、3 地脚螺栓直接埋入基础图第 2、0、4 条 预留地脚螺栓孔,放入地脚螺栓后灌浆固定。此法适用于卧式容器、换热器、小型得立式容器等静置设备及振动较小得机、泵类。其特点就是便于地脚螺栓定位尺寸得调整而不需要定位模板。ﻭ第 2、0、5 条 预留孔得尺寸必须满足土建施工及设备安装得要球.参见图 2、0、5。 预留孔得尺寸 A×A 最小为1 00×100(mm)。螺栓钩距孔壁尺寸 e≥20mm,孔壁距基础边得尺寸b≥10 0 mm,当 b 不能满足 100 m m 时,可采纳预埋方式或请土建专业对基础配筋加固.螺栓钩距孔底尺寸B取 80m m。 孔深(c)=地脚螺栓埋入深度(L2)+B mm图 2、0、5 预留孔尺寸第 2、0、6 条 对于安装在混凝土梁上得设备,其地脚螺栓一般采纳预埋方式。如设备基础有特别要求,也可由土建专业在混凝土梁上预埋套管,以便穿入地脚螺栓。套管尺寸应使地脚螺栓与套管之间净空至少为 10mm,以便设备安装时调整螺栓位置与灌沙、夯实.见图2、0、6.此方式螺栓较长、缓冲性能好、又可更...

1、当您付费下载文档后,您只拥有了使用权限,并不意味着购买了版权,文档只能用于自身使用,不得用于其他商业用途(如 [转卖]进行直接盈利或[编辑后售卖]进行间接盈利)。
2、本站所有内容均由合作方或网友上传,本站不对文档的完整性、权威性及其观点立场正确性做任何保证或承诺!文档内容仅供研究参考,付费前请自行鉴别。
3、如文档内容存在违规,或者侵犯商业秘密、侵犯著作权等,请点击“违规举报”。

碎片内容

地脚螺栓设计规定

您可能关注的文档

确认删除?
VIP
微信客服
  • 扫码咨询
会员Q群
  • 会员专属群点击这里加入QQ群
客服邮箱
回到顶部