电脑桌面
添加小米粒文库到电脑桌面
安装后可以在桌面快捷访问

妙兮服饰有限公司建设项目环境影响报告书

妙兮服饰有限公司建设项目环境影响报告书_第1页
1/32
妙兮服饰有限公司建设项目环境影响报告书_第2页
2/32
妙兮服饰有限公司建设项目环境影响报告书_第3页
3/32
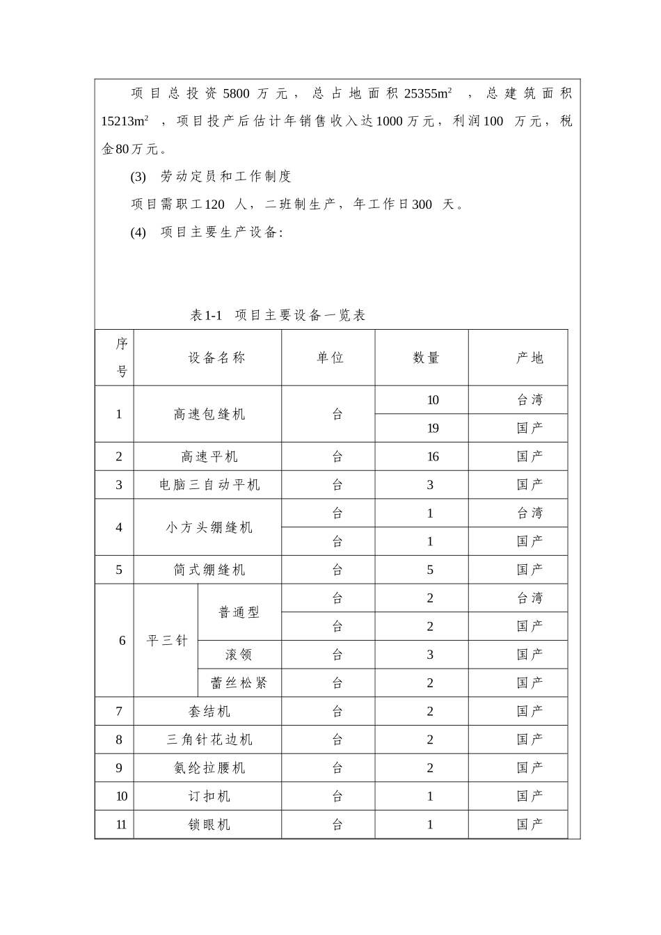
下载后可任意编辑,修改建 设 项 目 基 本 情 况项目名称妙兮服饰有限公司建设项目建设单位龙飞针织有限公司法人代表联系人通讯地址浙江省#### 县杨汛桥镇工业园区联系电话传真邮 政 编码建设地点#### 柯桥经济开发区柯西服装产业园区立项审批部门批准文号建设性质新建 改建 技改 行 业 类别及代码纺织品加工占地面积( 平方米)25355绿 化面 积( 平方米)6339总投资( 万元)5800其中环保投资( 万元)16.6环保投资占总投资比例(%)0.3评价经费( 万元)预 期 投 产 日期2025 年11 月工程内容及规模:(1)项目加工产品方案主要生产、销售各类服装产品,年加工针织内衣100 万套。(2)主要技术经济指标项 目 总 投 资 5800 万 元 , 总 占 地 面 积 25355m2, 总 建 筑 面 积15213m2, 项 目 投 产 后 估 计 年 销 售 收 入 达 1000 万 元 , 利 润 100 万 元 , 税金80万元。(3)劳动定员和工作制度项目需职工120 人,二班制生产,年工作日300 天。(4)项目主要生产设备:表1-1 项目主要设备一览表序号设备名称单位数量产地1高速包缝机台10台湾19国产2高速平机台16国产3电脑三自动平机台3国产4小方头绷缝机台1台湾台1国产5简式绷缝机台5国产 6平三针普通型台2台湾台2国产滚领台3国产蕾丝松紧台2国产7套结机台2国产8三角针花边机台2国产9氨纶拉腰机台2国产10订扣机台1国产11锁眼机台1国产 12女式领花机台1国产13带式裁布机台1国产14熨烫台台5国产(5)项目原辅材料消耗 表1-2 主要原辅材料及能耗一览表序号名称数量备注1针织布300t/a2缝线2t/a3包装料15t/a4水4810t/a工业园区自来水供水管网5电120 万度/年园区供电网络6蒸汽1500t/a钱清热电厂 (6)公用工程①给水:项目供水采纳小舜江水自来水。② 排水:实行雨污分流、清污分流制,雨水经收集后直接排入工业区雨水管网,污水排入污水外排池,通过截污管道进入 #### 污水处理厂集中处理。③供电根 据 生 产 需 要 及 设 备 照 明 共 需 电 力 800KVA, 由 柯 西 服 装 园 区 统 一解决。④供热项目生产所需蒸汽由钱清热电厂提供。与本项目有关的原有污染情况及主要环境问题:本项目建设地位于 #### 柯桥经济开发区柯西服装园区 ,目前 现状土地为农田,无明显的环境问题。建设项目所在地自然环境社会环境简 况自然环境简况(地形、地貌、地质、气候、水文、植被、生物多样性等):1 、地理位置#...

1、当您付费下载文档后,您只拥有了使用权限,并不意味着购买了版权,文档只能用于自身使用,不得用于其他商业用途(如 [转卖]进行直接盈利或[编辑后售卖]进行间接盈利)。
2、本站所有内容均由合作方或网友上传,本站不对文档的完整性、权威性及其观点立场正确性做任何保证或承诺!文档内容仅供研究参考,付费前请自行鉴别。
3、如文档内容存在违规,或者侵犯商业秘密、侵犯著作权等,请点击“违规举报”。

碎片内容

妙兮服饰有限公司建设项目环境影响报告书

您可能关注的文档

确认删除?
VIP
微信客服
  • 扫码咨询
会员Q群
  • 会员专属群点击这里加入QQ群
客服邮箱
回到顶部