电脑桌面
添加小米粒文库到电脑桌面
安装后可以在桌面快捷访问

控制系统课程设计-基于PLC的电机调速控制系统

控制系统课程设计-基于PLC的电机调速控制系统_第1页
1/14
控制系统课程设计-基于PLC的电机调速控制系统_第2页
2/14
控制系统课程设计-基于PLC的电机调速控制系统_第3页
3/14
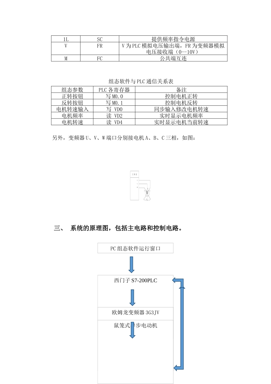
控制系统课程设计项目名称:以西门子 S7-200 为核心的电机速度监控系统学生姓名 / 学号:指导老师: 级 电气 133 专业名称 电气工程及其自动化提交日期 2025 年 12 月 15 日 答辩日期 2025 年 12 月 15 日 一、 系统整体功能说明及软硬件选型1、通过 PLC 控制变频器,实现远程方式控制控制鼠笼式异步电动机的正反转及速度。2、将编码器中与转速相对应的输出电压采集到 PLC 中。3、通过 PLC 编写 PID 控制程序,控制电机的转速。4、应用触摸屏组态软件设计控制系统的界面,与 PLC 进行动态连接,可在界面中控制电机的转速,显示变频器的频率、电机的正反转状态、实际转速等。5、设置电机的正常转速范围(上、下限),当电机转速超出正常范围时,停机并报警,并可复位报警信号。6、软硬件选型说明表如下:序号名称数量备注1西门子 PLC 编程软件STEP7软件2MCGS 组态软件软件3PLC1 台S7-200PLC4变频器1 台欧姆龙变频器 3G3JV5电机1 台鼠笼式电动机6下载电缆1 根7通信电缆1 根PC/PPI+二、 I/O 点与输入输出设备对应关系表PLC 与变频器对应接线表PLC 端口变频器端口备注Q0.0S1控制电机正转Q0.1S2控制电机反转1LSC提供频率指令电源VFRV 为 PLC 模拟电压输出端,FR 为变频器模拟电压接收端(0--10V)MFC公共端互连组态软件与 PLC 通信关系表组态参数PLC 各寄存器备注正转按钮写 M0.0控制电机正转反转按钮写 M0.1控制电机反转电机转速输入写 VD0同步输入修改电机转速电机频率读 VD2实时显示电机频率电机转速读 VD4实时显示电机当前转速另外,变频器 U、V、W 端口分别接电机 A、B、C 三相,如图:三、 系统的原理图,包括主电路和控制电路。PC 组态软件运行窗口西门子 S7-200PLC欧姆龙变频器 3G3JV鼠笼式异步电动机四、 软 硬 件相关设置的说明1、软 件 相关设置:MCGS 组态软件与西门子 s7-200PLC 连接相关设置如下:带有电压模拟输出的测速表2、欧姆龙变频器参数设置:n01=08;n02=01;n03=02;n32=0.4五、 程序功能的详细说明1、MCGS 组态设计,设计的界面以及功能如下:(1)电机运转前必须先输入转速(例如 800 r/min)然后点击正转或反转按钮,为了安全,在电机转向切换时,先按停止,待电机停下再进行转向变换。(2)该组态设置了电机转速报警,大于上限值(例如 |1200| r/min)时停机报警。(3)该组态可精准转换编码器转速对应频率。(4)PID 控制参数于 PLC ...

1、当您付费下载文档后,您只拥有了使用权限,并不意味着购买了版权,文档只能用于自身使用,不得用于其他商业用途(如 [转卖]进行直接盈利或[编辑后售卖]进行间接盈利)。
2、本站所有内容均由合作方或网友上传,本站不对文档的完整性、权威性及其观点立场正确性做任何保证或承诺!文档内容仅供研究参考,付费前请自行鉴别。
3、如文档内容存在违规,或者侵犯商业秘密、侵犯著作权等,请点击“违规举报”。

碎片内容

控制系统课程设计-基于PLC的电机调速控制系统

津创媒+ 关注
实名认证
内容提供者

欢迎交流文创,小店资料希望满足您的需要。

确认删除?
VIP
微信客服
  • 扫码咨询
会员Q群
  • 会员专属群点击这里加入QQ群
客服邮箱
回到顶部