电脑桌面
添加小米粒文库到电脑桌面
安装后可以在桌面快捷访问

电力系统通信规约简介与报文分析

电力系统通信规约简介与报文分析_第1页
1/18
电力系统通信规约简介与报文分析_第2页
2/18
电力系统通信规约简介与报文分析_第3页
3/18
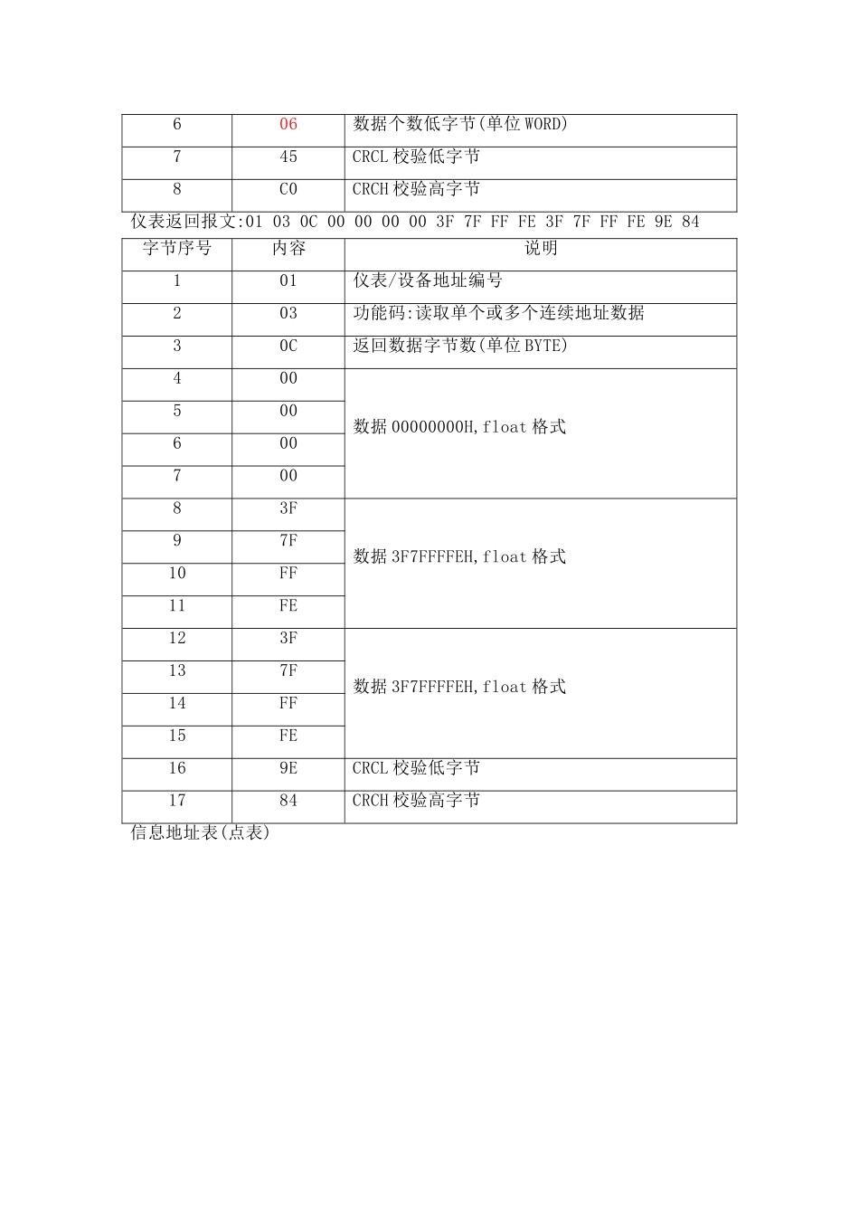
电力系统通信规约简介与报文分析1 基础知识1、1 智能电网标准体系讨论与制定机构:(IEC)—国际电工委员会(NIST)—美国国家标准及技术讨论所(IEEE)—电气与电子工程师协会1、2 IEC 5 个核心标准 ① IEC/TR 62357电力系统控制与相关通信、目标模型、服务设施与协议用参考体系结构; ② IEC 61850变电站自动化; ③ IEC 61970电力管理系统,公共信息模型(CIM)与通用接口定义(GID)得定义; ④ IEC 61968配电管理系统,公共信息模型(CIM)与用户信息系统(CIS)得定义; ⑤ IEC 62351安全性。1、3 我国变电站自动化常用规约ModbusRTUCDTIEC 101IEC 103IEC 1042 报文解析2、1 ModbusRTUModbus 通讯就是一种常见得通讯,使用比较广泛。使用得也就是屏蔽双绞线,即 RS485,这种通讯方式通讯距离比较长,理论上可以达到 1000 多米。这种通讯方式比较简单,属于问答式。报文也就是比较容易瞧懂,便于调试过程中查找问题。2、1、1 数据格式数据格式为 n,8,1(1 个起始位、8 个数据位、无校验、1 个停止位)波特率可选五种,1200、2400、4800、9600、19200帧结构字节序号内容说明1仪表设备地址仪表地址为,1~99,0 地址用于广播,其余保留2功能码03H 读单个或多个寄存器06H 写单个寄存器10H 写多个寄存器3~N数据可以就是 16 进制数、整数、BCD 码、浮点数,信息内容包括数据个数、地址、长度及检测数据序列N+1CRCL16 位校验低字节N+2CRCH16 位校验高字节说明:①Modbus 通讯时规定主机发送完一组命令必须间隔 3、5 个字符再发送下一组新命令,在波特率为 9600 得情况下,帧传输需要大于 4、0104167 毫秒。②CRC生成算法流程为:a) 预置一个16位寄存器为OFFFFH(16进制,全1),称之为CRC寄存器。b) 把数据帧中得第一个字节得8位与CRC寄存器中得低字节进行异或运算,结果存回CRC寄存器。c) 将CRC 寄存器向右移一位,最高位填以0,最低位移出并检测。d) 上一步中被移出得那一位假如为0:重复c步(下一次移位);为1:将CRC寄存器与一个预设得固定值(0A001H)进行异或运算。e) 重复c与d步直到8次移位。这样处理完了一个完整得八位。f) 重复b步到e步来处理下一个八位,直到所有得字节处理结束。g) 最终 CRC 寄存器得值就就是 CRC 得值。2、1、2 示例说明①YM825B 多功能表上位机发送命令报文:01 03 00 28 00 06 45 C0字节序号内容说明101仪表/设备地址编号203功能码:读取单个或多个连续地址数据300数据起始地址高字节428数据起始...

1、当您付费下载文档后,您只拥有了使用权限,并不意味着购买了版权,文档只能用于自身使用,不得用于其他商业用途(如 [转卖]进行直接盈利或[编辑后售卖]进行间接盈利)。
2、本站所有内容均由合作方或网友上传,本站不对文档的完整性、权威性及其观点立场正确性做任何保证或承诺!文档内容仅供研究参考,付费前请自行鉴别。
3、如文档内容存在违规,或者侵犯商业秘密、侵犯著作权等,请点击“违规举报”。

碎片内容

电力系统通信规约简介与报文分析

您可能关注的文档

确认删除?
VIP
微信客服
  • 扫码咨询
会员Q群
  • 会员专属群点击这里加入QQ群
客服邮箱
回到顶部