电脑桌面
添加小米粒文库到电脑桌面
安装后可以在桌面快捷访问

钢材检验标准

钢材检验标准_第1页
1/9
钢材检验标准_第2页
2/9
钢材检验标准_第3页
3/9
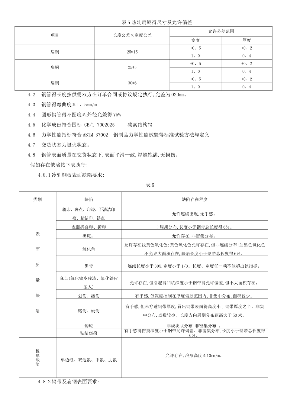
202545 制定 202545 实施1 范围本标准规定了钢技术要求、检验方法、尺寸、外形、重量及允许偏差等要求。本标准适用于大丰与八座老爷车所需钢材料。2 法律规范性引用文件GB/T 223、711997 钢铁及合金化学分析方法 管式炉内燃烧后重量测定碳含量GB/T 223、691997 钢铁及合金化学分析方法 管式炉内燃烧后气体容量法测定碳含量GB/T 223、681997 钢铁及合金化学分析方法 管式炉内燃烧后碘酸钾滴定法测定硫含量GB/T 223、6388 钢铁及合金化学分析方法 高碘酸钠(钾)光度法测定锰量GB/T 223、6087 钢铁及合金化学分析方法 高氯酸脱水重量法测定硅含量GB/T 223、5987 钢铁及合金化学分析方法 锑磷钼蓝光度法测定磷量GB/T 2471997 钢板与钢带验收包装、标志及质量证明书得一般规定GB/T 7002025 碳素结构钢GB/T 70988 热轧钢板与钢带得尺寸、外形、重量及允许偏差GB/T 297582 钢材力学及工艺性能试验取样规定GB/T 30942000 冷拔异型钢管GB/T 327488 碳素结构钢与低合金结构钢热轧厚钢板与钢带GB/T 67282025 结构用冷弯空心型钢尺寸、外形、重量及允许偏差GB/T 173952025 无缝钢管尺寸、外形、重量及允许偏差ASTM 37002 钢制品力学性能试验得标准试验方法与定义3 术语与定语3.1 钢得牌号钢得牌号由代表屈服强度得字母、屈服强度数值、质量等级符号、脱氧方法符号等 4 个部分按顺序组成。例如:Q235AF3.2 钢得分类钢管按产品加工方式分为两类,类别得代号为:热轧(挤、扩) WH冷拔(轧) WC尺寸精度等级,普通级 PA高级 PC娄底市大丰与电动车辆有限公司 制定钢材验收标准编制: 校对: 审核: 4 技术要求4.1大丰与八座老爷车所需钢材料技术要求除非在技术部提供得图文技术资料中有特别要求,否则按下表要求执行。表 1 常用钢管外径尺寸与壁厚尺寸允许偏差(外径允许偏差等级为 D4,壁厚允许偏差等级 S5)外径外径公差壁厚厚度尺寸范围无缝 φ14±0、101、51、41、6无缝 φ13±0、101、51、41、6无缝 φ48*φ40±0、2443、84、2φ35*φ26±0、1754、54、34、7φ25*φ19±0、12532、853、2表 2 常用矩形管截面得长、宽尺寸与壁厚尺寸允许偏差长度×宽度厚度长度公差×宽度公差厚度尺寸范围□20*202(±0、25)×(±0、25)1、82、1□25*252(±0、20)×(±0、20)1、82、1□25*253(±0、20)×(±0、20)2、83、1□25*254(±0、25)×(±0、25)3、84、125*503(±0、25)×(±0、25)2、83、130*503(±0、30)×(±0、35)2...

1、当您付费下载文档后,您只拥有了使用权限,并不意味着购买了版权,文档只能用于自身使用,不得用于其他商业用途(如 [转卖]进行直接盈利或[编辑后售卖]进行间接盈利)。
2、本站所有内容均由合作方或网友上传,本站不对文档的完整性、权威性及其观点立场正确性做任何保证或承诺!文档内容仅供研究参考,付费前请自行鉴别。
3、如文档内容存在违规,或者侵犯商业秘密、侵犯著作权等,请点击“违规举报”。

碎片内容

钢材检验标准

确认删除?
VIP
微信客服
  • 扫码咨询
会员Q群
  • 会员专属群点击这里加入QQ群
客服邮箱
回到顶部