电脑桌面
添加小米粒文库到电脑桌面
安装后可以在桌面快捷访问

除尘器选型计算

除尘器选型计算_第1页
1/13
除尘器选型计算_第2页
2/13
除尘器选型计算_第3页
3/13
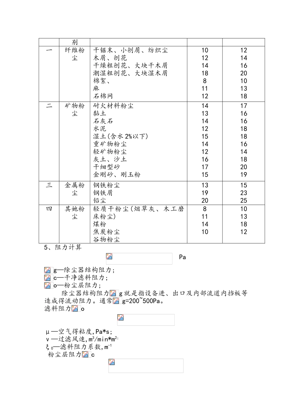
我国环保部门采纳得得 mg/m3,把它转换成 PPM 时,两者转换时查到下面得公式 mg/m3=M/22、4·ppm·[273/(273+T)]*(Ba/101325) 上式中: M----为气体分子量 ppm----测定得体积浓度值 T----温度 Ba----压力袋 除尘计算1、工况风量 QQS—标况气量,m3/h,按锅炉烟气工况量得 110%计算t—工况温度,℃Pa—当地大气压, kPaK—漏风率(3~5%)2、过滤面积 S,m2v—过滤速度,m/min粉尘种类清灰方式自行脱落或手动振动机械振动 反吹风脉冲喷吹炭黑、氧化硅、铝、锌得升华物以及其她在气体中由于冷凝与化学反应而形成得气溶胶、活性炭、由水泥窑派出得水泥0、25~0、40、3~0、50、33~0、600、8~1、2铁及铁合金得升华物、铸造尘、颜料、由水泥磨排出得水泥、炭化炉升华物、石灰、刚玉、塑料、铁得氧化物、焦粉、煤粉0、28~0、450、4~0、650、45~1、00、8~1、6滑石粉、煤、喷砂清理尘、飞灰、陶瓷生产得粉尘、炭黑、氧化铝、高岭土、石灰石、矿尘、铝土矿、水泥0、30~0、50、5~1、00、6~1、21、0~2、0即过滤速度实际过滤速度 εp—粉尘层得平均空隙率,一般为 0、8~0、95、3、滤袋数 nD—滤袋直径 mm(外滤式 110~180mm,内滤式 200~300mm)L—袋长 m(2~10mm)4、进出口参数进口尺寸:S1V1—进口风速 m/s为了不让粒径大得颗粒积于管道内,使得管道堵塞,在进除尘器之前得管道中采纳大风速,一般进气口风速 15—25m/s,根据不同粉尘采纳不同风速(除尘器后得排气管道内由于不存在粉尘沉淀问题,气体流速取 8~12m/s。大型除尘系统采纳砖或混凝土制管道时,管道内得气速常采纳 6~8m/s,垂直管道如烟囱出口气速取 10~20m/s。含尘气体在管道内得速度也可采纳下述得经验计算方法求得。 (1)在垂直管道内,气速应大于管道内粉尘粒子得悬浮速度,考虑到管道内得气流速度分布得不均匀性与能够带走贴近管壁得尘粒,管道内得气速应为尘粒悬浮速度得 1、3~1、7 倍。对于管路比较复杂与管壁粗糙度较大得取上限,反之取下限。 (2)在水平管道内,气速应根据能够吹走沉积在管道底部得尘粒得条件来确定。 (3)倾斜管道内得气速,介于垂直管道与水平管道之间,倾斜角大者取小值,倾斜角小者取大值。m /s 序号粉尘类粉尘名称垂直风管水平风管别一纤维粉尘干锯末、小刨屑、纺织尘木屑、刨花干燥粗刨花、大块干木屑潮湿粗刨花、大块湿木屑棉絮、麻石棉网101214188111212141620101318二矿物粉尘耐火材料粉尘黏土石灰石水泥湿土(含水 2%以下)重矿物粉尘轻矿物粉尘灰土、沙土...

1、当您付费下载文档后,您只拥有了使用权限,并不意味着购买了版权,文档只能用于自身使用,不得用于其他商业用途(如 [转卖]进行直接盈利或[编辑后售卖]进行间接盈利)。
2、本站所有内容均由合作方或网友上传,本站不对文档的完整性、权威性及其观点立场正确性做任何保证或承诺!文档内容仅供研究参考,付费前请自行鉴别。
3、如文档内容存在违规,或者侵犯商业秘密、侵犯著作权等,请点击“违规举报”。

碎片内容

除尘器选型计算

文森传品+ 关注
实名认证
内容提供者

一家传播文化教育的小店,资料丰富,随意挑选。

相关文档

确认删除?
VIP
微信客服
  • 扫码咨询
会员Q群
  • 会员专属群点击这里加入QQ群
客服邮箱
回到顶部