电脑桌面
添加小米粒文库到电脑桌面
安装后可以在桌面快捷访问

高层建筑地下室通风与排烟设计大学毕设论文

高层建筑地下室通风与排烟设计大学毕设论文_第1页
1/15
高层建筑地下室通风与排烟设计大学毕设论文_第2页
2/15
高层建筑地下室通风与排烟设计大学毕设论文_第3页
3/15
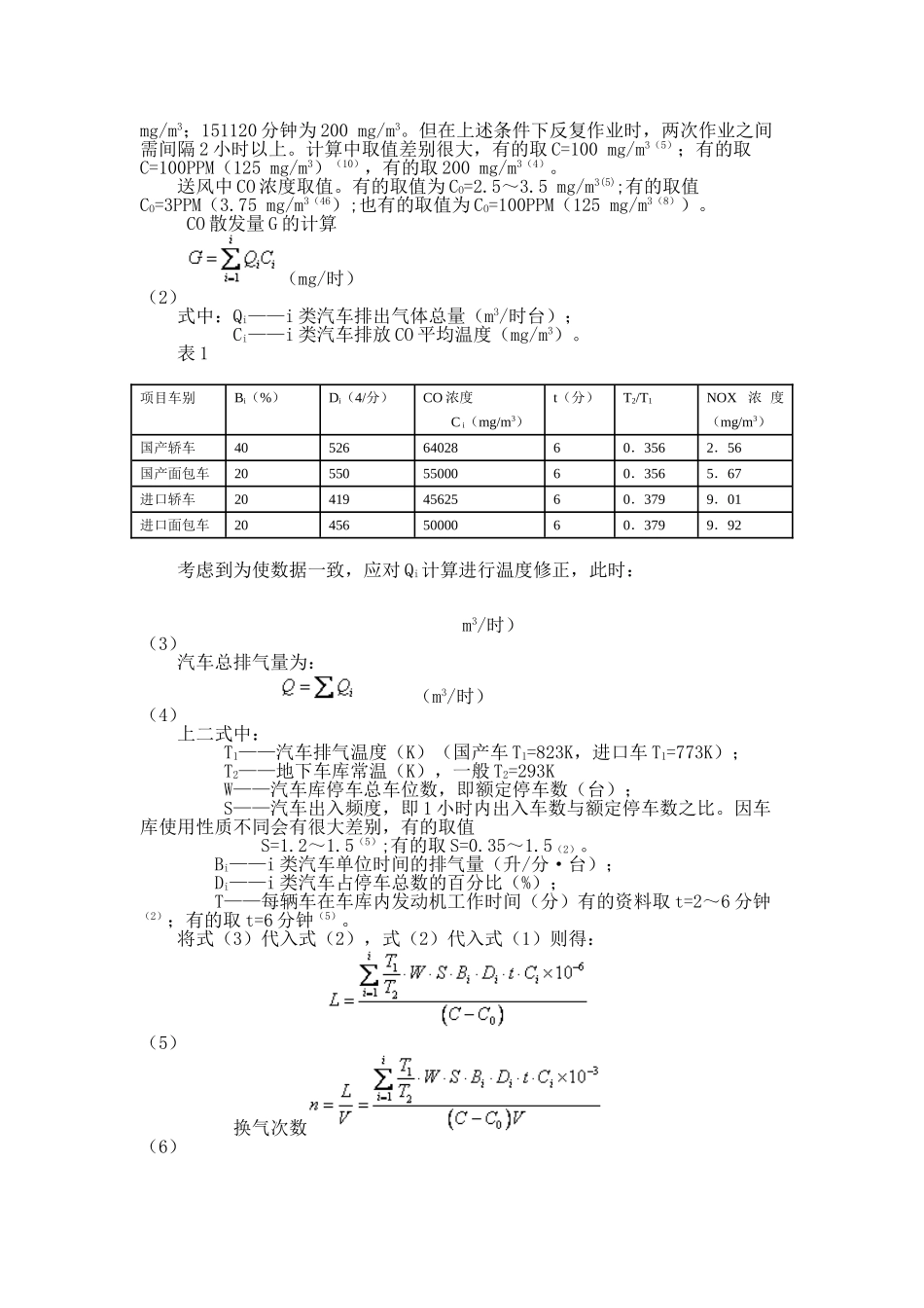
高层建筑地下汽车库通风与排烟系统合一的分析 xxxxxxx 学院 xxxxxxxxxx 摘要 本文分析计算了高层建筑地下汽车库全面通风托儿所量的取值方法;分析计算了不需从下部排风的根据与理由,结合新的汽车库防火设计法律规范的实施,得出了地下汽车库的通风与排烟系统的风量及气流组织,基本上可以合一的结论,可供设计参考。 关键词 地下汽车库、全面通过换气量、排烟量、通风与排烟系统合一1 前言 在高建筑地下汽车库的通风与排烟系统设计中,由于排烟量远远大于排风量,且排风要求从下部排出所需风量的三分之二,从上部排出三分之一,因而欲将通风与排烟系统合并,除需选用双整风机外,还需上部与一部排风口应设转换控制设施,使设计、施工及运行管理十分复杂。新的地下汽车库防火法律规范规定的排烟量大幅降低并接近排风量。假如通风与排烟的气流组织能统一,则通风与排烟系统即可合一,就会大大简化地下汽车库通风及排烟系统的设计、施工及运行管理。 2 地下汽车库排风的讨论 目前确定地下汽车库排风量的方法,大体上可分为二类,一类是按换气次数估算,另一类则是按全面通风换气量进行计算。属于第一类的按换气次数估算的代表性的参考文献(1),“一般排风量不少于 6 次/时,送风量不少于 5次/时,地下汽车库排气分上、下两部分,下部排出三分之二,上部排出三分之一”。此处未区别不同情况,用统一的换气次数估算。参考文献(2)中指出:“汽车库单层设计时,可按换气次数计算,当层高 H>3m 时,按 3m 计算体积,当层高 H<3m 时,按实际高度计算车库体积。汽车出入频度较大时,排气量按 6次/时计算;出入频度一般时,排气量按 5 次/时计算;出入频度较小时,排气理按 4 次/时计算。”按汽车出入频度的不同给出不同的换气次数(不同的排气量)更合理一些。 另一类是按将有害物冲淡到卫生标准所需的全面通风托儿所量来确定.汽车尾气的主要有害为 CO、NOX及少量汽油及热量。以 CO 及 NOX为主。因 CO 及 NOX对人体的作用不同,其全面通风换气量(即排气量)应分别计算稀释 CO 及 NOX所需的换气量,然后取大值。表 1 列出了各种轻型汽车实测的 CO 及 NOX平均浓度值。由此可以看出进口车实测的 NOX排放浓度为最高允许浓度(5mg/m3)的 2倍,而 CO 的排放浓度为最高允许浓度(按 mg/m3)的 456~500 倍。显然按 CO计算的出的全面通风换气量完全可以将 NOX稀释到卫生标准规定的浓度。因而以CO 作为计...

1、当您付费下载文档后,您只拥有了使用权限,并不意味着购买了版权,文档只能用于自身使用,不得用于其他商业用途(如 [转卖]进行直接盈利或[编辑后售卖]进行间接盈利)。
2、本站所有内容均由合作方或网友上传,本站不对文档的完整性、权威性及其观点立场正确性做任何保证或承诺!文档内容仅供研究参考,付费前请自行鉴别。
3、如文档内容存在违规,或者侵犯商业秘密、侵犯著作权等,请点击“违规举报”。

碎片内容

高层建筑地下室通风与排烟设计大学毕设论文

您可能关注的文档

确认删除?
VIP
微信客服
  • 扫码咨询
会员Q群
  • 会员专属群点击这里加入QQ群
客服邮箱
回到顶部