电脑桌面
添加小米粒文库到电脑桌面
安装后可以在桌面快捷访问

10kv及35kv电力线跨越施工组织设计

10kv及35kv电力线跨越施工组织设计_第1页
1/8
10kv及35kv电力线跨越施工组织设计_第2页
2/8
10kv及35kv电力线跨越施工组织设计_第3页
3/8
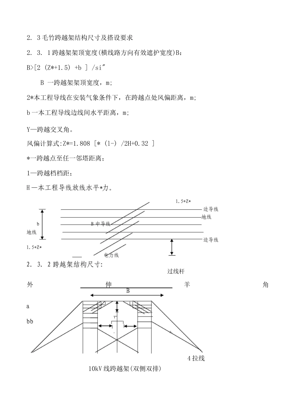
黄金埠电厂乐平〜〜5kV 输电线路工程(C 标段)10kV 及 35kV 电力线跨越施工措施*省水电工程局黄金埠电厂乐平〜〜5kV 输电线路工程。标段项目部26 年 08 月一、跨越 10kV〜35kV 线路概况黄金埠电厂乐平〜〜5kV 送电线路工程。标段跨越 10kV 电力线 9 次、35kV 电力线 1 次。二、跨越施工方法及要求:本工程所跨 10kV 及 35kV 电力线,优先考虑搭设跨越架带电跨越,由于受地形限制,无法搭设跨越架,申请停电跨越。2. 1 跨越施工流程图2. 1. 1 带电跨越流程图跨越架主要采纳毛竹搭设,10kV 跨越架一般结构型式为“双侧双排”;双杆架设或虽为单杆架设但跨越处地形特别的应当采纳“双侧三排”,其中有两排直接到顶,最外一排在高度为全高的 0.7 倍时止。跨越架采纳毛竹或安全网封顶,越架两侧均设置拉线。2. 3 毛竹跨越架结构尺寸及搭设要求2. 3. 1 跨越架架顶宽度(横线路方向有效遮护宽度)B:B>[2 (Z*+1.5) +b ] /si"B 一跨越架架顶宽度,m;2*本工程导线在安装气象条件下,在跨越点处风偏距离,m;b 一本工程导线边线间水平距离,m;Y—跨越交叉角。风偏计算式:Z*=1.808 [* (l-) /2H+0.32 ]*一跨越点至任一邻塔距离;1—跨越档档距;过线杆外伸羊角4 拉线10kV 线跨越架(双侧双排)跨越架立杆、大横杆及小横杆间距分别如下:立杆:1.5m 大横杆:1.2m 小横杆:0.8m跨越架与被跨越线路的最小安全距离:(1)封顶杆(网)与导线垂直距离 a>1.5m(2)架面与导线水平距离 b>1.5m2.3.4 10kV 单杆架设的跨越架采纳毛竹封顶,双杆架设的跨越架用不小于巾 14 的尼龙绳编网封顶。孔间距 30cm,交错满布;跨越架两侧设置不少于 4 组巾 9.3 钢丝绳拉线。每组拉线由上下两层组成,上层拉线与地面夹角不大于 60°上下层拉线共锚;角铁桩采纳 1.5m 长的三连桩,角铁桩入土深度不少于 1 米,田里可采纳地钻。内侧在与外拉线相对应位置设置 3 道巾 9.3 的钢丝绳拉线,注意保证拉线与带电导线的距离要大于安全距离;跨越架的立杆、大横杆应错开搭接,搭接长度不得小于 1.5m 绑扎时应小头压在大头上,绑扣不得少于 3 道。立杆、大横杆、小横杆相交时,应先绑 2 根,再绑第 3根,不得一根扣绑 3 根;架体立杆均应垂直埋入坑内,埋深不得少于 0.5m,且大头朝下,杆坑底部应夯实。遇松土或地面无法挖坑立杆时应绑扫地杆。跨越架的横杆应与立杆成直角搭设;z.跨越架两端及每隔 6〜7 根立杆设置剪刀...

1、当您付费下载文档后,您只拥有了使用权限,并不意味着购买了版权,文档只能用于自身使用,不得用于其他商业用途(如 [转卖]进行直接盈利或[编辑后售卖]进行间接盈利)。
2、本站所有内容均由合作方或网友上传,本站不对文档的完整性、权威性及其观点立场正确性做任何保证或承诺!文档内容仅供研究参考,付费前请自行鉴别。
3、如文档内容存在违规,或者侵犯商业秘密、侵犯著作权等,请点击“违规举报”。

碎片内容

10kv及35kv电力线跨越施工组织设计

您可能关注的文档

确认删除?
VIP
微信客服
  • 扫码咨询
会员Q群
  • 会员专属群点击这里加入QQ群
客服邮箱
回到顶部