电脑桌面
添加小米粒文库到电脑桌面
安装后可以在桌面快捷访问

2025年监理工程师检查记录表大里程安全岛

2025年监理工程师检查记录表大里程安全岛_第1页
1/6
2025年监理工程师检查记录表大里程安全岛_第2页
2/6
2025年监理工程师检查记录表大里程安全岛_第3页
3/6
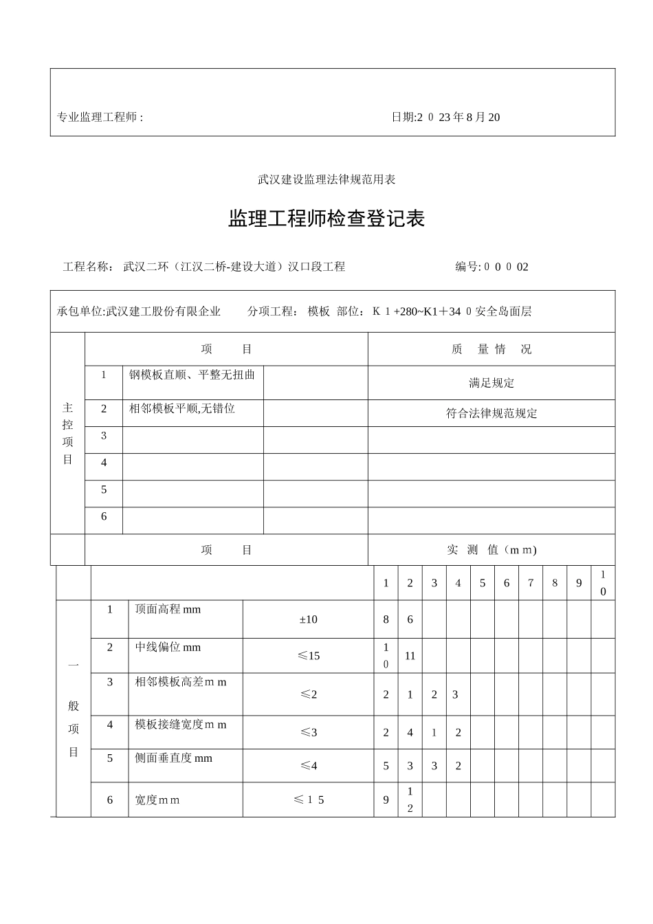
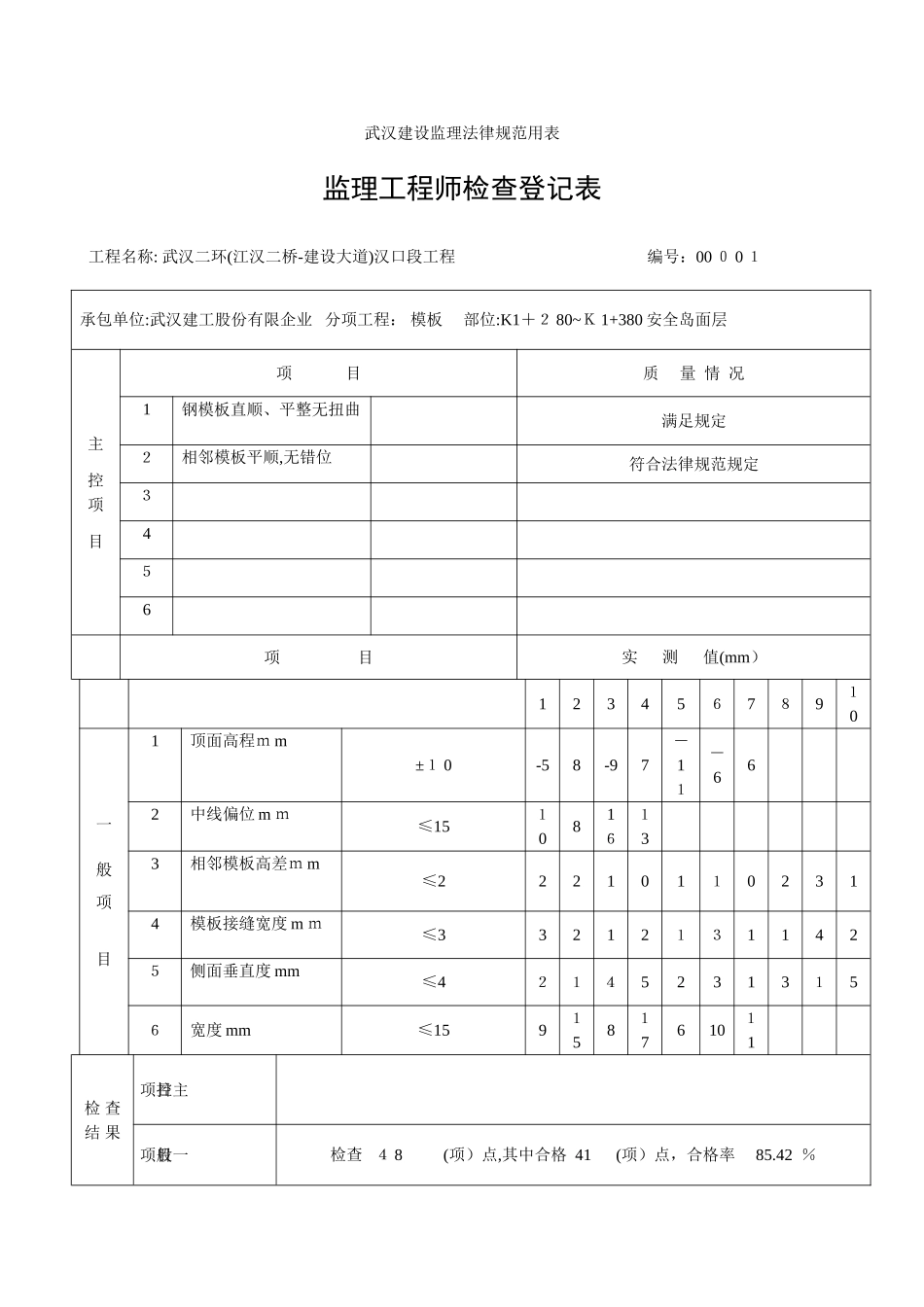
武汉建设监理法律规范用表监理工程师检查登记表工程名称: 武汉二环(江汉二桥-建设大道)汉口段工程 编号:00 0 0 1 承包单位:武汉建工股份有限企业 分项工程: 模板 部位:K1+2 80~K 1+380 安全岛面层主 控 项 目项 目质 量 情 况1钢模板直顺、平整无扭曲满足规定2相邻模板平顺,无错位符合法律规范规定3456项 目实 测 值(mm)12345678910一 般 项 目1顶面高程m m±1 0 -58-97-11-662中线偏位 m m≤1510816133相邻模板高差m m≤222101102314模板接缝宽度 m m≤332121311425侧面垂直度 mm≤421452313156宽度 mm≤1591581761011检 查结 果主控项目一般项目检查 4 8 (项)点,其中合格 41 (项)点,合格率 85.42 %专业监理工程师 : 日期:2 0 23 年 8 月 20武汉建设监理法律规范用表监理工程师检查登记表工程名称: 武汉二环(江汉二桥-建设大道)汉口段工程 编号:0 0 0 02 承包单位:武汉建工股份有限企业 分项工程: 模板 部位:K1+280~K1+34 0安全岛面层主 控 项 目项 目质 量 情 况1钢模板直顺、平整无扭曲满足规定2相邻模板平顺,无错位符合法律规范规定3456项 目实 测 值(m m)12345678910一 般 项 目1顶面高程 mm±10 862中线偏位 mm≤1510113相邻模板高差m m≤221234模板接缝宽度m m≤324125侧面垂直度 mm≤453326宽度mm≤1 5912检 查结 果主控项目一般项目检查 1 8 (项)点,其中合格 15 (项)点,合格率 8 3.33 %专业监理工程师 : 日期:2 00 9 年 8 月 28 日武汉建设监理法律规范用表监理工程师检查登记表工程名称: 武汉二环(江汉二桥-建设大道)汉口段工程 编号:00003 承包单位:武汉建工股份有限企业 分项工程: 模板 部位:K 1+340~K1+4 00 安全岛面层主 控 项 目项 目质 量 情 况1钢模板直顺、平整无扭曲满足规定2相邻模板平顺,无错位符合法律规范规定3456项 目实 测 值(mm)12345678910一 般 项 目1顶面高程 mm±10 -10-5612882中线偏位 mm≤158101663相邻模板高差 mm≤212122110104模板接缝宽度 mm≤321223422345侧面垂直度 mm≤43254226宽度mm≤157710151613检 查结 果主控项目一般项目检查 42 (项)点,其中合格 3 6 (项)点,合格率 85.71 %专业监理工程师 : 日期:20 23年 9 月 4 日

1、当您付费下载文档后,您只拥有了使用权限,并不意味着购买了版权,文档只能用于自身使用,不得用于其他商业用途(如 [转卖]进行直接盈利或[编辑后售卖]进行间接盈利)。
2、本站所有内容均由合作方或网友上传,本站不对文档的完整性、权威性及其观点立场正确性做任何保证或承诺!文档内容仅供研究参考,付费前请自行鉴别。
3、如文档内容存在违规,或者侵犯商业秘密、侵犯著作权等,请点击“违规举报”。

碎片内容

2025年监理工程师检查记录表大里程安全岛

您可能关注的文档

确认删除?
VIP
微信客服
  • 扫码咨询
会员Q群
  • 会员专属群点击这里加入QQ群
客服邮箱
回到顶部