电脑桌面
添加小米粒文库到电脑桌面
安装后可以在桌面快捷访问

IT信息系统运维服务方案

IT信息系统运维服务方案_第1页
1/17
IT信息系统运维服务方案_第2页
2/17
IT信息系统运维服务方案_第3页
3/17
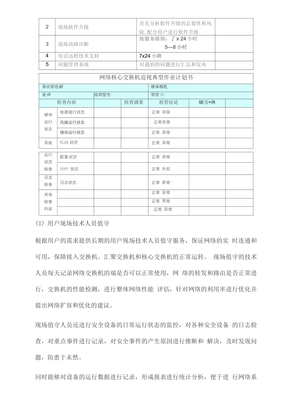
IT 信息系统运维服务方案1 服务内容1.1 服务目标运行维护服务包括,信息系统相关的主机设备、操作系统、数据库和存 储设备及其他信息系统的运行维护与安全防范服务,保证用户现有的信 息系统的正常运行,降低整体管理成本,提高网络信息系统的整体服务 水平。同时根据日常维护的数据和记录,提供用户信息系统的整体建设 规划和建议,更好的为用户的信息化进展提供有力的保障。用户信息系统的组成主要可分为两类:硬件设备和软件系统。硬件设备 包括网络设备、安全设备、主机设备、存储设备等;软件设备可分为操 作系统软件、典型应用软件(如:数据库软件、中间件软件等)、业务 应用软件等。通过运行维护服务的有效管理来提升用户信息系统的服务效率,协调各 业务应用系统的内部运作,改善网络信息系统部门与业务部门的沟通, 提高服务质量。结合用户现有的环境、组织结构、IT 资源和管理流程的 特点,从流程、人员和技术三方面来规划用户的网络信息系统的结构。 将用户的运行目标、业务需求与 IT服务的相协调一致。信息系统服务的目标是,对用户现有的信息系统基础资源进行监控和管 理,及时掌握网络信息系统资源现状和配置信息,反映信息系统资源的 可用性情况和健康状况,创建一个可知可控的 IT 环境,从而保证用户 信息系统的各类业务应用系统的可靠、高效、持续、安全运行。服务项目范围覆盖的信息系统资源以下方面的关键状态及参数指标:运行状态、故障情况配置信息可用性情况及健康状况性能指标统计运维数裾、提供信息系统管理和工作报告、归纳总结并提供用户 想了解的数裾报告1.2 信息资产统计服务此项服务为基本服务,包含在运行维护服务中,帮助我们对用户现有的 信息资产情况进行了解,更好的提供系统的运行维护服务。服务内容包括:硬件设备型号、数量、版本等信息统计记录软件产品型号、版本和补丁等信息统计记录网络结构、网络路由、网络 IP 地址统计记录综合布线系统结构图的绘制其它附属设备的统计记录硬件设备清单如下表统计:1.3 网络、安全系统运维服务从网络的连通性、网络的性能、网络的监控管理三个方面实现对网络系 统的运维管理。网络、安全系统基本服务内容:序号服务模块内容描述提供方1现场备件安装配合用声瓯行,按备作到论现貌 时间工程师到这现场2现场软件升级首先分析软件升级的总要性和风 险.配合用户进行软件升级3现场故障诊断按服务级别:了 x 24 小时5—8 小时4电话远程技...

1、当您付费下载文档后,您只拥有了使用权限,并不意味着购买了版权,文档只能用于自身使用,不得用于其他商业用途(如 [转卖]进行直接盈利或[编辑后售卖]进行间接盈利)。
2、本站所有内容均由合作方或网友上传,本站不对文档的完整性、权威性及其观点立场正确性做任何保证或承诺!文档内容仅供研究参考,付费前请自行鉴别。
3、如文档内容存在违规,或者侵犯商业秘密、侵犯著作权等,请点击“违规举报”。

碎片内容

IT信息系统运维服务方案

您可能关注的文档

确认删除?
VIP
微信客服
  • 扫码咨询
会员Q群
  • 会员专属群点击这里加入QQ群
客服邮箱
回到顶部