电脑桌面
添加小米粒文库到电脑桌面
安装后可以在桌面快捷访问

SG-A083普通灯具安装工程检验批质量验收记录

SG-A083普通灯具安装工程检验批质量验收记录_第1页
1/6
SG-A083普通灯具安装工程检验批质量验收记录_第2页
2/6
SG-A083普通灯具安装工程检验批质量验收记录_第3页
3/6
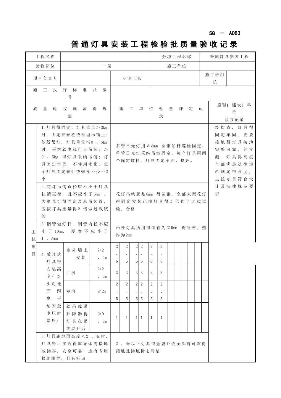
SG - A083 普 通 灯 具 安 装 工 程 检 验 批 质 量 验 收 记 录 工 程 名 称分 项 工 程 名 称普 通 灯 具 安 装 工 程验 收 部 位一 层施 工 单 位项 目 负 责 人专 业 工 长施 工 班 组长施 工 执 行 标 准 及 编 号质 量 验 收 规 范 得 规 定施 工 单 位 检 查 评 定 记 录监 理 (建 设 )单位验 收 记 录主控项目1. 灯 具 得 固 定 : 灯 具 重 量 > 3kg时 , 固 定 在 螺 栓 或 预 埋 吊 钩 上 ;软 线 吊 灯 , 灯 具 重 量 ≤ 0 、 5kg时 , 采 纳 软 电 线 自 身 吊 装 ; >0 、 5kg得 灯 具 采 纳 吊 链 ; 灯具 因 定 牢 固 , 不 使 用 木 楔 。 每个 灯 具 固 定 螺 钉 或 螺 栓 不 少 于 2个多 管 日 光 灯 用 ¢ 8mm圆 钢 吊 杆 螺 栓 固 定 。单 管 日 光 灯 采 纳 吊 链 固 定 , 每 个 灯 具 用 两个 固 定 螺 栓 。 灯 具 固 定 牢 固 、 整 齐 。经 检 查 ,灯 具 得固 定 牢 固 ,需 要接 地 得 灯 具 接 地完 整 可 靠 ,经 实测 ,灯 具 得 高 度全 部 满 足 法 律 规范 规 定 得 高 度 ,主 控 项 目 符 合 设计 及 法 律 规 范 要求2. 花 灯 吊 钩 直 径 应 不 小 于 灯 具挂 销 直 径 , 且 不 应 小 于 6mm。大 型 花 灯 得 固 定 及 悬 吊 装 置 ,应 按 灯 具 重 量 得 2 倍 做 过 载 试验花 灯 吊 钩 就 是 8mm得 圆 钢 , 全 部 大 型 花 灯得 固 定 安 装 已 按 灯 具 得 2 倍 作 了 过 载 试验 , 合 格3. 钢 管 做 灯 杆 , 钢 管 内 径 不 应小 于 10mm,厚 度 不 应 小 于1 、 5mm吊 杆 灯 具 所 用 得 钢 管 为 G15mm得 管 材 , 壁厚 为 2mm4. 敞 开 式灯 具 得安 装 高度 ( 灯头 对 地面距离 , 采纳 安 全电 压 时除 外 )室 外 墙 上安 装≥2、 5m2、62、62、62、62、62、6厂 房≥2、 5m333 333室 内≥2m2、52、52、52、52、52、5软 吊 线 带升 降 器 得灯 具 在 吊线 展 开 后≥0、 8m111 1115. 灯 具 距 地 面 高 度 < 2 、 4m 时 ,灯 具 得 可 接...

1、当您付费下载文档后,您只拥有了使用权限,并不意味着购买了版权,文档只能用于自身使用,不得用于其他商业用途(如 [转卖]进行直接盈利或[编辑后售卖]进行间接盈利)。
2、本站所有内容均由合作方或网友上传,本站不对文档的完整性、权威性及其观点立场正确性做任何保证或承诺!文档内容仅供研究参考,付费前请自行鉴别。
3、如文档内容存在违规,或者侵犯商业秘密、侵犯著作权等,请点击“违规举报”。

碎片内容

SG-A083普通灯具安装工程检验批质量验收记录

确认删除?
VIP
微信客服
  • 扫码咨询
会员Q群
  • 会员专属群点击这里加入QQ群
客服邮箱
回到顶部