电脑桌面
添加小米粒文库到电脑桌面
安装后可以在桌面快捷访问

WG-EP-002V00-设备报废管理规程VIP专享

WG-EP-002V00-设备报废管理规程_第1页
1/4
WG-EP-002V00-设备报废管理规程_第2页
2/4
WG-EP-002V00-设备报废管理规程_第3页
3/4
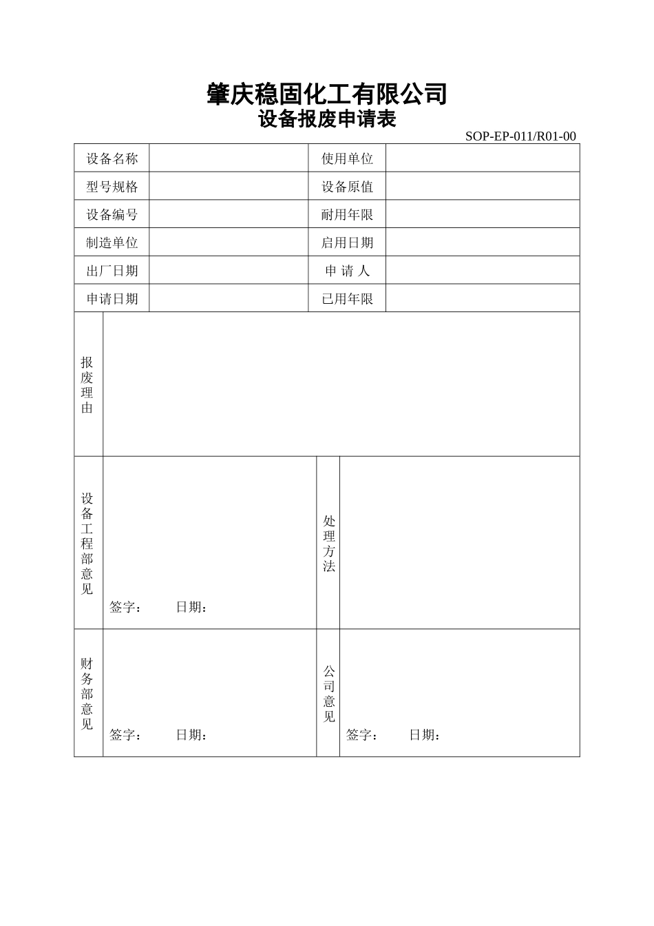
职位 签名/日期起草设备工程部主管审核厂长批准企业负责人生效日期:制作备份:份;分发部门:质量保证部、车间、财务部、设备工程部办公室1、 目的法律规范设备报废管理。2、 适用范围所有主要设备。3、 依据及参考文件无4、 职责4.1 设备工程部主管、厂长:根据本文件规定的格式及给定的编号指定操作人员或相关技术人员起草本部门文件,复核文件;组织对本部门起草的文件进行修订与复审。4.2 企业负责人:批准文件,确保符合公司质量保证体系的相关要求。4.3 设备工程部、生产车间:保证此程序执行。5、 内容5.1 列入固定资产的设备符合下列条件之一的,可申请报废。5.1.1设备损耗严重,已不能再修复,且不能再满足生产要求。5.1.2效率低,性能差的。5.1.3耗费能源、原材料多的。5.1.4技术陈旧落后,经济效益低。5.1.5设备役龄长,大修虽可修复但经济上不如更新合算的。5.1.6不能迁移的设备,由于建筑物改造或工艺布局改变而必须拆毁的。5.1.7因事故或其它原因造成设备严重损坏,无修复价值的。5.1.8污染环境严重的。5.1.9事故频繁,不安全因素大,危及人身财产安全。5.2 设备的报废由使用部门提出申请,经设备工程部,生产部仔细进行鉴定,并填写《设备报废申请表》报厂部审批后方可报废。5.3 设备经批准报废后,由设备工程部、财务部作销帐处理,同时注销设备台帐、卡片和其它相关资料(技术资料除外)。5.4 已报废的设备,使用部门应在批准报废后,通知和配合设备工程部,在不影响生产的情况下将报废设备搬离生产区,动力设备和压容器不得留用和转卖。6、 附件附件一:《设备报废申请表》 WG-EP-002/R017、修订记录文件编号修订内容生效日期修订人肇庆稳固化工有限公司设备报废申请表SOP-EP-011/R01-00设备名称使用单位型号规格设备原值设备编号耐用年限制造单位启用日期出厂日期申 请 人申请日期已用年限报废理由设备工程部意见签字: 日期:处理方法财务部意见签字: 日期:公司意见签字: 日期:2025 年读书节活动方案一、 活动目的:书是人类的朋友,书是人类进步的阶梯!为了拓宽学生的知识面,通过开展“和书交朋友,遨游知识大海洋”系列读书活动,激发学生读书的兴趣,让每一个学生都想读书、爱读书、会读书,从小养成热爱书籍,博览群书的好习惯,并在读书实践活动中陶冶情操,猎取真知,树立理想! 二、活动目标: 1、通过活动,建立起以学校班级、个人为主的班级图书角和个人小书库。 2、通过活动,在校...

1、当您付费下载文档后,您只拥有了使用权限,并不意味着购买了版权,文档只能用于自身使用,不得用于其他商业用途(如 [转卖]进行直接盈利或[编辑后售卖]进行间接盈利)。
2、本站所有内容均由合作方或网友上传,本站不对文档的完整性、权威性及其观点立场正确性做任何保证或承诺!文档内容仅供研究参考,付费前请自行鉴别。
3、如文档内容存在违规,或者侵犯商业秘密、侵犯著作权等,请点击“违规举报”。

碎片内容

WG-EP-002V00-设备报废管理规程

确认删除?
VIP
微信客服
  • 扫码咨询
会员Q群
  • 会员专属群点击这里加入QQ群
客服邮箱
回到顶部