电脑桌面
添加小米粒文库到电脑桌面
安装后可以在桌面快捷访问

WI-QD-007A--IC测试样品管理作业指导书

WI-QD-007A--IC测试样品管理作业指导书_第1页
1/4
WI-QD-007A--IC测试样品管理作业指导书_第2页
2/4
WI-QD-007A--IC测试样品管理作业指导书_第3页
3/4
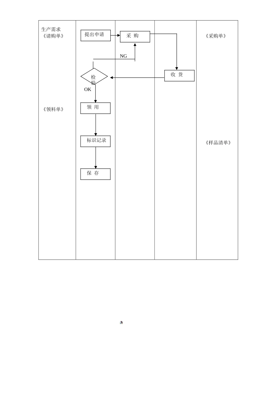
文 件 编 号 : WI-QD-007制 订 日 期 :06 年 07 月 16 日实 施 日 期 :06 年 08 月 5 日发 放 编 号 :文件管制状态标识处制 订审 查核 准罗 华 斌文件修订状态修订申请书编号页次版本修订内容摘要无全文A(第一版发行)受 文 单 位总经理室管理代表行政部品管部业 务部生 产 部物 控 部业务客服烧 录中 心制作AT仓库生管采购0份1份1 份1 份0份0份0 份1份1份1份0份1份1 、 目 的 :制 定 IC 样 品 的 管 理 方 法 , 确 保 IC 样 品 保 存 完 好 , 需要 时 能 够 及 时 提 供 。2 、 范 围 :适 用 于 IC 的 样 品 管 理 。IC 测试样品管理作业指导书3 、 职 责 : 3.1 品 管 负 责 样 品 申 请 的 提 出 , 保 管4 、 定 义 : 4.1 IC 测 试 样 品 : 用 于 检 测 制 作 品 成 品 功 能 的 IC 产 品5 、 内 容 :5.1 样 品 请 购 : 5.1.1 品 管 根 据 生 产 的 需 要 , 填 写 《 请 购 单 》 提 出申 请 采 购 IC 样 品 。 5.1.2 采 购 部 根 据 《 请 购 单 》 的 要 求 到 市 场 上 采 购IC 。5.2 样 品 的 保 管 : 5.2.1 IC样 品 采 购 回 来 后 , 由 仓 库 通 知 品 管 进 行 检 验 。 5.2.2 品 管 对 IC 进 行 烧 录 测 试 。 5.2.3 测 试 合 格 后 , 直 接 填 写 《 领 料 单 》 向 仓 库 领用 作 样 品 。5.2.4 在IC样品上贴上标识,并记录于《样品清单 》 上 。 5.2.5 样 品 存 放 在 规 定 的 地 方 。 5.2.6 样 品 使 用 后 要 及 时 放 回 原 位 , 不 得 损 坏 。 5.2.7 样 品 如 需 外 借 , 要 如 实 登 记 在 《 样 品 借 用 明细 表 》 上 。 5.2.8 假 如 样 品 有 损 坏 或 遗 失 , 品 管 要 及 时 申 请 重新 采 购 。6 、 参 考 文 件 : 无7 、 表 单 :7.1 《 请 购 单 》7.2 《 领 料 单 》7.3 《 样 品 清 单 》7.4 《 物 品 借 用 明 细 表 》8 、 附 件 : 8.1 IC 样 品 管 理 作 业 流 程输 入品 管采 购仓 库输 出生产需求《请购单》《领料单》 OK NG 《采购单》《样品清单》2025年...

1、当您付费下载文档后,您只拥有了使用权限,并不意味着购买了版权,文档只能用于自身使用,不得用于其他商业用途(如 [转卖]进行直接盈利或[编辑后售卖]进行间接盈利)。
2、本站所有内容均由合作方或网友上传,本站不对文档的完整性、权威性及其观点立场正确性做任何保证或承诺!文档内容仅供研究参考,付费前请自行鉴别。
3、如文档内容存在违规,或者侵犯商业秘密、侵犯著作权等,请点击“违规举报”。

碎片内容

WI-QD-007A--IC测试样品管理作业指导书

确认删除?
VIP
微信客服
  • 扫码咨询
会员Q群
  • 会员专属群点击这里加入QQ群
客服邮箱
回到顶部