电脑桌面
添加小米粒文库到电脑桌面
安装后可以在桌面快捷访问

上海海事大学可编程控制器考试试题示例

上海海事大学可编程控制器考试试题示例_第1页
1/26
上海海事大学可编程控制器考试试题示例_第2页
2/26
上海海事大学可编程控制器考试试题示例_第3页
3/26
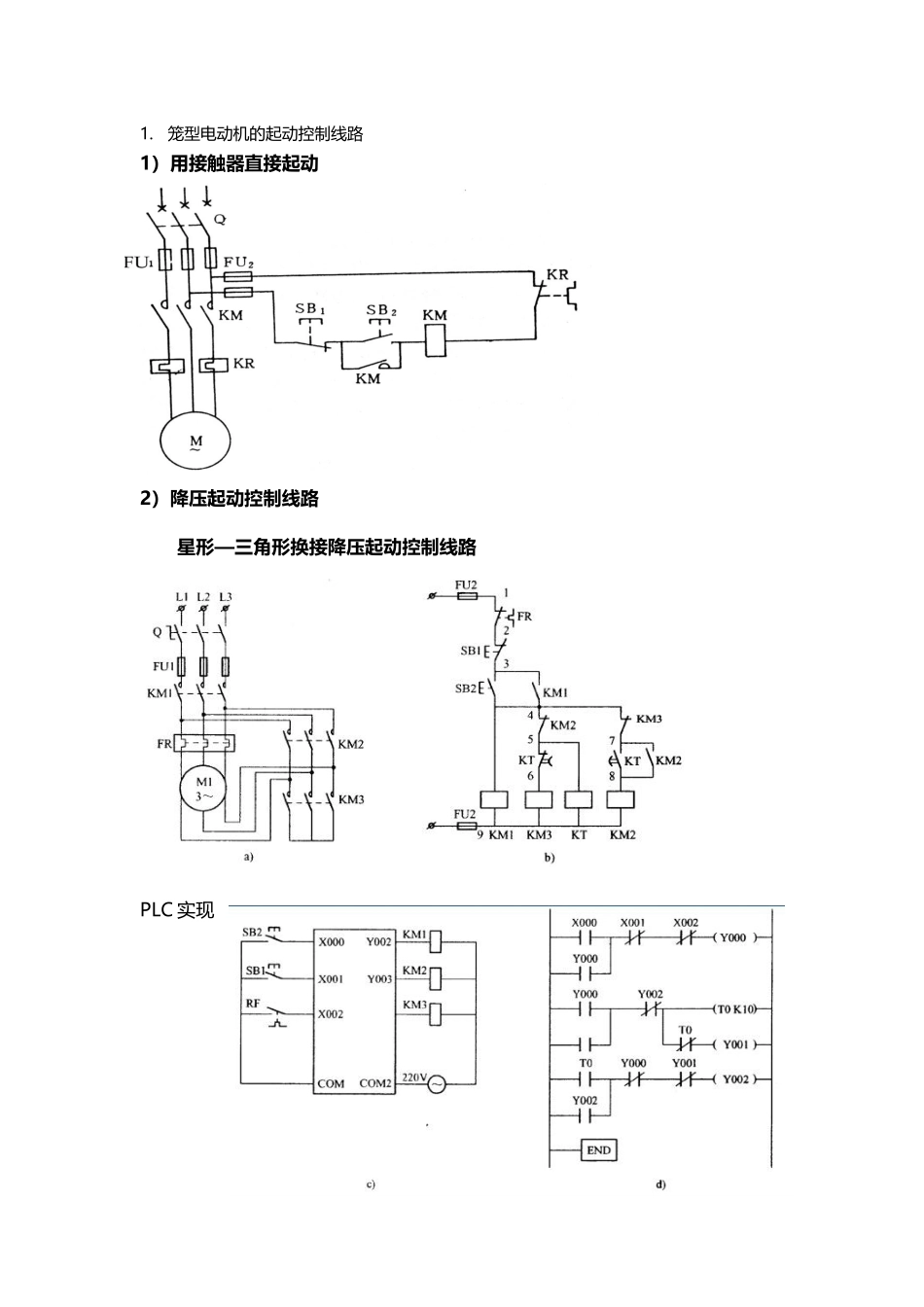
上海海事大学可编程控制器考试试题示例(20 页)Good is good, but better carries it.精益求精,善益求善。1.笼型电动机的起动控制线路1)用接触器直接起动2)降压起动控制线路星形—三角形换接降压起动控制线路PLC 实现 定子串电阻降压起动控制线路时间原则控制:以时间作为控制的变化参量,主要采纳时间继电器进行控制的方法称为时间原则控制。例如,定子绕组串电阻降压起动控制电路。如图 3-15 所示,主电路由接触器 KM1、KM2主触点构成串电阻接线和短接电阻接线,并由时间继电器 KT 实现从起动到正常工作状态的切换。按下起动按钮 SB2,接触器 KM1线圈得电,电动机串电阻降压起动。同时,时间继电器KT 线圈得电,经过一定时间,其延时闭合动合触点闭合,KM2线圈得电,KM1、KT 线圈断电。KM2主触点闭合,电阻短接,电动机全压运行。时间原则控制多用于难以直接检测变化参量的自动控制中,而且时间继电器的通用性好,控制灵活方便,因而能代替某些原则控制。3)电动机正反转线路如图 3-11 所示,SB 为停止按钮,SB1为正向起动按钮,SB2为反向起动按钮。在正向接触器 KM1线圈的电路中,串入反向接触器 KM2的常闭触点,实现正反向接触器间的联锁(互锁)。假如希望不用按下停止按钮 SB,直接按下反向按钮 SB2即可实现电动机反向工作,SB1、SB2可以采纳复合按钮(如图 3-12)或转换开关。电动机正反转 PLC 控制:4)正反转自动循环线路行程控制原理:限位开关 SQ1 放在左端需要反向的位置,SQ2 放在右端需要反向的位置,机械挡铁装在运动部件上。正向运动时,按正转按钮 SB2,KM1 通电自锁,电动机正向旋转,带动工作台左移。压下 SQ1,其常闭触点断开,切断 KM1 的线圈电路。同时,SQ1 的常开触点闭合,接通 KM2 的线圈电路,电动机反转,带动工作台右移,压下 SQ2,工作台实现左右移动的自动控制。限位开关SQ3、SQ4 分别起到左右超限位保护作用,当工作台移动到左右的极限位置时动作。注意:运动部件经过一次自动往复循环,电动机要进行两次反接制动过程,易出现较大的反接制动电流和机械冲击。因此,这种电路只适用于电动机容量较小,循环周期较长,电动机转轴具有足够刚性的拖动系统中。在选择接触器容量时,应比一般情况下选择的容量大一些。5)多电机顺序启动以车床主轴为例,主电路如图 3-13a 所示,主轴拖动电动机 M1,润滑油泵电动机 M2。控制电路如图 3-13b 所示,KM2的常开触点串入 KM1...

1、当您付费下载文档后,您只拥有了使用权限,并不意味着购买了版权,文档只能用于自身使用,不得用于其他商业用途(如 [转卖]进行直接盈利或[编辑后售卖]进行间接盈利)。
2、本站所有内容均由合作方或网友上传,本站不对文档的完整性、权威性及其观点立场正确性做任何保证或承诺!文档内容仅供研究参考,付费前请自行鉴别。
3、如文档内容存在违规,或者侵犯商业秘密、侵犯著作权等,请点击“违规举报”。

碎片内容

上海海事大学可编程控制器考试试题示例

确认删除?
VIP
微信客服
  • 扫码咨询
会员Q群
  • 会员专属群点击这里加入QQ群
客服邮箱
回到顶部