电脑桌面
添加小米粒文库到电脑桌面
安装后可以在桌面快捷访问

二氧化碳致裂器安全技术要求

二氧化碳致裂器安全技术要求_第1页
1/8
二氧化碳致裂器安全技术要求_第2页
2/8
二氧化碳致裂器安全技术要求_第3页
3/8
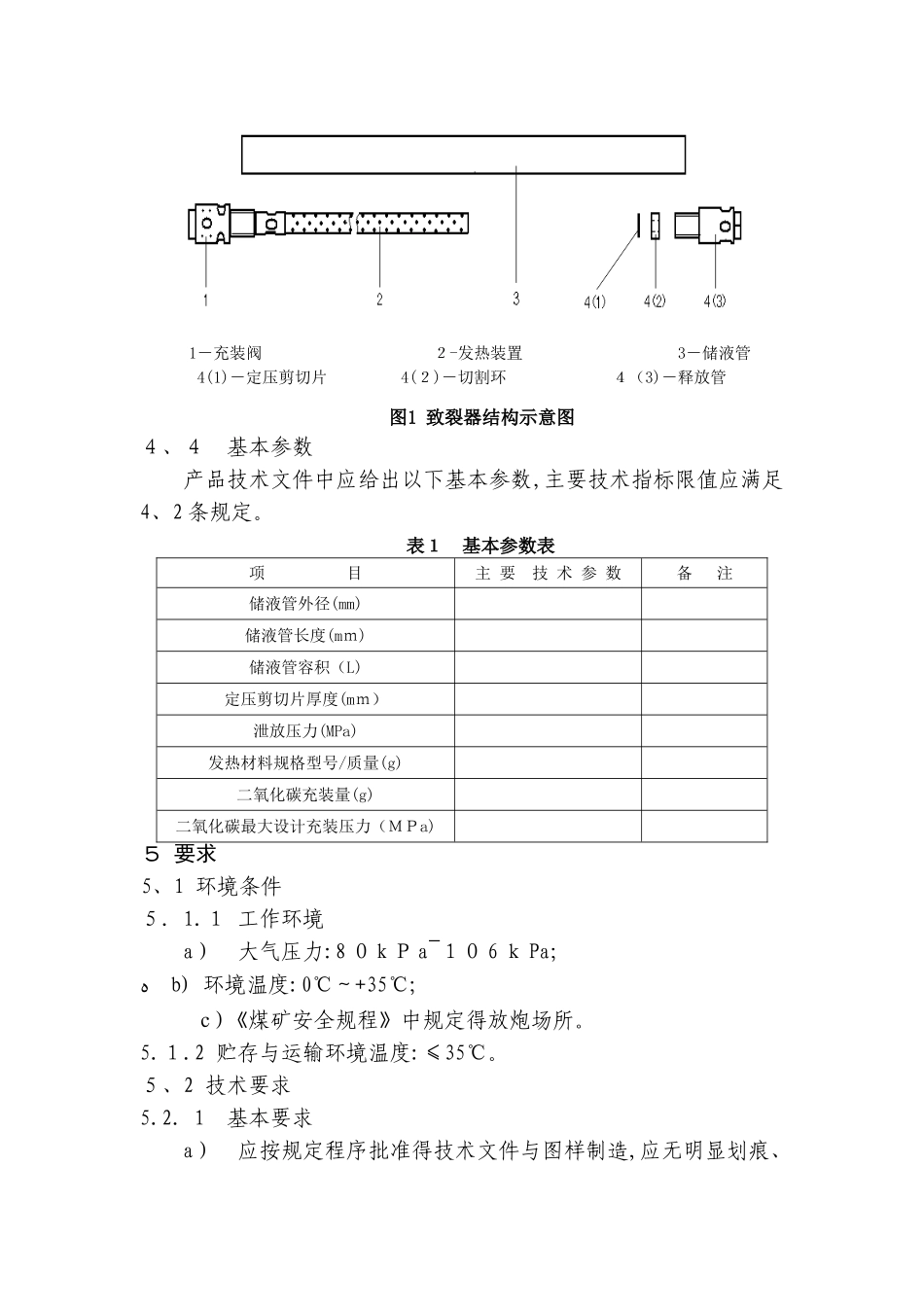
附件 1二氧化碳致裂器安全技术要求(试行)1 范围本文件适用于二氧化碳致裂器(以下简称致裂器)得安全标志管理,规定了致裂器得命名、技术要求、试验方法、检验规则、包装、运输、储存、安全使用要求等内容。本文件参照煤矿用液态二氧化碳相变致裂装备安全技术专家论证意见制定。2 法律规范性引用文件下列文件对于本文件得应用就是必不可少得。凡就是注日期得引用文件,仅所注日期得版本适用于本文件。凡就是不注日期得引用文件,其最新版本(包括所有得修改单)适用于本文件。GB 3836、1 爆炸性环境 第1部分:设备 通用要求GB 3836、4 爆炸性环境 第4部分:由本质安全型“i”保护得设备GB/T 6052-2025 工业液体二氧化碳GB 6944 危险货物分类与品名编号GB 7958-2000 煤矿用电容式发爆器GB 8031-2025 工业电雷管GB/T 9969 工业产品使用说明书GB 12463 危险货物运输包装通用技术条件GB/T 15098 危险货物运输包装类别划分方法《煤矿安全规程》《煤矿井下爆破作业安全规程》3 术语与定义 下列术语与定义适用于本要求。3、1 二氧化碳致裂器由充装阀、发热装置、储液管、泄能器等组成,利用液体二氧化碳吸热气化相变时体积急剧膨胀产生高压,致使煤、岩体开裂或破裂、增透得设备。3、2 储液管ﻩ 高强度合金钢材所制得耐高压管式容器。3、3 发热装置由启动器、发热材料、保护罩或支架组成,为致裂器储液管内液体二氧化碳气化提供热能得装置。3、4 启动器由两根绝缘脚线、熔丝、引药组成,用以引燃发热材料得器件。3、5 发热材料由几种化工原料配制而成得化学药剂固体粉末。3、6 引药放置在启动器内部得一种化学药剂固体材料。3、7 泄能器 为满足不同矿体开裂或破裂、增透要求,在致裂器里设置得用以限制泄放压力得器件。通常由定压剪切片及释放管等组成。3、8 泄放压力致裂器中定压剪切片破断时,所释放得二氧化碳最大压力。4 名称型号、结构与基本参数4、1 名称型号4.1.1 产品名称:二氧化碳致裂器。4.1.2 产品型号表示方法 M Z L □ - □ / □ 储液管长度,mm 储液管外径,mm 泄放压力,MPa 二氧化碳致裂器4、2 主要技术指标4.2.1 泄放压力应不大于 280MP a。4.2.2 储液管腔体容积应不大于 5L。4.2.3 二氧化碳最大设计充装压力应不大于 50MPa。4、3 产品结构致裂器一般由充装阀、发热装置、储液管、泄能器等组成,结构如图 1 所示。 1-充装阀 2-发热装置 3-...

1、当您付费下载文档后,您只拥有了使用权限,并不意味着购买了版权,文档只能用于自身使用,不得用于其他商业用途(如 [转卖]进行直接盈利或[编辑后售卖]进行间接盈利)。
2、本站所有内容均由合作方或网友上传,本站不对文档的完整性、权威性及其观点立场正确性做任何保证或承诺!文档内容仅供研究参考,付费前请自行鉴别。
3、如文档内容存在违规,或者侵犯商业秘密、侵犯著作权等,请点击“违规举报”。

碎片内容

二氧化碳致裂器安全技术要求

您可能关注的文档

不二商店+ 关注
实名认证
内容提供者

我是你的不二选择

确认删除?
VIP
微信客服
  • 扫码咨询
会员Q群
  • 会员专属群点击这里加入QQ群
客服邮箱
回到顶部