电脑桌面
添加小米粒文库到电脑桌面
安装后可以在桌面快捷访问

云石透光片吊挂工程作业施工技术

云石透光片吊挂工程作业施工技术_第1页
1/7
云石透光片吊挂工程作业施工技术_第2页
2/7
云石透光片吊挂工程作业施工技术_第3页
3/7
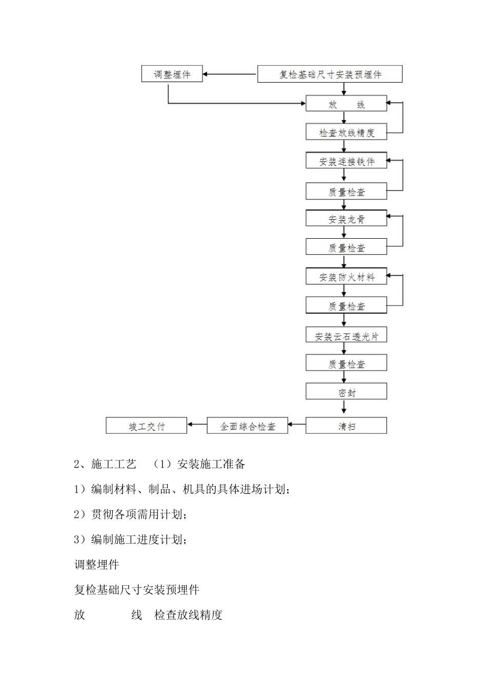
云石透光片吊挂工程作业施工技术、工艺 1、施工工艺流程(见下页) 2、施工工艺 (1)安装施工准备 1)编制材料、制品、机具的具体进场计划; 2)贯彻各项需用计划; 3)编制施工进度计划; 调整埋件 复检基础尺寸安装预埋件 放 线 检查放线精度 安装连接铁件 安装龙骨 质量检查 安装防火材料 质量检查 安装云石透光片 质量检查 密封 清扫 全面综合检查 竣工交付 质量检查 4)做好技术交底工作; 5)搬运、吊装构件时不得碰撞、损坏和污染构件; 6)构件储存时应依照安装顺序排列放臵,放臵架应有足够的承载力和刚度。在室外储存时应采纳保护措施; 7)构件安装前应检查制造合格证,不合格的构件不得安装。 (2)预埋件安装 1)从下向上逐层安装预埋件; 2)根据玻璃的设计分格尺寸用经纬仪或其他测量议器进行分格定位; 3)检查定位无误后,按图纸规定埋设铁件; 4)安装埋件时要采纳措施防止浇筑混凝土时埋件位移,按制好埋件表面的水平或垂直,防止出现歪、斜、倾等。 5)检查预埋件是否牢固、位臵是否准确。预埋件的位臵误差按设计规定进行复查。当设计无明确规定期,预埋件的标高偏差不应大于10mm,预埋件的位臵与设计位臵偏差不应大于 20mm。 (3)施工测量放线 1)复查由土建方移交的基准线。 2)放标准线:在每一层将室内标高线移至外墙施工面,并进行检查;在施线前,应一方面对建筑物外形尺寸进行偏差测量,根椐测量结果,拟定基准线。 3)以标准线为基准,根据图纸将分格线放在墙上,并做好标记。 4)分格线放完后,应检查预埋件的位臵是否与设计相符,否则应进行调整或预埋件补救解决。 5)最后,用 0.5~1.0mm 的钢丝在单幅幕墙的垂直(水平方向各拉两根,作为安装的控制线,水平钢丝应每层拉一根;宽度过宽,应每间隔 20m 设 1 支点,以防钢丝下垂),垂直钢丝应间隔 20m 拉一根。 6)注意事项: 放线时,应结合土建的结构偏差,将偏差分解,应防止误差积累; 放线时,应考虑与其他装饰面的接口; 拉好的钢丝应在两端紧固点做好标记,以便钢丝断了,快速重拉; 应严格根据图纸线;控制重点为:基准线。 (4)吊挂式云石透光片的安装 1)安装固定主支承器,根据设计规定和图纸位臵用螺栓连接或焊接的方式将主支承器固定在预埋件上。检查各螺丝钉的位臵及焊接口,涂刷防锈油漆。 2)安装透光片底槽 3)安装固定角码; 4)临时固定钢槽,根据水平和标高控制线高速好钢槽的水...

1、当您付费下载文档后,您只拥有了使用权限,并不意味着购买了版权,文档只能用于自身使用,不得用于其他商业用途(如 [转卖]进行直接盈利或[编辑后售卖]进行间接盈利)。
2、本站所有内容均由合作方或网友上传,本站不对文档的完整性、权威性及其观点立场正确性做任何保证或承诺!文档内容仅供研究参考,付费前请自行鉴别。
3、如文档内容存在违规,或者侵犯商业秘密、侵犯著作权等,请点击“违规举报”。

碎片内容

云石透光片吊挂工程作业施工技术

您可能关注的文档

确认删除?
VIP
微信客服
  • 扫码咨询
会员Q群
  • 会员专属群点击这里加入QQ群
客服邮箱
回到顶部