电脑桌面
添加小米粒文库到电脑桌面
安装后可以在桌面快捷访问

交叉建筑物工程施工方案

交叉建筑物工程施工方案_第1页
1/8
交叉建筑物工程施工方案_第2页
2/8
交叉建筑物工程施工方案_第3页
3/8
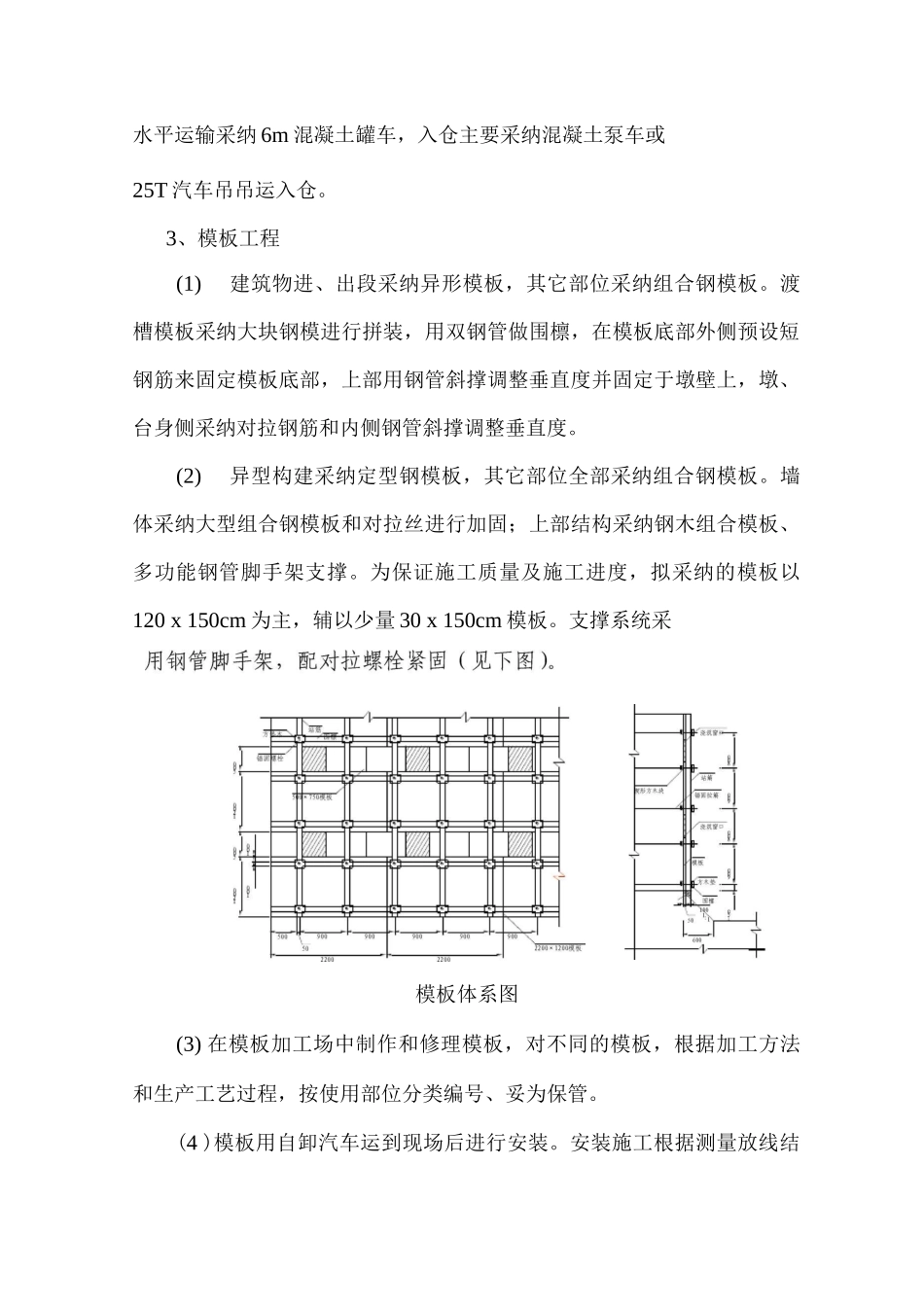
交叉建筑物工程施工方案一、概述渠道交叉建筑物包括机耕桥共计 39 座,排洪渡槽共计 29 座,渠下涵共计 61 座。二、土石方开挖施工首先进行测量放线,并详细了解该段的工程地质情况、地形地貌、和水文地质情况,将开挖前的实测地形和开挖放样剖面图报送监理人复核,同时编制相应的开挖施工平面图、开挖施工方法和程序、以及相应的设备配置和劳动力安排、排水和边坡保护措施、土料利用和弃渣措施、质量与安全保证措施、施工进度计划等文件经监理人批准后,根据批准的地面高程及设计断面确定上开挖线,并且在暗涵的临时道路等危险地带设置明显的标志,确保各公路畅通。夜间施工布设足够的照明,之后进行开挖。1、开挖分层方开挖遵循从上至下,从一端向另一端的原则,分层进行,层高为3.0 m~ 5.0 m;最后建基面留 50cm 厚的清挖层采纳人工配合小型挖掘机开挖。2、清表施工首先利用推土机清表,1.2m 反铲挖掘机装 15t 自卸汽车运至弃渣场。3、开挖出渣及运输土方开挖采纳反铲挖掘机直接装自卸汽车运输,并用推土机配合集渣。根据开挖部位工程量的大小,开挖设备拟主要采纳以下组合进行:1.2m 反铲挖机挖装,醐 5t 自卸汽车运输。另配 1.2m 反铲挖机作为清表、截流沟开挖及其他辅助工作。预留清基面采纳 1.2m 反铲挖机挖装,配 15t 自卸汽车运输。4、土料利用及弃渣处理(1 )对表层开挖的无用料和其他监理工程师认为不适于填筑的土料均运至弃渣场。(2) 对开挖出的有用料,如有填筑场面的就直接运至填筑场面,如没有填筑场面的就按监利理人指示运到指定临时存放场。三、混凝土施工1、施工程序渠下涵及公路涵混凝土施工程序为:基础检查合格 T 混凝土垫层施工^底板混凝土施工^管身混凝土施工^进出等混凝土施工。排架式渡槽的混凝土施工程序为:基础检查合格 T 排架基础混凝土施工^排架混凝土施工^墩帽混凝土施工^槽身混凝土施工。机耕桥的混凝土施工程序为:基础检查合格-排架基础混凝土和桥台施工^排架混凝土施工^墩帽混凝土施工^桥身及护栏混凝土施工。2、混凝土供料及运输规划混凝土由布置在距施工作业面距离较近的混凝土拌和系统供应,混凝土运输道路主要利用已有场内公路及本标段前期开挖施工通道。混凝土水平运输采纳 6m 混凝土罐车,入仓主要采纳混凝土泵车或25T 汽车吊吊运入仓。3、模板工程(1)建筑物进、出段采纳异形模板,其它部位采纳组合钢模板。渡槽模板采纳大块钢模进行拼装,用双钢管做围檩,在模板底部外侧...

1、当您付费下载文档后,您只拥有了使用权限,并不意味着购买了版权,文档只能用于自身使用,不得用于其他商业用途(如 [转卖]进行直接盈利或[编辑后售卖]进行间接盈利)。
2、本站所有内容均由合作方或网友上传,本站不对文档的完整性、权威性及其观点立场正确性做任何保证或承诺!文档内容仅供研究参考,付费前请自行鉴别。
3、如文档内容存在违规,或者侵犯商业秘密、侵犯著作权等,请点击“违规举报”。

碎片内容

交叉建筑物工程施工方案

确认删除?
VIP
微信客服
  • 扫码咨询
会员Q群
  • 会员专属群点击这里加入QQ群
客服邮箱
回到顶部