电脑桌面
添加小米粒文库到电脑桌面
安装后可以在桌面快捷访问

保洁服务检验标准

保洁服务检验标准_第1页
1/4
保洁服务检验标准_第2页
2/4
保洁服务检验标准_第3页
3/4
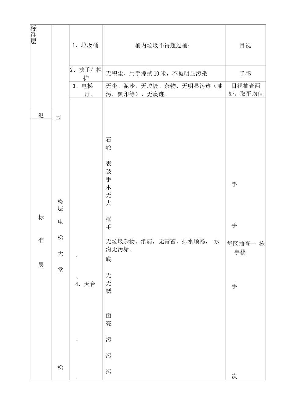
保洁服务检验标准范 围保洁项目标准检验方法标准层首层楼梯间1、地面目视地面无烟头、碎纸、果皮等垃圾。花岗 石地面:无泥沙、灰尘、无破迹、无污迹。 瓷砖地面:洁净,无明显污迹黑印,无积水。每区抽查两处取平均值2、墙面目视无污迹,无积尘、无乱粘贴;用手擦拭 表面 50 厘米,不被明显污染。每区抽查两 处3、电表箱目视无污迹,无积尘、无乱粘贴,表框镜透 明度好。目视,手感4、水表阀门开关无明显灰尘,表框镜无积尘,透明 度好目视5、信报箱无积尘,无明显生锈污迹,不锈钢面光亮。目视楼梯走廊1、地面无垃圾、杂物,无痰迹、污迹,无积水,有 光泽目视2、墙面目视洁净,无污迹,无积尘,用手擦拭表面 50厘米,手不被明显污染。每区抽查两 处3、楼梯灯 具目视灯罩表面洁净,内部无积尘、虫蚊,透 明度好。清洁后抽查 20 个取平 均值4、消防栓玻璃明亮,目视无尘、无水珠 箱侧框无污迹、无尘消防管道阀门无明显可见的灰尘目视、手感5、管井门门面无乱涂划,无尘、污迹、无乱粘贴,用 手擦拭门板 50 厘米,手不被明显污迹。目视、手感6、玻璃窗玻璃目视无积尘、无污迹、无水迹印;铝合金框无胶迹、水泥迹;瓷砖窗台无尘,用手擦拭 30 厘米,不被明显 污染。目视、手感7、门牌无尘、无水珠目视8、天面无尘、无蜘蛛网、无污迹目视9、垃圾桶垃圾桶摆放指定位置,套上黑色塑胶袋;桶盖无尘、无烟头,桶体光洁无污迹、无痰 迹;目视范 围保洁项目标准检验方法标准层围楼层电梯大堂梯1、垃圾桶桶内垃圾不得超过桶;目视2、扶手/ 拦护无积尘、用手擦拭 10 米,不被明显污染手感3、电梯厅、 无尘、泥沙,无垃圾、杂物、无明显污迹(油 污,黑印等)、无痰迹。目视抽查两 处,取平均值、、4、天台、、石轮表玻手木无大框手无垃圾杂物、纸屑,无青苔,排水顺畅, 水沟无污垢。底无无锈面亮污污污手手每区抽查一 栋楼宇手次氾标准层平 面 部 分1、大厦道 路/公共场 地(含停车 场)地面无杂物、无垃圾、无杂草,无明显积水, 无明显泥沙、污垢,没有 1 厘米以上的石子, 每 1 平方米内烟头、纸屑平均不超过三个。目视抽查三 处,取平均值2、指示牌/ 路灯指示牌上无水珠、无尘、无明显污迹、无粘 贴,目视灯罩上无明积尘,无蜘蛛网目视3、垃圾车/ 中转站垃圾车每日冲洗,车壁无明显附着物,中转 站周围无积水、污垢,垃圾日产日清。每天清洁目 视检查4、果皮箱桶体光洁无污迹,无痰迹,烟灰缸盖上...

1、当您付费下载文档后,您只拥有了使用权限,并不意味着购买了版权,文档只能用于自身使用,不得用于其他商业用途(如 [转卖]进行直接盈利或[编辑后售卖]进行间接盈利)。
2、本站所有内容均由合作方或网友上传,本站不对文档的完整性、权威性及其观点立场正确性做任何保证或承诺!文档内容仅供研究参考,付费前请自行鉴别。
3、如文档内容存在违规,或者侵犯商业秘密、侵犯著作权等,请点击“违规举报”。

碎片内容

保洁服务检验标准

一帆文传+ 关注
实名认证
内容提供者

欢迎光临店铺,各类公文供您挑选。

确认删除?
VIP
微信客服
  • 扫码咨询
会员Q群
  • 会员专属群点击这里加入QQ群
客服邮箱
回到顶部