电脑桌面
添加小米粒文库到电脑桌面
安装后可以在桌面快捷访问

全密封铅酸蓄电池检修质量标准VIP专享

全密封铅酸蓄电池检修质量标准_第1页
1/2
全密封铅酸蓄电池检修质量标准_第2页
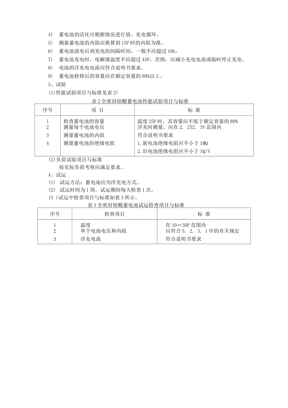
2/2
全密封铅酸蓄电池检修质量标准1、检修周期和项目(1)检修周期见表 1)表 1 全密封铅酸蓄电池检修周期检修类别小 修大 修检修周期16 个月1 - 3 年(2)检修项目1)小修项目检查清扫蓄电池及其室柜)内的灰尘;测量电池端电压,抽检单节蓄电池电压、内阻并记录;检查蓄电池的浮充电流;对蓄电池进行均衡充电;紧固蓄电池接线柱;处理已发现的蓄电池缺陷。2)大修项目完成小修的全部项目;检查蓄电池的连接线;进行活化并核对蓄电池容量;紧固蓄电池架的全部螺栓;试运。2、检修内容与质量标准(1 )蓄电池的活化和均衡充电应根据说明书进行(a) 超深度放电后或充电不当,使电池电压电阻不平衡时,需要进行均衡充电。(b) 在充电过程中如温度超过 45P,必须实行措施或停止充电,或转换成浮充状态,以便令温度降下来。(2 )容量试验1)蓄电池浮充状态容量试验:对于浮充状态的蓄电池,在活化前,按说明书要求的放电制度进行放电,并计算其容量。2)蓄电池浮充状态容量低于额定容量的 50%时,应增大浮充电流或进行活化和均衡充电。3)蓄电池容量试验:蓄电池进行活化后,静置 24h,按说明书要求进行放电,并计算其容量。4)经反复活化后,蓄电池容量仍低于额定容量的 80%时,应进行鉴定处理。5)蓄电池进行容量试验后,要立即充电恢复其容量。(3)检修质量标准1)蓄电池外壳完好,无变形和渗漏,导线和连接线连接可靠,无明显腐蚀。2)蓄电池台架牢固,绝缘支柱良好,室内清洁无尘,通风良好。3)蓄电池放电时,单节电池终止电压一般为 1. 8V。4)蓄电池的活化可根据情况进行放、充电循环。5)测量蓄电池的内阻应换算到 15P 时的内阻为准。6)蓄电池放电后到充电的间隔时间,一般不应超过 10h。7)蓄电池充电时,电解液温度不应超过 45P,否则,应减小充电电流或临时停止充电。8)电池的浮充电电流应符合说明书要求。9)蓄电池检修后的容量应在额定容量的 80%以上。3、试验(1)性能试验项目与标准见表 2)表 2 全密封铅酸蓄电池性能试验项目与标准序号项 目标 准l检查蓄电池的容量温度 25P 时,其容量应不低于额定容量的 80%2测量每个电池电压浮充时测量,应在 2. 252. 3V 范围内3测量蓄电池的内阻符合说明书要求4测量蓄电池的绝缘电阻1.新电池绝缘电阻应不小于 1MQ2.旧电池绝缘电阻应不小于 1Q/V(2)负荷试验项目与标准按实际负荷考核应满足要求。4、试运(1) 试运方法:蓄电池应为浮充电方式。(2) 试运时间为 1 周,试运期间每天检查 1 ...

1、当您付费下载文档后,您只拥有了使用权限,并不意味着购买了版权,文档只能用于自身使用,不得用于其他商业用途(如 [转卖]进行直接盈利或[编辑后售卖]进行间接盈利)。
2、本站所有内容均由合作方或网友上传,本站不对文档的完整性、权威性及其观点立场正确性做任何保证或承诺!文档内容仅供研究参考,付费前请自行鉴别。
3、如文档内容存在违规,或者侵犯商业秘密、侵犯著作权等,请点击“违规举报”。

碎片内容

全密封铅酸蓄电池检修质量标准

确认删除?
VIP
微信客服
  • 扫码咨询
会员Q群
  • 会员专属群点击这里加入QQ群
客服邮箱
回到顶部