电脑桌面
添加小米粒文库到电脑桌面
安装后可以在桌面快捷访问

公路工程原材料质量标准检测频率汇总表

公路工程原材料质量标准检测频率汇总表_第1页
1/7
公路工程原材料质量标准检测频率汇总表_第2页
2/7
公路工程原材料质量标准检测频率汇总表_第3页
3/7
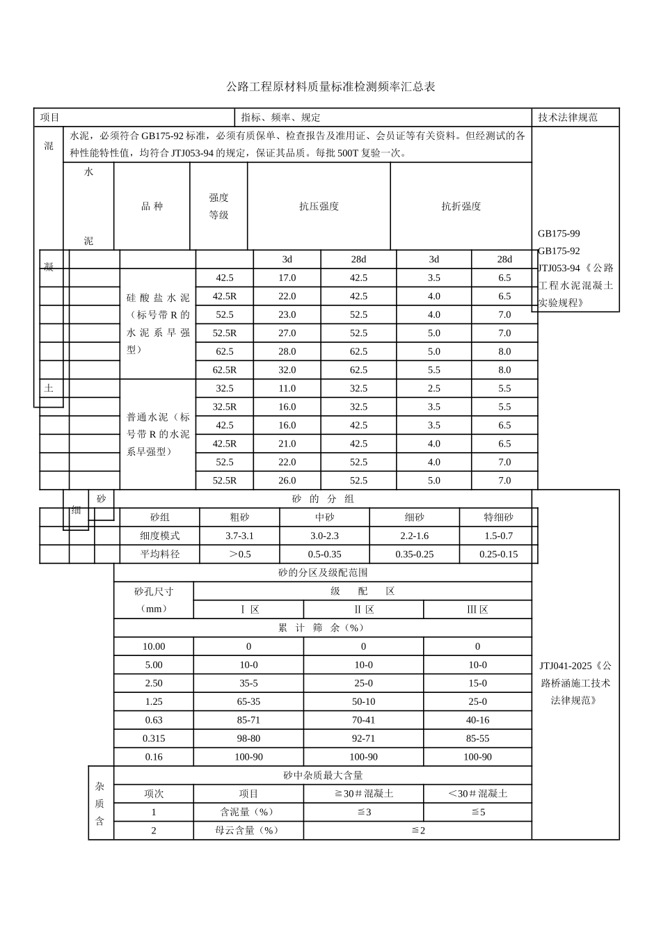
公路工程原材料质量标准检测频率汇总表项目指标、频率、规定技术法律规范混凝土水泥,必须符合 GB175-92 标准,必须有质保单、检查报告及准用证、会员证等有关资料。但经测试的各种性能特性值,均符合 JTJ053-94 的规定,保证其品质。每批 500T 复验一次。GB175-99GB175-92JTJ053-94《公路工程水泥混凝土实验规程》水泥品 种强度等级抗压强度抗折强度3d28d3d28d硅 酸 盐 水 泥(标号带 R 的水 泥 系 早 强型)42.517.042.53.56.542.5R22.042.54.06.552.523.052.54.07.052.5R27.052.55.07.062.528.062.55.08.062.5R32.062.55.58.0普通水泥(标号带 R 的水泥系早强型)32.511.032.52.55.532.5R16.032.53.55.542.516.042.53.56.542.5R21.042.54.06.552.522.052.54.07.052.5R26.052.55.07.0细砂砂 的 分 组JTJ041-2025《公路桥涵施工技术法律规范》砂组粗砂中砂细砂特细砂细度模式3.7-3.13.0-2.32.2-1.61.5-0.7平均料径>0.50.5-0.350.35-0.250.25-0.15砂的分区及级配范围砂孔尺寸(mm)级 配 区Ⅰ 区Ⅱ 区Ⅲ 区累 计 筛 余(%)10.000005.0010-010-010-02.5035-525-015-01.2565-3550-1025-00.6385-7170-4140-160.31598-8092-7185-550.16100-90100-90100-90杂质含砂中杂质最大含量项次项目≧30#混凝土<30#混凝土1含泥量(%)≦3≦52母云含量(%)≦2骨量3轻物含量(%)≦14硫化物及硫酸盐折算为 SO3(%)≦15有机含量(用比色法实验)颜色不应深于标准色,如深于标准色,应以水泥砂浆进行抗压强度对比实验,加以复核。压碎值砂的软弱颗粒较多时进行压碎值实验,≧30#的混凝土压碎石值指标>35%;<30#的混凝土,压碎值≦50%,每一料场做一次,并根据监理指示进行复验。坚固性当监理有怀疑时,用硫酸钠进行 5 次循环实验,质量损失≦10%。公路工程原材料质量标准检测频率汇总表项目指标 频率 规定技术法律规范混粗级配级配情况公称粒径累计筛余(按质量百分率计)JTJ041-2025《 公 路桥 涵 施工 技 术法 律 规范》园孔筛筛孔尺寸(mm)2.551010202531.540506380100连续级配5-1095-1008-1000-150————————5-1695-10090-10030-600-100———————5-2095-10090-10040-70—0-100——————5-2595-10090-100—30-70—0-50—————5-31.595-10090-10070-90—15-45—0-50————5-40—95-10075-90—30-60——0-50———单粒级配10-20—95-10085-100—0-150——————16-31.5—95-100—85-100...

1、当您付费下载文档后,您只拥有了使用权限,并不意味着购买了版权,文档只能用于自身使用,不得用于其他商业用途(如 [转卖]进行直接盈利或[编辑后售卖]进行间接盈利)。
2、本站所有内容均由合作方或网友上传,本站不对文档的完整性、权威性及其观点立场正确性做任何保证或承诺!文档内容仅供研究参考,付费前请自行鉴别。
3、如文档内容存在违规,或者侵犯商业秘密、侵犯著作权等,请点击“违规举报”。

碎片内容

公路工程原材料质量标准检测频率汇总表

您可能关注的文档

人从众+ 关注
实名认证
内容提供者

欢迎光临小店,本店以公文和教育为主,希望符合您的需求。

确认删除?
VIP
微信客服
  • 扫码咨询
会员Q群
  • 会员专属群点击这里加入QQ群
客服邮箱
回到顶部