电脑桌面
添加小米粒文库到电脑桌面
安装后可以在桌面快捷访问

制程检验作业控制流程VIP专享

制程检验作业控制流程_第1页
1/7
制程检验作业控制流程_第2页
2/7
制程检验作业控制流程_第3页
3/7
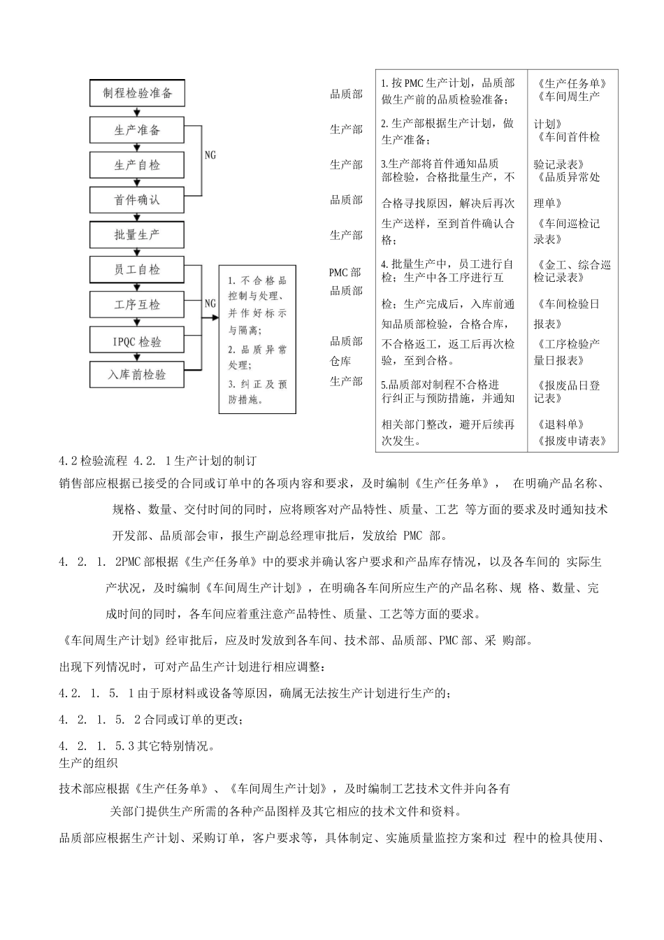
注:1. 该流程/制度负责人为品质部经理,负责维护流程/制度的运行、检查、培训指导、问 题点收集、处理。2. 本制度由督导办负责督导、处理;3. 在运行过程中遇到运作不畅等情况时,请通知品质部。4. 与管理变革前文件有冲突时,一律依本文件执行。文件更改一览表版本更改内容更改日期更改人评 审 栏部门会签部门会签1.0 目的对生产过程中影响产品质量的各个因素进行控制,确保产品质量满足规定要求,特制订 本流程。2.0 适用范围本流程适用于生产过程中对产品质量有影响的各因素的控制。3.0 职责3.1 生产部负责产品生产过程中各环节的全面质量控制及设备、工装的总体控制,品质异常责 任部门负责在一个工作日内处理完毕,否则部门负责人承担同等质量损失责任。3.2 销售部负责客户对质量要求的沟通并及时将客户对质量的要求书面通知生产部、品质部。3.3 技术部负责生产所需的各类工艺技术文件(产品规格书、作业指导书等)和资料的编制及 提供;3.4 品质部负责生产过程中各环节产品质量的检验、试验和检验标准(包装检验标准、注塑检验标 准等)的编制。3.5 相关采购人员负责生产所需的各类物资的采购质量。3.6 副总经理负责生产过程中各项质量活动的组织、计划、协调和管理。3.7 总经理负责生产过程中影响生产质量的各项资源的配置。3.8 各车间、仓库负责各项生产过程中质量控制活动的具体实施。4.0 制程检验流程4.1 制程检验流程图作业流程责任人/部 门作业内容使用表单4.2 检验流程 4.2. 1 生产计划的制订销售部应根据已接受的合同或订单中的各项内容和要求,及时编制《生产任务单》, 在明确产品名称、规格、数量、交付时间的同时,应将顾客对产品特性、质量、工艺 等方面的要求及时通知技术开发部、品质部会审,报生产副总经理审批后,发放给 PMC 部。4. 2. 1. 2PMC 部根据《生产任务单》中的要求并确认客户要求和产品库存情况,以及各车间的 实际生产状况,及时编制《车间周生产计划》,在明确各车间所应生产的产品名称、规 格、数量、完成时间的同时,各车间应着重注意产品特性、质量、工艺等方面的要求。《车间周生产计划》经审批后,应及时发放到各车间、技术部、品质部、PMC 部、采 购部。出现下列情况时,可对产品生产计划进行相应调整:4.2. 1. 5. 1 由于原材料或设备等原因,确属无法按生产计划进行生产的;4. 2. 1. 5. 2 合同或订单的更改;4. 2. 1. 5.3 其它特别情况。生产的...

1、当您付费下载文档后,您只拥有了使用权限,并不意味着购买了版权,文档只能用于自身使用,不得用于其他商业用途(如 [转卖]进行直接盈利或[编辑后售卖]进行间接盈利)。
2、本站所有内容均由合作方或网友上传,本站不对文档的完整性、权威性及其观点立场正确性做任何保证或承诺!文档内容仅供研究参考,付费前请自行鉴别。
3、如文档内容存在违规,或者侵犯商业秘密、侵犯著作权等,请点击“违规举报”。

碎片内容

制程检验作业控制流程

确认删除?
VIP
微信客服
  • 扫码咨询
会员Q群
  • 会员专属群点击这里加入QQ群
客服邮箱
回到顶部