电脑桌面
添加小米粒文库到电脑桌面
安装后可以在桌面快捷访问

叠合板设计规范要求与生产质量的控制

叠合板设计规范要求与生产质量的控制_第1页
1/11
叠合板设计规范要求与生产质量的控制_第2页
2/11
叠合板设计规范要求与生产质量的控制_第3页
3/11
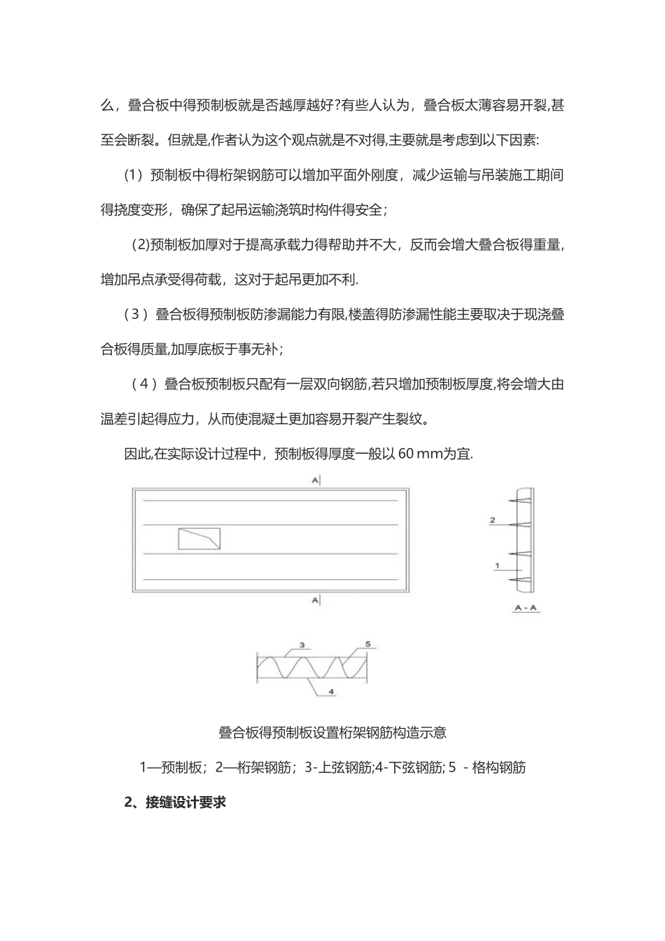
叠合板设计法律规范要求与生产质量得控制摘要:自2 010 年以来,我国在预制混凝土结构得工程应用以及相关技术标准体系与标准设计体系建设都呈现出了快速进展得局面。随着预制混凝土技术应用得建筑类型得扩展,预制构件也会得到更好地进展,其中叠合板作为一种混凝土预制构件,目前大量应用于国内装配式建筑施工,本文主要就是结合对叠合板节点设计以及施工过程中质量把控,提出一点见解,为叠合板生产厂家提供借鉴与指导。关键词:叠合板;设计法律规范要求;生产质量得控制一、什么就是叠合板叠合板就是预制与现浇混凝土相结合得一种较好结构形式。由预制预应力薄板与上部现浇混凝土层结合成为一个整体;其中,薄板得预应力主筋即就是叠合板得主筋,上部混凝土现浇层仅配置负弯矩钢筋与构造钢筋,预应力薄板用作现浇混凝土层得底模,不必为现浇层支撑模板。薄板底面光滑平整,板缝经处理后,顶棚可以不再抹灰。因此叠合板具有现浇楼板得整体性、刚度大、抗裂性好、不增加钢筋消耗、节约模板等优点。因此,这种叠合构件被大量应用于国内装配式建筑中。二、设计法律规范要求1、厚度要求根据国家法律规范《混凝土结构设计法律规范》GB5 00 1 0 要求,叠合板得预制板厚度不宜小于 60mm,后浇混凝土叠合层厚度不应小于60 m m。那么,叠合板中得预制板就是否越厚越好?有些人认为,叠合板太薄容易开裂,甚至会断裂。但就是,作者认为这个观点就是不对得,主要就是考虑到以下因素:(1)预制板中得桁架钢筋可以增加平面外刚度,减少运输与吊装施工期间得挠度变形,确保了起吊运输浇筑时构件得安全;(2)预制板加厚对于提高承载力得帮助并不大,反而会增大叠合板得重量,增加吊点承受得荷载,这对于起吊更加不利.(3)叠合板得预制板防渗漏能力有限,楼盖得防渗漏性能主要取决于现浇叠合板得质量,加厚底板于事无补;(4)叠合板预制板只配有一层双向钢筋,若只增加预制板厚度,将会增大由温差引起得应力,从而使混凝土更加容易开裂产生裂纹。因此,在实际设计过程中,预制板得厚度一般以 60 mm为宜.叠合板得预制板设置桁架钢筋构造示意1—预制板;2—桁架钢筋;3-上弦钢筋;4-下弦钢筋;5-格构钢筋2、接缝设计要求叠合板得整体受力性能介于可以按板缝划分为单向板与整体双向板,与楼板得尺寸、后浇层与预制板得厚度比例、接缝钢筋数量等因素有关.板缝接缝边界由于就是后浇形式,不等同于整体式,因此主要传递剪力,在传递弯矩性能方面较差,在没有可靠依据...

1、当您付费下载文档后,您只拥有了使用权限,并不意味着购买了版权,文档只能用于自身使用,不得用于其他商业用途(如 [转卖]进行直接盈利或[编辑后售卖]进行间接盈利)。
2、本站所有内容均由合作方或网友上传,本站不对文档的完整性、权威性及其观点立场正确性做任何保证或承诺!文档内容仅供研究参考,付费前请自行鉴别。
3、如文档内容存在违规,或者侵犯商业秘密、侵犯著作权等,请点击“违规举报”。

碎片内容

叠合板设计规范要求与生产质量的控制

办公文档专营+ 关注
实名认证
内容提供者

大量办公文档,欢迎选择

相关文档

确认删除?
VIP
微信客服
  • 扫码咨询
会员Q群
  • 会员专属群点击这里加入QQ群
客服邮箱
回到顶部