电脑桌面
添加小米粒文库到电脑桌面
安装后可以在桌面快捷访问

可焊性常规试验规范标准

可焊性常规试验规范标准_第1页
1/7
可焊性常规试验规范标准_第2页
2/7
可焊性常规试验规范标准_第3页
3/7
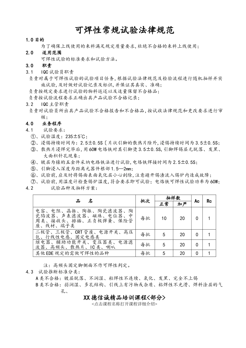
可焊性常规试验法律规范1.0 目的为了确保上线使用的来料满足规定质量要求,杜绝不合格的来料上线使用;2.0 适用范围可焊性试验的标准要求和试验方法。3.0 职责3.1 IQC 试验员职责 负责对属于可焊性试验的试验项目任务,根据试验法律规范及检验流程进行随机抽样并实施试验,及时做好试验记录及标识,并保证其真实、准确; 负责按规定要求进行试验的物料返还以及适量保留不合格品; 负责按试验流程要求正确出具产品试验不合格记录;3.2 IQC 主管职责 负责对试验员所出具产品试验不合格报告和不合格品,按试收法律规范和更改要求进行审核;4.0 业务程序4.1 试验要求:①、试验温度:235±5℃;②、浸锡持续时间为:2.5±0.5S〔片状引脚的散热片除外,浸锡持续时间为 3.5±0.5S;③、散热片浸焊完毕后,用 60W 电烙铁对其引脚烫 3.5±0.5S,引脚焊锡层无脱落、发黑、大面积针孔现象;④、镀层为镍的五金件采纳电路铁法进行试验,电烙铁焊接时间为 2.5±0.5S;⑤、引脚浸入深度为距离元器件根部 1.5—2mm;⑥、试验前,应及时将锡面表面氧化层小心刮除,注意避开锡渣流入锡炉内造成故障;⑦、试验前,用温度计检查锡炉温度,符合要求即可试验;电烙铁可焊性试验功率为 60W;4.2 试验品种及抽样方案: 注:高频头固定脚侧面不作可焊性判定。4.3 试验推断标准分类:A 类不合格:镀层脱落、不润湿、粘焊性不连续、氧化、发黑、完全不上锡B 类不合格:弱润湿、多孔结构、引线上有污物或杂质、粘焊性不光滑、焊料涂层的气孔、XX 德信诚精品培训课程<部分><点击课程名称打开课程详细介绍>品 名批次抽样数AcRc正常加严电容、电阻、晶振、陶振、陶瓷滤波器、陶瓷陷波器、声表滤波器、磁珠、电位器、中周类、接收头、排插、正负极弹簧、保险管座、线材、端子类每批102001二极管、三极管、CRT 管座、电源开关、高压包、行线性电感、固定电感类每批52001继电器、辅助功能开关、变压器类、电源滤波器、高频头、散热片、IC 类、喇叭每批52001其他 EDE 规定的需做可焊性的品种每批52001内审员系列培训课程 查看详情A01 ISO9001:2025 内审员培训班A02 ISO14001:2025 内审员培训班A03 ISO/TS16949:2025 内审员培训A04 OHSAS18001:2025 标准理解及内审员培训A05 IECQ-HSPM QC080000 内审员培训A06 ISO13485:2025 医疗器械质量体系内审员培训A07 SA8000 社会责任内审员培训A08 ICTI 玩具商业行为守...

1、当您付费下载文档后,您只拥有了使用权限,并不意味着购买了版权,文档只能用于自身使用,不得用于其他商业用途(如 [转卖]进行直接盈利或[编辑后售卖]进行间接盈利)。
2、本站所有内容均由合作方或网友上传,本站不对文档的完整性、权威性及其观点立场正确性做任何保证或承诺!文档内容仅供研究参考,付费前请自行鉴别。
3、如文档内容存在违规,或者侵犯商业秘密、侵犯著作权等,请点击“违规举报”。

碎片内容

可焊性常规试验规范标准

您可能关注的文档

确认删除?
VIP
微信客服
  • 扫码咨询
会员Q群
  • 会员专属群点击这里加入QQ群
客服邮箱
回到顶部