电脑桌面
添加小米粒文库到电脑桌面
安装后可以在桌面快捷访问

基础外贴式、中埋式防水工程技术交底

基础外贴式、中埋式防水工程技术交底_第1页
1/8
基础外贴式、中埋式防水工程技术交底_第2页
2/8
基础外贴式、中埋式防水工程技术交底_第3页
3/8
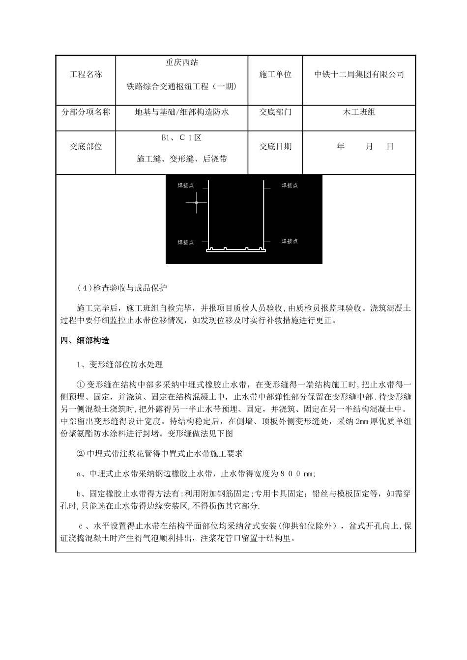
工程名称重庆西站铁路综合交通枢纽工程(一期)施工单位中铁十二局集团有限公司分部分项名称地基与基础/细部构造防水交底部门木工班组交底部位B1、C 1 区施工缝、变形缝、后浇带交底日期 年 月 日交底内容:一、施工准备1、作业条件:(1)变形缝铺贴橡胶止水带得部位基层清理完毕。(2)采纳得止水带应有产品合格证书与性能检验报告,材料得品种、规格、性能等应符合现行国家产品标准与设计要求。2、材料准备中埋式止水带、外贴式止水带、橡胶专用胶等。3、主要机具:裁刀、补胎锉、止水带专用胶粘剂。二、质量要求1、主控项目:(1)施工缝、变形缝防水构造必须符合设计要求.检验方法:观察检查与检查隐蔽工程验收记录。(2)变形缝用止水带、填缝材料与密封材料必须符合设计要求。检验方法:检查产品合格证、产品性能检测报告与材料进场检验报告.(3)中埋式止水带埋设位置应准确,其中间空心圆环与变形缝得中心线应重合。检验方法:观察检查与检查隐蔽工程验收记录。2、一般项目:(1)中埋式止水带得接缝应设在边墙较高位置上,不得设在结构转角处;接头宜采纳热压焊接,接缝应平整、牢固,不得有裂口与脱胶现象。检验方法:观察检查与检查隐蔽工程验收记录。工程名称重庆西站铁路综合交通枢纽工程(一期)施工单位中铁十二局集团有限公司分部分项名称地基与基础/细部构造防水交底部门木工班组交底部位B1、C 1 区施工缝、变形缝、后浇带交底日期 年 月 日(2)嵌填密封材料得缝内两侧基面应平整、洁净、干燥,并应涂刷基层处理剂;嵌缝底部应设置背衬材料;密封材料嵌填应严密、连续、饱满,粘结牢固。检验方法:观察检查与检查隐蔽工程验收记录。(3)中埋式止水带及外贴式止水带埋设位置应准确,固定应牢靠.检验方法,观察检查与检查隐蔽工程验收记录.(4)中埋式止水带在转弯处应做成圆弧形;顶板、底板内止水带应安装成盆状,并宜采纳专用钢筋套或扁钢固定. 检验方法:观察检查与检查隐蔽工程验收记录。三、工艺流程变形缝、后浇带、施工缝橡胶止水带工艺流程橡胶止水带定位→接头处理→固定→检查验收(1)橡胶止水带定位:将橡胶止水带根据现场实际需要长度进行下料,在需要铺贴橡胶止水带位置根据施工图纸要求弹出相应位置线,止水带得宽度范围内以变形缝为中线,两侧各埋入1/2 宽。中埋式橡胶止水带埋置于底板、外墙及顶板变形缝得中部,外贴式橡胶止水带用于底板底部及外墙外侧变形缝处。(2)橡胶止水带接头橡胶专用胶接法止水带两头橡胶...

1、当您付费下载文档后,您只拥有了使用权限,并不意味着购买了版权,文档只能用于自身使用,不得用于其他商业用途(如 [转卖]进行直接盈利或[编辑后售卖]进行间接盈利)。
2、本站所有内容均由合作方或网友上传,本站不对文档的完整性、权威性及其观点立场正确性做任何保证或承诺!文档内容仅供研究参考,付费前请自行鉴别。
3、如文档内容存在违规,或者侵犯商业秘密、侵犯著作权等,请点击“违规举报”。

碎片内容

基础外贴式、中埋式防水工程技术交底

一二三四传媒+ 关注
实名认证
内容提供者

大量资料供您选择,没有合适的可以联系小二。

确认删除?
VIP
微信客服
  • 扫码咨询
会员Q群
  • 会员专属群点击这里加入QQ群
客服邮箱
回到顶部