电脑桌面
添加小米粒文库到电脑桌面
安装后可以在桌面快捷访问

墩柱施工方案2

墩柱施工方案2_第1页
1/14
墩柱施工方案2_第2页
2/14
墩柱施工方案2_第3页
3/14
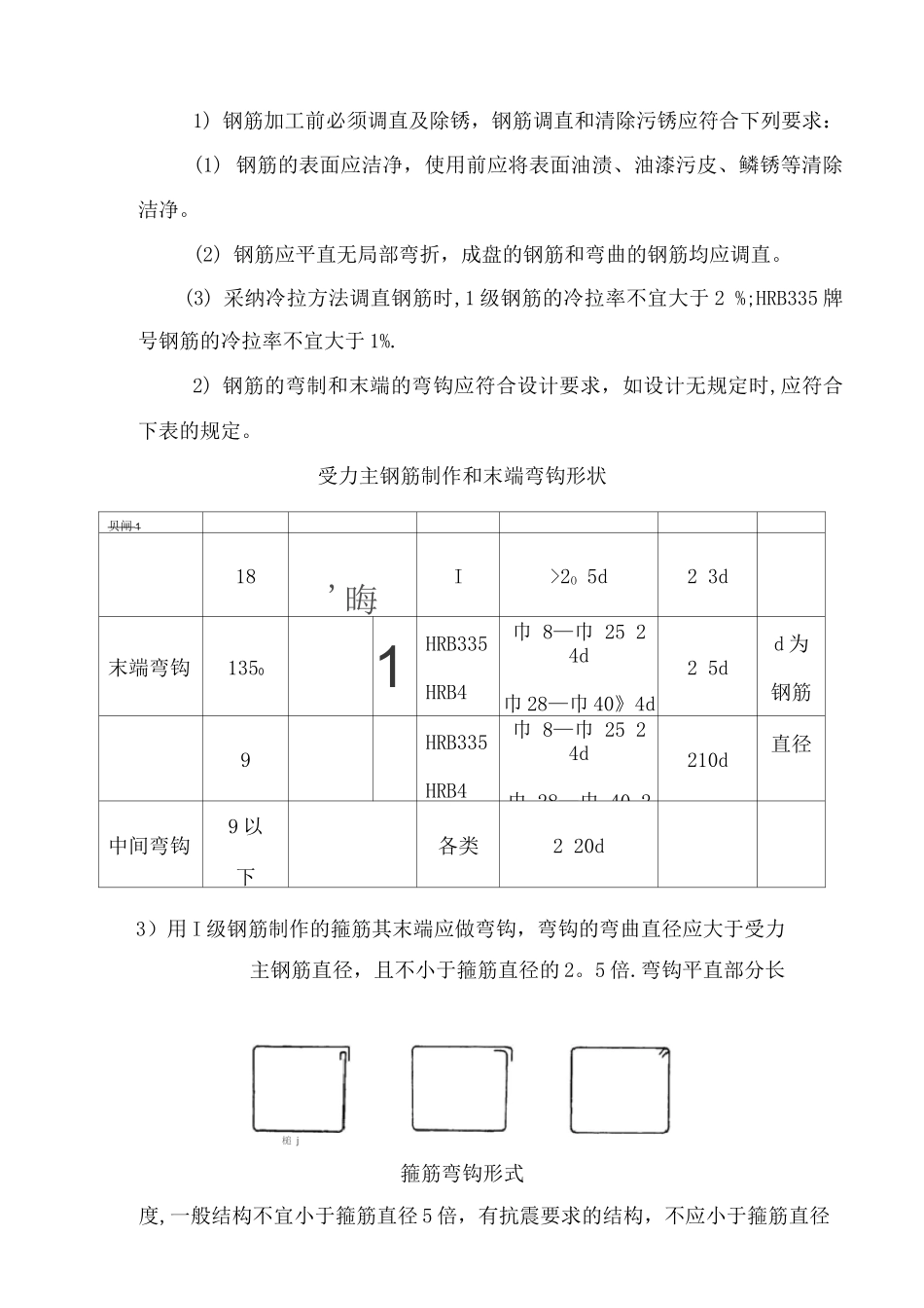
墩柱施工方案二、墩柱施工方法2.1、工艺原理通过采纳定型组合钢模配合碗扣式支架作为临时支撑,对模板进行加固支撑,以保证模稳定性,达到设计及法律规范要求。墩身采纳大块钢模板施工,实体墩一次浇筑混凝土,墩身垂直度的允许误差为 1 /10,且最大不超过 20mm。2。2、施工工艺流程2。2。1 施工工艺流程如图所示:桥梁墩台施工流程框图2。2.2 施工准备(1)对承台顶面砼进行清洁、凿毛,凿除浮浆,清理墩身预埋钢筋,并按设计要求进行整型。(2) 根据图纸及设计法律规范要求,精确地定位出墩身的平面位置。2。2.3 模板的制作及安装采纳定型组装钢模,在工厂加工制作,模板面用 5mm 厚钢板,外以角钢竖向肋和横向钢板围带加固,骨架钢板之间电焊焊接,钢模之间以螺栓联结。模板板面之间应平整,接缝严密,不漏浆,保证结构外露面美观,线条流畅。支架采纳钢管脚手架,模板吊装就位后,用*10 钢丝绳拉纤,并用花蓉螺栓调整模板的垂直度,同时用碗扣式支架作为临时支撑,对模板进行加固支撑,以保证模板的稳定性。墩台模板允许偏差和检验方法序号项 目允许偏差(mm)检验方法1前后、左右距中心线尺寸±10测量检查每边不少于 2 处2表面平整度31m 靠尺检查不少于 5 处3相邻模板错台1尺量检查不少于 5 处4空心墩壁厚±3尺量检查不少于 5 处5同一梁端两垫石高差2测量检查6墩台支承垫石顶面高程0, —5水平仪测量7预埋铁件和预留孔位置5纵横两向尺量检查加工好后运到现场采纳吊车安装,模板组装前,在基础顶面放出墩台中线及墩台实样,并对连接面的浮浆、泥土等清除洁净.2. 2。4 钢筋加工及安装一、钢筋的加工1) 钢筋加工前必须调直及除锈,钢筋调直和清除污锈应符合下列要求:(1) 钢筋的表面应洁净,使用前应将表面油渍、油漆污皮、鳞锈等清除洁净。(2) 钢筋应平直无局部弯折,成盘的钢筋和弯曲的钢筋均应调直。(3) 采纳冷拉方法调直钢筋时,1 级钢筋的冷拉率不宜大于 2 %;HRB335 牌号钢筋的冷拉率不宜大于 1%.2) 钢筋的弯制和末端的弯钩应符合设计要求,如设计无规定时,应符合下表的规定。受力主钢筋制作和末端弯钩形状贝闸 118'晦I>2O 5d2 3d末端弯钩13501HRB335HRB4巾 8—巾 25 2 4d巾 28—巾 40》4d2 5dd 为钢筋9HRB335HRB4巾 8—巾 25 2 4d巾 28—巾 40 2 210d直径中间弯钩9 以下各类2 20d3)用 I 级钢筋制作的箍筋其末端应做弯钩,弯钩的弯曲直径应大于受力主钢筋直径,且不小于箍筋直径的 2。5...

1、当您付费下载文档后,您只拥有了使用权限,并不意味着购买了版权,文档只能用于自身使用,不得用于其他商业用途(如 [转卖]进行直接盈利或[编辑后售卖]进行间接盈利)。
2、本站所有内容均由合作方或网友上传,本站不对文档的完整性、权威性及其观点立场正确性做任何保证或承诺!文档内容仅供研究参考,付费前请自行鉴别。
3、如文档内容存在违规,或者侵犯商业秘密、侵犯著作权等,请点击“违规举报”。

碎片内容

墩柱施工方案2

您可能关注的文档

确认删除?
VIP
微信客服
  • 扫码咨询
会员Q群
  • 会员专属群点击这里加入QQ群
客服邮箱
回到顶部