电脑桌面
添加小米粒文库到电脑桌面
安装后可以在桌面快捷访问

大理石、磨光花岗岩饰面施工工艺标准

大理石、磨光花岗岩饰面施工工艺标准_第1页
1/20
大理石、磨光花岗岩饰面施工工艺标准_第2页
2/20
大理石、磨光花岗岩饰面施工工艺标准_第3页
3/20
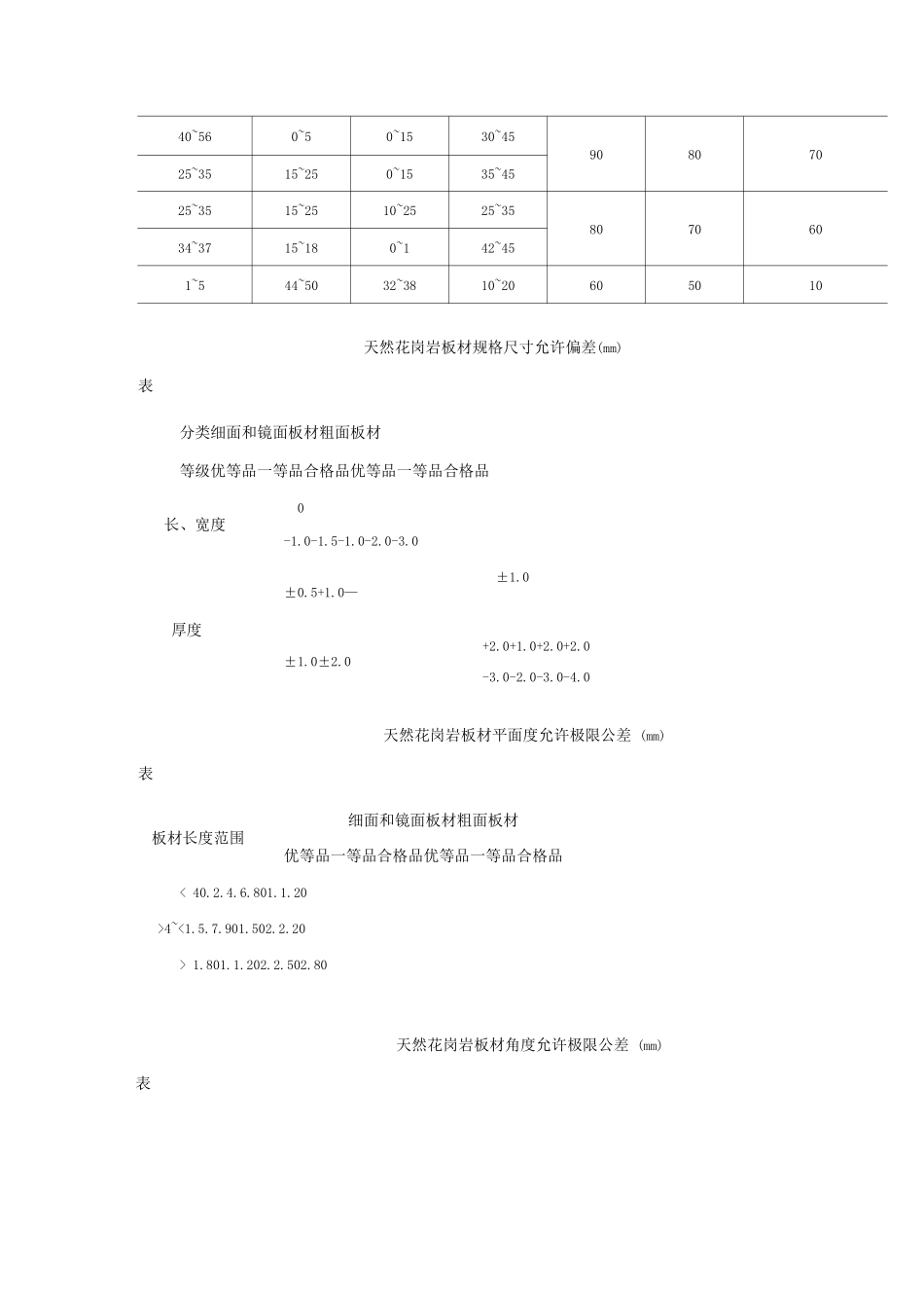
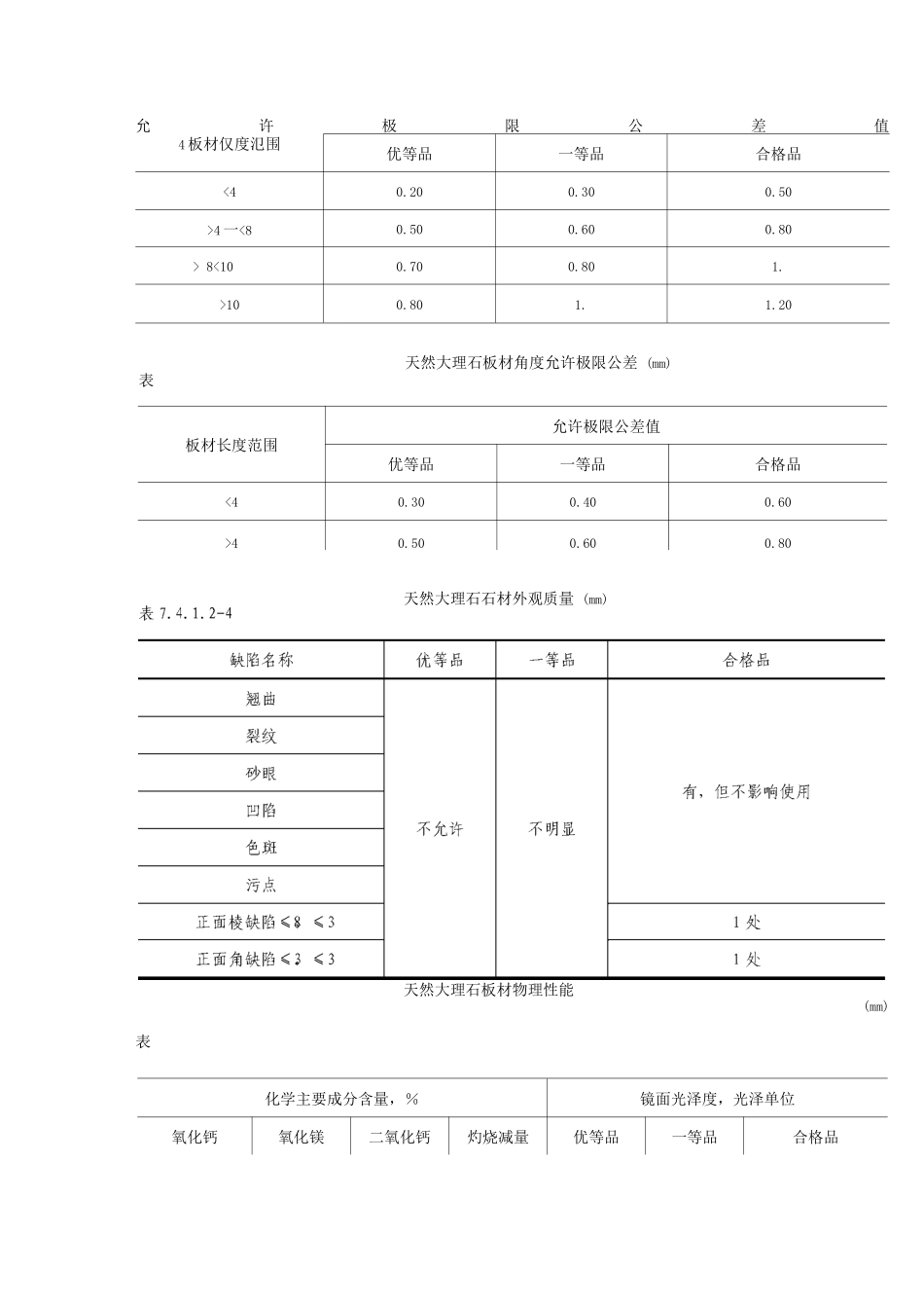
大理石、磨光花岗岩饰面施工工艺标准施工准备技术准备编制室内外墙面、柱面和门窗套的大理石、磨光花岗石饰面板装饰工程施工方案,并对工人进行书面技术及安全交底。材料准备(1)水泥:32.5 级普通硅酸盐水泥应有出厂证明、试验单,若出厂超过三个月应按试验结果使用。(2)白水泥:32.5 级白水泥。(3)砂子:粗砂或中砂,用前过筛。(4)大理石、磨光花岗岩:根据设计图纸要求的规格、颜色等备料。但表面不得有隐伤、风化等缺陷。不宜用易褪色的材料包装。(5)其他材料:如熟石膏、铜丝或镀锌铅丝、铅皮、硬塑料板条、配套挂件;尚应配备适量与大理石或磨光花岗岩等颜色接近的各种石渣和矿物颜料;胶和填塞饰面板缝隙的专用塑料软管等。(6)质量要求:见表 7.4.1.£~9。天然大理石板材规格尺寸允许偏差 (mm)天然大理石板材平面度允许极限公差 (mm)表 允许极限公差值4 板材仅度氾围优等品一等品合格品<40.200.300.50>4 一<80.500.600.80> 8<100.700.801.>100.801.1.20天然大理石板材角度允许极限公差 (mm)表 板材长度范围允许极限公差值优等品一等品合格品<40.300.400.60>40.500.600.80天然大理石石材外观质量 (mm)天然大理石板材物理性能(mm)表 化学主要成分含量,%镜面光泽度,光泽单位氧化钙氧化镁二氧化钙灼烧减量优等品一等品合格品40~560~50~1530~4590807025~3515~250~1535~4525~3515~2510~2525~3580706034~3715~180~142~451~544~5032~3810~20605010天然花岗岩板材规格尺寸允许偏差(mm)表 分类细面和镜面板材粗面板材等级优等品一等品合格品优等品一等品合格品0长、宽度-1.0-1.5-1.0-2.0-3.0±1.0±0.5+1.0—厚度+2.0+1.0+2.0+2.0±1.0±2.0-3.0-2.0-3.0-4.0天然花岗岩板材平面度允许极限公差 (mm)表 细面和镜面板材粗面板材板材长度范围优等品一等品合格品优等品一等品合格品< 40.2.4.6.801.1.20>4~<1.5.7.901.502.2.20> 1.801.1.202.2.502.80天然花岗岩板材角度允许极限公差 (mm)表 天然花岗岩板材外观质量 (mm)表 名称规定内容优等品一等品合格品缺棱长度不超过 10mm (长度小于 5mm 不计),周边每米长(个)不允许12缺角面积不超过 5mmx2mm (面积小于 2mmx2mm 不计),每块板(个)裂纹长度不超过两端顺延至板边总长度的 1/10(长度小于 20mm 的不计)每块板(个)色斑面积不超过 20mmx30mm (面积小于 15mmM5mm不计)每块板(个)色线长度不超过两端顺延至板边总长度的 1/10(长度小...

1、当您付费下载文档后,您只拥有了使用权限,并不意味着购买了版权,文档只能用于自身使用,不得用于其他商业用途(如 [转卖]进行直接盈利或[编辑后售卖]进行间接盈利)。
2、本站所有内容均由合作方或网友上传,本站不对文档的完整性、权威性及其观点立场正确性做任何保证或承诺!文档内容仅供研究参考,付费前请自行鉴别。
3、如文档内容存在违规,或者侵犯商业秘密、侵犯著作权等,请点击“违规举报”。

碎片内容

大理石、磨光花岗岩饰面施工工艺标准

您可能关注的文档

确认删除?
VIP
微信客服
  • 扫码咨询
会员Q群
  • 会员专属群点击这里加入QQ群
客服邮箱
回到顶部