电脑桌面
添加小米粒文库到电脑桌面
安装后可以在桌面快捷访问

安1-18各管理岗位安全生产责任制考核表

安1-18各管理岗位安全生产责任制考核表_第1页
1/10
安1-18各管理岗位安全生产责任制考核表_第2页
2/10
安1-18各管理岗位安全生产责任制考核表_第3页
3/10
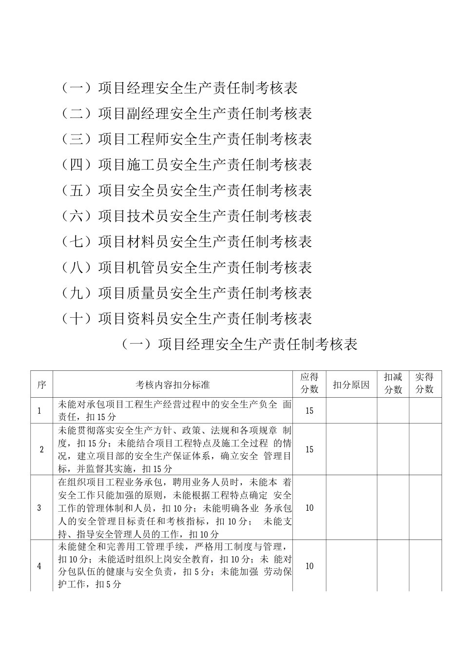
(一)项目经理安全生产责任制考核表(二)项目副经理安全生产责任制考核表(三)项目工程师安全生产责任制考核表(四)项目施工员安全生产责任制考核表(五)项目安全员安全生产责任制考核表(六)项目技术员安全生产责任制考核表(七)项目材料员安全生产责任制考核表(八)项目机管员安全生产责任制考核表(九)项目质量员安全生产责任制考核表(十)项目资料员安全生产责任制考核表(一)项目经理安全生产责任制考核表序考核内容扣分标准应得分数扣分原因扣减分数实得分数1未能对承包项目工程生产经营过程中的安全生产负全 面责任,扣 15 分152未能贯彻落实安全生产方针、政策、法规和各项规章 制度,扣 15 分;未能结合项目工程特点及施工全过程 的情况,建立项目部的安全生产保证体系,确立安全 管理目标,并监督其实施,扣 15 分153在组织项目工程业务承包,聘用业务人员时,未能本 着安全工作只能加强的原则,未能根据工程特点确定 安全工作的管理体制和人员,扣 10 分;未能明确各业 务承包人的安全管理目标责任和考核指标,扣 10 分; 未能支持、指导安全管理人员的工作,扣 10 分104未能健全和完善用工管理手续,严格用工制度与管理, 扣 10 分;未能适时组织上岗安全教育,扣 10 分;未 能对分包队伍的健康与安全负责,扣 5 分;未能加强 劳动保护工作,扣 5 分105未能组织落实实施施工组织设计中的安全技术措施, 扣10 分;未能组织并监督项目工程施工中安全技术交 底制度和设备、设施验收制度的实施,扣 10 分106未能领导、组织实施现场定期的安全生产检查,扣 10 分;发现施工生产中不安全问题,未能组织制度措施, 及时解决,扣 10 分;未能对上级提出的安全生产与管 理方面的问题,定时、定人、定措施予以解决,扣 5 分107未能适时组织对工程项目部的安全生产保证体系进行 安全评估,扣 10 分;未能组织人员落实安全措施,扣 10 分108未能主持参加安全生产保证体系的内审,扣 10 分;未 能积极配合外审认证机构的审核工作,扣 10 分109未定期召开项目部安全生产领导小组会议,扣 5 分; 未能加强员工的安全培训教育,扣 5 分510发生事故,未能做好现场保护与抢救工作,扣 5 分; 未及时上报,扣 5 分;未组织配合事故的调查,扣 5 分;未仔细落实制定的防护措施,吸取事故教训,扣 5 分5合 计1注:1、每个季度进行安全生产责任制考核。2、考核分在 85 分...

1、当您付费下载文档后,您只拥有了使用权限,并不意味着购买了版权,文档只能用于自身使用,不得用于其他商业用途(如 [转卖]进行直接盈利或[编辑后售卖]进行间接盈利)。
2、本站所有内容均由合作方或网友上传,本站不对文档的完整性、权威性及其观点立场正确性做任何保证或承诺!文档内容仅供研究参考,付费前请自行鉴别。
3、如文档内容存在违规,或者侵犯商业秘密、侵犯著作权等,请点击“违规举报”。

碎片内容

安1-18各管理岗位安全生产责任制考核表

范哲铺+ 关注
实名认证
内容提供者

想你所想,急你所急,你需要的都在店铺里可以找到。

确认删除?
VIP
微信客服
  • 扫码咨询
会员Q群
  • 会员专属群点击这里加入QQ群
客服邮箱
回到顶部