电脑桌面
添加小米粒文库到电脑桌面
安装后可以在桌面快捷访问

巧用地下室基础底板作为塔吊基础

巧用地下室基础底板作为塔吊基础_第1页
1/4
巧用地下室基础底板作为塔吊基础_第2页
2/4
巧用地下室基础底板作为塔吊基础_第3页
3/4
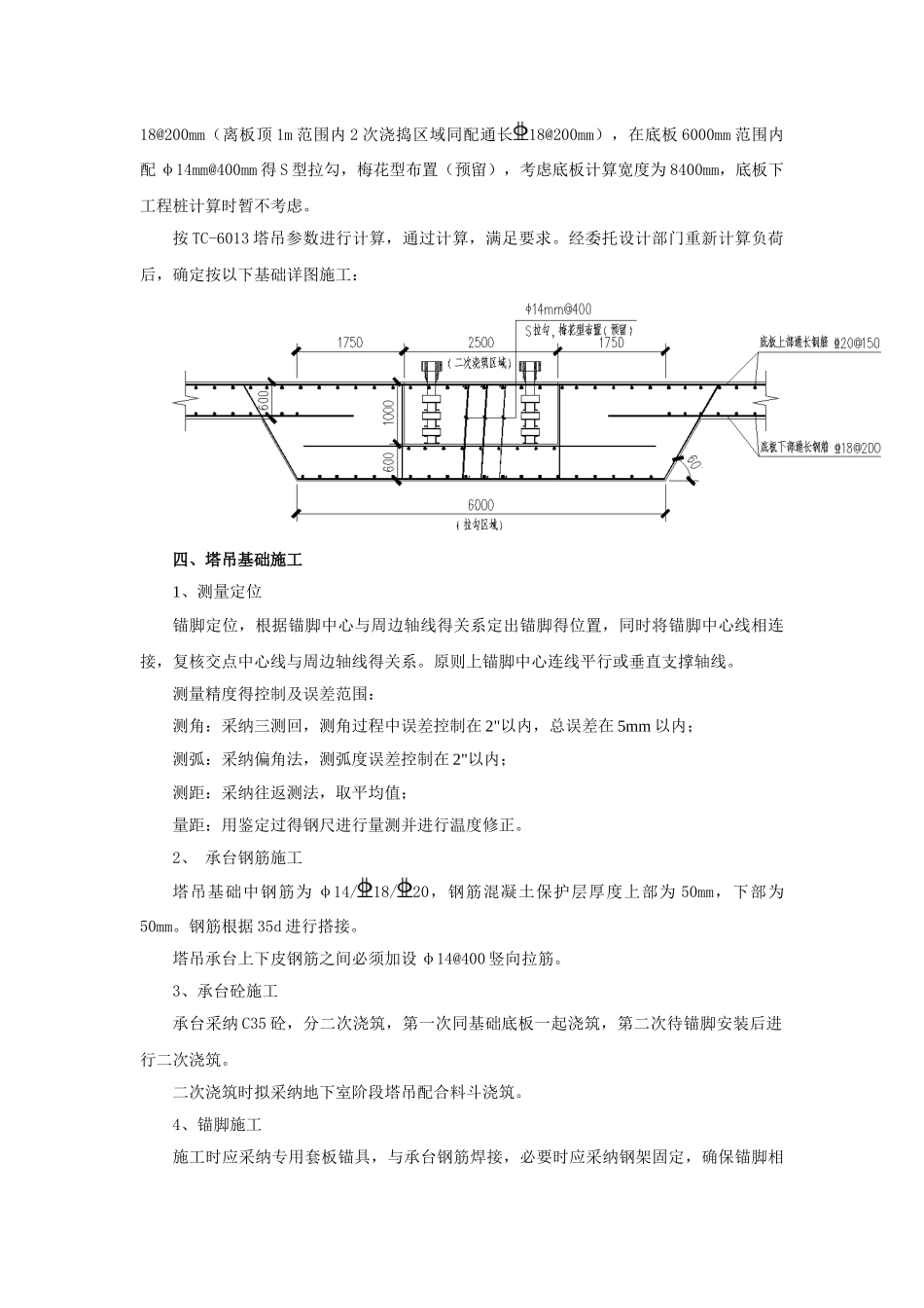
巧用地下室基础底板作为塔吊基础冯荣华摘要:本文详细介绍了地下室基础底板作为塔吊基础得设计与施工,并以东航金叶苑2#地块工程为例,针对工程得特点,标段得划分,为塔吊基础设置于基础底板制造了条件在施工时采纳地下室底板钢筋贯穿塔吊基础承台,极大节约了材料费与人工费,促进了工程建设得可持续进展,采纳塔吊基础承台与地下室基础连为一体,极大保证了塔吊得安全性与可靠性,本文献为分标段、分阶段施工得工程对于塔吊基础形式得选择提供参考与借鉴。关键词:塔吊;基础;底板;留洞一、工程概况东航金叶苑 2#地块工程由 10 幢 21~24 层住宅楼,及一个地下车库组成,该工程共划分为 4 个标段(地下车库标段+号房地上部分 3 个标段),由于该 4 个标段就是分开招标得,在地下车库标段中标后,由于不明确后续标段就是否中标得情况下,如何合理配置塔吊成为关键。二、设计构想由于目前中标得仅为地下车库标段,上部结构就是否中标及开工日期均不明确,故考虑塔吊分地下、地上两个阶段布置,地下车库阶段塔吊待地下车库顶板完成后拆除。塔吊分阶段布置目得:1、 分阶段布置塔吊可减少地下车库施工阶段塔吊数量,大幅减少塔吊租赁时间。2、分阶段布置塔吊后,可在确保地下施工阶段材料运输得同时,为上部结构塔吊基础形式得优化提供可能,充分利用结构工程桩及结构底板作为塔吊基础,并考虑到后续施工单位使用不同型号塔吊而设置了二次浇筑区。三、塔吊基础设计设计原则:计算原设计底板结构在静荷载、动荷载与弯矩等作用下得强度、刚度与抗裂性能,当计算不满足时,对基础得宽度及厚度进行加强。由于该塔吊仅供上部结构使用,地下室施工阶段不使用,根据现场得场地条件与《岩土工程勘察报告》,塔吊基础设置在基础底板上,为板式无桩承台基础;根据塔机埋脚深度,承台按板式考虑,承台总高度为 1、6M(600mm 为底板厚,1600mm 为基础厚度),具体做法如下:后期塔吊锚脚位置预留深坑,待安装完锚脚后进行二次浇筑,基础承台范围宽6000mm,侧边与水平成 60°,配筋按原底板上部配通长20@150mm,下部配通长18@200mm(离板顶 1m 范围内 2 次浇捣区域同配通长18@200mm),在底板 6000mm 范围内配 φ14mm@400mm 得 S 型拉勾,梅花型布置(预留),考虑底板计算宽度为 8400mm,底板下工程桩计算时暂不考虑。按 TC-6013 塔吊参数进行计算,通过计算,满足要求。经委托设计部门重新计算负荷后,确定按以下基础详图施工:四、...

1、当您付费下载文档后,您只拥有了使用权限,并不意味着购买了版权,文档只能用于自身使用,不得用于其他商业用途(如 [转卖]进行直接盈利或[编辑后售卖]进行间接盈利)。
2、本站所有内容均由合作方或网友上传,本站不对文档的完整性、权威性及其观点立场正确性做任何保证或承诺!文档内容仅供研究参考,付费前请自行鉴别。
3、如文档内容存在违规,或者侵犯商业秘密、侵犯著作权等,请点击“违规举报”。

碎片内容

巧用地下室基础底板作为塔吊基础

元素商铺+ 关注
实名认证
内容提供者

欢迎挑选合适的文档

确认删除?
VIP
微信客服
  • 扫码咨询
会员Q群
  • 会员专属群点击这里加入QQ群
客服邮箱
回到顶部