电脑桌面
添加小米粒文库到电脑桌面
安装后可以在桌面快捷访问

建筑物垂直度测量记录

建筑物垂直度测量记录_第1页
1/6
建筑物垂直度测量记录_第2页
2/6
建筑物垂直度测量记录_第3页
3/6
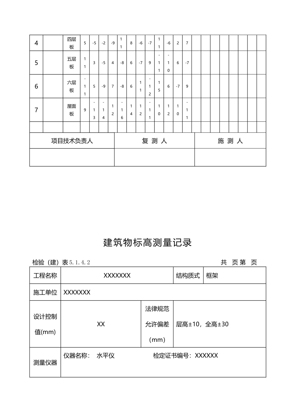
建筑物垂直度测量记录(4页)Good is good, but better carries it.精益求精,善益求善。建筑物垂直度测量记录检验(建)表 5.1.4.1 共 页 第 页工程名称XXXXX结构质式框架高度(m)层高:XX、XX.XX全高:XXm施工单位XXXXXXX 公司监测起始日 期XX.XX.XX设计控制值(mm)XX法律规范允许偏差(mm)层高 8mm,全高 H/100 且≤30mm测量仪器仪器名称:经纬仪 检定证书编号:XXXXXXXXXX测量控制点布置图: 序号测量日期进度(层)测 量 值 (mm)123456xyxyxyxyxyxyxyxyxyxy1一层板2-12-3-132-33-21-32二层板2-31-253-1-1-33543三层板345-648-51-35-6-14四层板5-5-2-9118-6-711-6275五层板113-54-86-79-11-106-76六层板-115-97-8611-12156-797屋面板9-13-1412-161412-11101210-11项目技术负责人复 测 人施 测 人建筑物标高测量记录检验(建)表 5.1.4.2 共 页 第 页工程名称XXXXXXX结构质式框架施工单位XXXXXXX设计控制值(mm)XX法律规范允许偏差(mm)层高±10,全高±30测量仪器仪器名称: 水平仪 检定证书编号:XXXXXX序号测量日期进度(层)偏 差 测 量 值(mm)123456层高标高层高标高层高标高层高标高层高标高层高标高1一层板-2-233333366992二层板15-24-246346853三层板26-36435-434564四层板37656555564-45五层板-282-436-1427286六层板3101668-6-566-667屋面板11137793979798910项目技术负责人复 测 人施 测 人建筑物全高测量记录检验(建)表 5.1.4.3 共 页 第 页工程名称XXXXX结构质式框架施工单位XXXXX主要控制点高度(m)XXX设计控制值(mm)XX法律规范允许偏差(mm)±30测量仪器仪器名称:水平仪 检定证书编号:XXXXXXX测量控制点布置简图: 测量日期123456建筑高度建筑高度建筑高度建筑高度建筑高度建筑高度设计值(m)实测值(m)偏差值(mm)设计值(m)实测值(m)设计值(m)设计值(m)实测值(m)偏差值(mm)设计值(m)实测值(m)偏差值(mm)设计值(m)实测值(m)偏差值(mm)设计值(m)实测值(m)偏差值(mm)XX23.823.8121223.823.8222223.823.79-1023.823.8121223.823.807723.823.82121项目技术负责人复 测 人施 测 人)\·》、<(;……:.@;>~。【·(!^、("~~……、

1、当您付费下载文档后,您只拥有了使用权限,并不意味着购买了版权,文档只能用于自身使用,不得用于其他商业用途(如 [转卖]进行直接盈利或[编辑后售卖]进行间接盈利)。
2、本站所有内容均由合作方或网友上传,本站不对文档的完整性、权威性及其观点立场正确性做任何保证或承诺!文档内容仅供研究参考,付费前请自行鉴别。
3、如文档内容存在违规,或者侵犯商业秘密、侵犯著作权等,请点击“违规举报”。

碎片内容

建筑物垂直度测量记录

确认删除?
VIP
微信客服
  • 扫码咨询
会员Q群
  • 会员专属群点击这里加入QQ群
客服邮箱
回到顶部