电脑桌面
添加小米粒文库到电脑桌面
安装后可以在桌面快捷访问

数控铣床面板操作与对刀

数控铣床面板操作与对刀_第1页
1/14
数控铣床面板操作与对刀_第2页
2/14
数控铣床面板操作与对刀_第3页
3/14
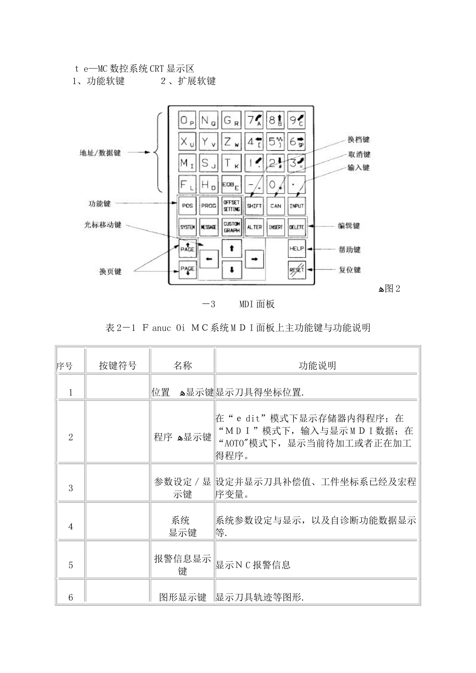
(一)、Fa n uc—Oi MC 数控系统简介ﻫ图2-1 Fanu c—Oi MC 数控系统C RT/M D I 面板 ﻫF an uc Oi Mate-MC数控系统面板由系统操作面板与机床控制面板三部分组成。ﻫ1、系统操作面板ﻫ系统操作面板包括C RT 显示区、MD I编辑面板.如图 2—1。(1)、CR T 显示区: 位于整个机床面板得左上方.包括显示区与屏幕相对应得功能软键(图 2-2)。(2)、编辑操作面板(MDI 面板): 一般位于 CR T显示区得右侧。MDI面板上键得位置(如图:2—3)与各按键得名称及功能见表 2-1 与表2-2.ﻫﻫ图 2-2 Fanuc Oi Mat e—MC 数控系统 CRT 显示区 1、功能软键 2、扩展软键 ﻫ图 2-3 MDI 面板 表 2-1 F anuc Oi MC系统 M D I 面板上主功能键与功能说明 序号 按键符号 名称 功能说明 1位置 ﻫ显示键 显示刀具得坐标位置.2程序 ﻫ显示键 在“e dit”模式下显示存储器内得程序;在“M D I”模式下,输入与显示 M D I 数据;在“AOTO"模式下,显示当前待加工或者正在加工得程序。3参数设定/显示键 设定并显示刀具补偿值、工件坐标系已经及宏程序变量。4系统 显示键 系统参数设定与显示,以及自诊断功能数据显示等.5报警信息显示键 显示N C 报警信息6图形显示键 显示刀具轨迹等图形.表2—2 Fan u c Oi MC 系统 MDI 面板上其她按键与功能说明 序 号 按键符号 名称 功能说明 1复位键 用于所有操作停止或解除报警,C N C复位。 2帮助键 提供与系统相关得帮助信息。 3删除键 在“Ed it”模式下,删除以输入得字及 CNC中存在得程序。 4输入键 加工参数等数值得输入。 5取消键 清除输入缓冲器中得文字或者符号。 6插入键 在“Edit”模式下,在光标后输入得字符。 7替换键 在“Edi t”模式下,替换光标所在位置得字符. 8上档键 用于输入处在上档位置得字符。 9光标翻页键 向上或者向下翻页 1 0程序编辑键 用于 NC 程序得输入。 1 1光标移动键 用于改变光标在程序中得位置. 2、机床控制面板Fan uc O i Ma t e-MC 数控系统得控制面板通常在 CRT 显示区得下方(如图:2-3),各按键(旋钮)得名称及功能见表 2—3。图 2-3 Fanuc Oi Mate—M C数控系统得控制面板 表 2-3 Fa nu c Oi Mate-MC 数控系统得控制面板各按键及功能 序 号 按键、旋钮 符号 按键、旋钮 ...

1、当您付费下载文档后,您只拥有了使用权限,并不意味着购买了版权,文档只能用于自身使用,不得用于其他商业用途(如 [转卖]进行直接盈利或[编辑后售卖]进行间接盈利)。
2、本站所有内容均由合作方或网友上传,本站不对文档的完整性、权威性及其观点立场正确性做任何保证或承诺!文档内容仅供研究参考,付费前请自行鉴别。
3、如文档内容存在违规,或者侵犯商业秘密、侵犯著作权等,请点击“违规举报”。

碎片内容

数控铣床面板操作与对刀

确认删除?
VIP
微信客服
  • 扫码咨询
会员Q群
  • 会员专属群点击这里加入QQ群
客服邮箱
回到顶部