电脑桌面
添加小米粒文库到电脑桌面
安装后可以在桌面快捷访问

施工准备及资源配置

施工准备及资源配置_第1页
1/28
施工准备及资源配置_第2页
2/28
施工准备及资源配置_第3页
3/28
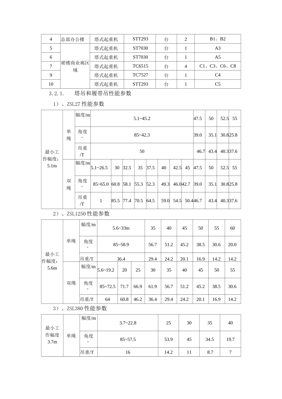
施工方案报审计划序号类别方案名称报审时间1总体类施工组织设计2117 塔楼 1-4M 层结构施工方案3测量监测类117 塔楼结构施工测量方案4沉降及位移的监测方案5垂直运输类117 塔楼塔吊选型、布置、爬升及附着施工方案已报送6117 塔楼塔吊安拆方案7117 塔楼施工电梯垂直运输方案已报送8117 塔楼施工电梯安装方案9土建类117 塔楼 1 至 4M 层混凝土施工方案已报送10117 塔楼 1-4M 层模板施工方案已报送11117 塔楼 1F-4M 层钢筋施工方案已报送12东西商业廊与精品商业钢筋施工方案已报送13东西商业廊与精品商业模版施工方案已报送14东西商业廊与精品商业外脚手架施工方案已报送15117 塔楼电梯井水平防护方案已报送16117 塔楼顶升钢平台模架体系设计施工方案已报送17冬季施工方案(201M013)18117 塔楼核心筒内 1、2、3#施工电梯安装方案19117 塔楼 1-4MF 卸料平台专项方案20117 塔楼 1-4MF 钢框木模板吊装专项方案21117 塔楼施工平面布置方案22117 塔楼超高泵送混凝土施工方案23117 塔楼 5F-TOP 钢筋施工方案24裙房结构施工方案25砌筑工程施工方案26屋面及防水工程施工方案27钢结构117 塔楼顶模安装专项方案28117 塔楼带状桁架施工专项方案29117 塔楼地上巨型钢柱专项方案30117 塔楼地上钢板剪力墙专项方案31117 塔楼地上钢结构施工方案32117 塔楼地上钢结构安全专项方案序号类别方案名称报审时间33117 塔楼地上钢结构质量计划34117 塔楼压型钢板施工方案35总部办公楼钢结构施工方案36总部办公楼桁架施工方案37机电工程1-6 层机电地上部分预留预埋施工方案已报送38地库样板区机电安装施工方案39117 塔楼临水临电设计与施工方案40防雷接地施工方案41117 塔楼水管管井施工方案42大型设备运输吊装方案43超长大截面电缆竖向敷设方案44水系统冲洗及临时排水方案45机电工程调试方案46其他内装饰工程施工方案47外装饰工程施工方案48室外总体工程施工方案49政策性临时停工的施工组织方案50保证工程不间断施工方案51季节性施工方案52部分楼层提前运营方案3.2 主要施工机械设备计划及保障措施吊装设备选型根据本工程施工需要,采纳的吊装设备主要有塔吊、履带吊等。3.2.1.塔吊和履带吊选择根据本工程 117 塔楼、办公楼及裙楼区域施工需要,塔楼施工采纳型号为ZSL27、ZSL1250、ZSL380 的塔吊各 2 台,选用 1 台型号为 150T 的履带吊在现场辅助吊装,总部办公楼、裙楼及商业廊区域的塔吊沿用原地下室施工用塔吊,...

1、当您付费下载文档后,您只拥有了使用权限,并不意味着购买了版权,文档只能用于自身使用,不得用于其他商业用途(如 [转卖]进行直接盈利或[编辑后售卖]进行间接盈利)。
2、本站所有内容均由合作方或网友上传,本站不对文档的完整性、权威性及其观点立场正确性做任何保证或承诺!文档内容仅供研究参考,付费前请自行鉴别。
3、如文档内容存在违规,或者侵犯商业秘密、侵犯著作权等,请点击“违规举报”。

碎片内容

施工准备及资源配置

确认删除?
VIP
微信客服
  • 扫码咨询
会员Q群
  • 会员专属群点击这里加入QQ群
客服邮箱
回到顶部