电脑桌面
添加小米粒文库到电脑桌面
安装后可以在桌面快捷访问

施工组织设计附表、附图

施工组织设计附表、附图_第1页
1/6
施工组织设计附表、附图_第2页
2/6
施工组织设计附表、附图_第3页
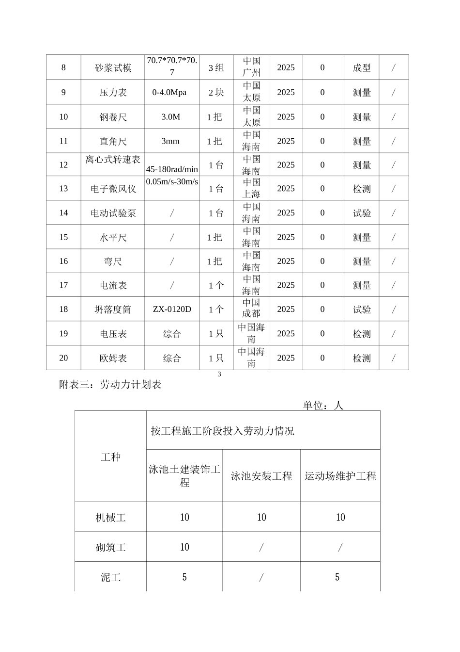
3/6
施工组织设计附表、附图附表一:拟投入本标段的主要施工设备表序号设备名称型号规格数量国别产地制造年份额定功率(KW)生产能力用于施工部位备注1发电机各型2 台中 国 海南2025综合良好供电/2空压机9m3/min4 台中国成都20251.2KW9m3/min整个工程/3自卸汽车20T4 辆中国济南202510KW20T运输/4手提石材切割机J3GB-33 台中国浙江20253.5正常装修/5冲击电锤/5 台中国广州20250.8正常安装/6纹钉枪/10 把中 国 海南2025330良好装修/7自攻钻/10 台中 国 海南20250.9良好装修/8码钉枪QDT5 把中国成都2025165良好装修/9喷枪/5 把中 国 海南20250.8良好装修/10冲击电锤/4 把中国成都2025/正常安装/11开孔器各型6 把中 国 海南2025/正常钻孔/12砂轮切割机/1 台中国成都2025/正常安装/113万用表/1 台中国成都2025/正常安装/14台钻/1 台中国海南2025/正常安装/15气焊工具/1 套中国海南2025/正常安装/16管道切割机/1 台中国成都20255合格安装/17电动台锯56NB3 台中国海南20253正常装修/18压刨机AP103 台中国海南20252.5-3正常装修/19射钉汽枪“KTT”422J6 把中国海南2025/正常装修/20电刨SGV-165 台中国海南20251.5正常装修/21电圆锯C7SC1 台中国海南20251.1正常装修/22修边机M6SA1 台中国海南20250.4正常装修/23曲线机550VA1 台中国海南20251.25正常装修/附表二:拟配备本工程的试验和检测仪器设备表序号仪器设备名称型号规格数量国别产地制造年份已使用台时数用途备注1磅秤50kg1 台中国重庆20250计量/2经纬仪DJD5-11 台中国成都202535测量/3水准仪C321 台中国成都202540测量/4全站仪TS021 台中国成都202550测量/550m 钢尺/1 把中国太原20250测量/6塔尺/3 把中国成都20250测量/7台式计算机/3 台中国成都20250内业/8砂浆试模70.7*70.7*70.73 组中国广州20250成型/9压力表0-4.0Mpa2 块中国太原20250测量/10钢卷尺3.0M1 把中国太原20250测量/11直角尺3mm1 把中国海南20250测量/12离心式转速表45-180rad/min1 台中国海南20250测量/13电子微风仪0.05m/s-30m/s1 台中国上海20250检测/14电动试验泵/1 台中国海南20250试验/15水平尺/1 把中国海南20250测量/16弯尺/1 把中国海南20250测量/17电流表/1 个中国海南20250测量/18坍落度筒ZX-0120D1 个中国成都20250试验/19电压表综合1 只中国海南20250检测/20欧姆表综合1 只中国海南20250检测/3附表三:劳动力计划表单位:人工种按工程施工阶段投入劳动力情况泳池土建...

1、当您付费下载文档后,您只拥有了使用权限,并不意味着购买了版权,文档只能用于自身使用,不得用于其他商业用途(如 [转卖]进行直接盈利或[编辑后售卖]进行间接盈利)。
2、本站所有内容均由合作方或网友上传,本站不对文档的完整性、权威性及其观点立场正确性做任何保证或承诺!文档内容仅供研究参考,付费前请自行鉴别。
3、如文档内容存在违规,或者侵犯商业秘密、侵犯著作权等,请点击“违规举报”。

碎片内容

施工组织设计附表、附图

您可能关注的文档

确认删除?
VIP
微信客服
  • 扫码咨询
会员Q群
  • 会员专属群点击这里加入QQ群
客服邮箱
回到顶部