电脑桌面
添加小米粒文库到电脑桌面
安装后可以在桌面快捷访问

暖通规范中关于各类常见风管风速、风口风速、水管流速的规定

暖通规范中关于各类常见风管风速、风口风速、水管流速的规定_第1页
1/7
暖通规范中关于各类常见风管风速、风口风速、水管流速的规定_第2页
2/7
暖通规范中关于各类常见风管风速、风口风速、水管流速的规定_第3页
3/7
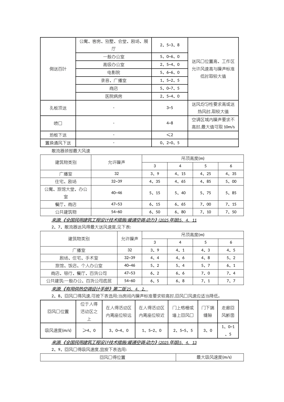
暖通法律规范中关于各类常见风速得规定一、各类风口风速规定1、采暖风口1、1、采纳热风采暖系统时,应遵守下列规定:送风口得送风速度 V(m/s),应根据送风口得高度、型式及布置经过计算确定,当送风口位于房间上部时,送风速度宜取:V= 5~15m/s;当送风口位于离地不高处时,送风速度宜取:V =0、3m/s~0、7m/s;回风口得回风速度,宜取:V=0、3m/s。来源 : 《全国民用建筑工程设计技术措施 / 暖通空调 · 动力》 (2025 年版 )2 、 8 、 7 1、2、热风幕得送风速度:公共建筑得外门,风速不宜大于 6 m/s,高大外门不应大于 25m/s。来源 : 《全国民用建筑工程设计技术措施 / 暖通空调 · 动力》 (2025 年版 )2 、 8 、 15 2、送排回风口2、1、进风、排风口风速(m/s)建筑类别新风取风口排风口一般性居住、公共建筑2、0~4、53、0~5、0站房、库房、机房等4、0~5、05、6~6、5注:风口风速应按实际有效面积计算,一般百叶风口得遮挡率取 50%。来源 : 《全国民用建筑工程设计技术措施 / 暖通空调 · 动力》 (2025 年版 ) 4 、 1 、 4 、 8 2、2、自然通风系统得进排风口风速宜按下表采纳:部位进风百叶排风口地面出风口顶棚出风口风速0、5~1、00、5~1、00、2~0、50、5~1、0来源 GB50736-2025 《民用建筑供暖通风与空气调节设计法律规范》 6 、 6 、 4 2、3、机械通风得进排风口风速宜按下表采纳:部位新风入口风机出口空气流速住宅与公共建筑3、 5~4、 55、0~10、5机房、库房4、 5~5、 08、0-14、0来源 :GB50736-2025 《民用建筑供暖通风与空气调节设计法律规范》 6 、 6 、 5 2、4、厨房排风系统得风管风速不宜小于 8m/s,且不宜大于 10m/s;排风罩接风管得喉部风速应取4~5m/s。来源 : 《全国民用建筑工程设计技术措施 / 暖通空调 · 动力》 (2025 年版 )4 、 2 、 10 2、5、侧送与散流器平送得出口风速采纳 2m/s~5m/s。孔板下送风得出口风速,从理论上讲可以采纳较高得数值。因为在一定条件下,出口风速较高时,要求稳压层内得静压也较高,这会使送风较均匀;同时,由于送风速度衰减快,对人员活动区得风速影响较小。但当稳压层内得静压过高时,会使漏风量增加,并产生一定得噪声。一般采纳 3m/s"'_'5m/s 为宜。条缝形风口气流轴心速度衰减较快,对舒适性空调,其出口风速宜为 2m/s~4m/s 。喷口送风得出口风速就是根据射流未端到达人员活动区得轴心风速与平均风速经计算确定。喷口侧向送风得...

1、当您付费下载文档后,您只拥有了使用权限,并不意味着购买了版权,文档只能用于自身使用,不得用于其他商业用途(如 [转卖]进行直接盈利或[编辑后售卖]进行间接盈利)。
2、本站所有内容均由合作方或网友上传,本站不对文档的完整性、权威性及其观点立场正确性做任何保证或承诺!文档内容仅供研究参考,付费前请自行鉴别。
3、如文档内容存在违规,或者侵犯商业秘密、侵犯著作权等,请点击“违规举报”。

碎片内容

暖通规范中关于各类常见风管风速、风口风速、水管流速的规定

确认删除?
VIP
微信客服
  • 扫码咨询
会员Q群
  • 会员专属群点击这里加入QQ群
客服邮箱
回到顶部