电脑桌面
添加小米粒文库到电脑桌面
安装后可以在桌面快捷访问

第三章长壁工作面工艺参数、管理及设计测试练习题VIP免费

第三章长壁工作面工艺参数、管理及设计测试练习题_第1页
1/7
第三章长壁工作面工艺参数、管理及设计测试练习题_第2页
2/7
第三章长壁工作面工艺参数、管理及设计测试练习题_第3页
3/7
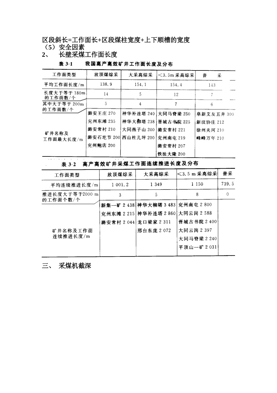
第三章长壁工作面工艺参数、管理及设计第一节采煤工作面主要技术参数一、采煤工作面长度1、影响采煤工作面长度的因素(1)地质因素煤厚及其稳定性、倾角、地质构造、瓦斯和水文条件式中:,叫煤层产出率,t/m2;C---工作面采出率;0.97、0.95、0.93---工作面最大风速,4m/s;---风流收缩系数,0.9~0.95(2)设备条件可弯曲刮板输送机最大铺设长度,一般180~250m;(3)工作面效率及经济合理的长度从理论上讲,按经济因素一定可求得最优的工作面长度,使得产量或效率最大。就目前的工作面长度进一步增大工作面长度经济上是有利的。(4)阶段斜长在不受地质构造等因素影响时,尽量将阶段划分为整数个区段区段斜长=工作面长+区段煤柱宽度+上下顺槽的宽度(5)安全因素2、长壁采煤工作面长度二、采煤工作面连续推进长度影响因素:1、地质构造;2、采煤设备大修时间;3、区段平巷运输方式及设备;4、区段平巷掘进通风;5、供电方法及设备一般综采不小于1000m,普采600~800m,炮采400~800m三、采煤机截深四、机采工作面开机率(40~55%,最高70%)五、采煤工作面生产能力1、炮采2、机采单向割煤双向割煤进刀数六、采煤工作面采出率厚煤层93%,中厚煤层95%,薄煤层93%第二节采煤工作面循环作业一、循环作业方式1、循环方式循环:循环进度:循环方式:正规循环:2、作业形式3、炮采和普查的循环作业4、综采循环作业二、工序安排三、劳动组织1、工种分类专业工种、综合各种2、劳动组织形式分段作业、追机专业、分段追机作业四、正规循环作业图表1、循环作业图2、劳动组织表3、技术经济指标表4、设备配备表红庙晓明矿石圪台

1、当您付费下载文档后,您只拥有了使用权限,并不意味着购买了版权,文档只能用于自身使用,不得用于其他商业用途(如 [转卖]进行直接盈利或[编辑后售卖]进行间接盈利)。
2、本站所有内容均由合作方或网友上传,本站不对文档的完整性、权威性及其观点立场正确性做任何保证或承诺!文档内容仅供研究参考,付费前请自行鉴别。
3、如文档内容存在违规,或者侵犯商业秘密、侵犯著作权等,请点击“违规举报”。

碎片内容

第三章长壁工作面工艺参数、管理及设计测试练习题

确认删除?
VIP
微信客服
  • 扫码咨询
会员Q群
  • 会员专属群点击这里加入QQ群
客服邮箱
回到顶部