电脑桌面
添加小米粒文库到电脑桌面
安装后可以在桌面快捷访问

武引工程变形监测外观施工方案设计

武引工程变形监测外观施工方案设计_第1页
1/13
武引工程变形监测外观施工方案设计_第2页
2/13
武引工程变形监测外观施工方案设计_第3页
3/13
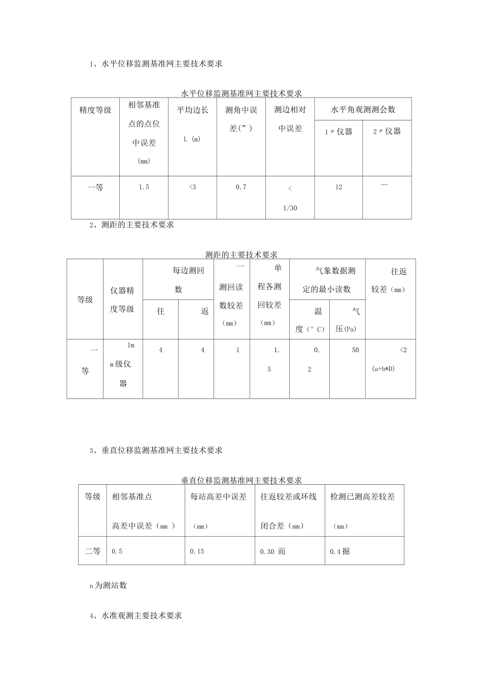
高 程 变 形 监 测 控 制 网 方 案一、工程概况武都水库枢纽工程位于涪江上游武都镇北城乡境内,坝区枢纽地处麦地湾,主要由大坝、 厂房等建筑物组成,武引大坝地理位置为东经 104° 46,,北纬 31° 55,,距离武都镇约 3.2 公里,属于武引二期工程。为了掌握武都水库高坝、厂房、及不稳定岸坡运行期的工作状态,验证设计的各项参数, 及时发现异常情况实行措施,以保证高坝、厂房及近岸坡能安全的正常运行,因此对其进行 外部变形监测。由于受地形条件的限制,基点大部分在山坡上,山上树林茂密,不利于 GPS 信号的接收。 因此,只能采纳常规边角网布设变形监测网进行变形观测。二、已有资料情况1、《外部变形监测技术设计书》2、《武都水库枢纽工程施工控制网复测测绘技术报告书》可用二等平面控制点 11 个,分别为:点名横坐标(X)纵坐标(Y)高程备注班级:测量 3101姓名:刘涛涛学号:11-013533265.23735478324.077641.8723水准高程11-023533160.882354793.152641.79111-033532733.24235470460.164661.46211-043532556.06835479094.669746.49211-053532226.38535478479.210692.02311-093532628.21235478559.985631.28511-103532777.38435478843.558635.9465水准高程III-023532827.19335478829.514644.246III-033532237.46435478539.785651.935III-053531910.40435478648.203643.177III-063532094.935479043.958653.599可用二等高程控制点有 7 个,分别为点名等级高程 M备注武施 1(暗)II583.8790II BM-02II663.6714II BM-06II643.4086II BM-10II589.4955II BM-11II580.8633II BM-13II581.8817II BM-14II634.9839II-10 底盘上II BM-15II630.3187II-09 底盘上三、设计依据及引用文件本设计采纳的法律规范资料有:1、混凝土大坝安全监测技术法律规范 DLT5178-232、测绘技术设计规定 CH/T 14-253、工程测量法律规范 GB526-27四、主要技术指标1、水平位移监测基准网主要技术要求水平位移监测基准网主要技术要求精度等级相邻基准点的点位中误差(mm)平均边长L (m)测角中误差(”)测边相对中误差水平角观测测会数1〃仪器2〃仪器一等1.5<30.7<1/3012—2、测距的主要技术要求测距的主要技术要求等级仪器精度等级每边测回数一测回读数较差(mm)单程各测回较差(mm)气象数据测定的最小读数往返较差(mm)往返温度(°C)气压(Pa)一等1mm 级仪器4411.50.250<2(a+b*D)3、垂直位移监测基准网主要技术要求垂直...

1、当您付费下载文档后,您只拥有了使用权限,并不意味着购买了版权,文档只能用于自身使用,不得用于其他商业用途(如 [转卖]进行直接盈利或[编辑后售卖]进行间接盈利)。
2、本站所有内容均由合作方或网友上传,本站不对文档的完整性、权威性及其观点立场正确性做任何保证或承诺!文档内容仅供研究参考,付费前请自行鉴别。
3、如文档内容存在违规,或者侵犯商业秘密、侵犯著作权等,请点击“违规举报”。

碎片内容

武引工程变形监测外观施工方案设计

确认删除?
VIP
微信客服
  • 扫码咨询
会员Q群
  • 会员专属群点击这里加入QQ群
客服邮箱
回到顶部