电脑桌面
添加小米粒文库到电脑桌面
安装后可以在桌面快捷访问

炼化工程监理规划示范文本

炼化工程监理规划示范文本_第1页
1/99
炼化工程监理规划示范文本_第2页
2/99
炼化工程监理规划示范文本_第3页
3/99
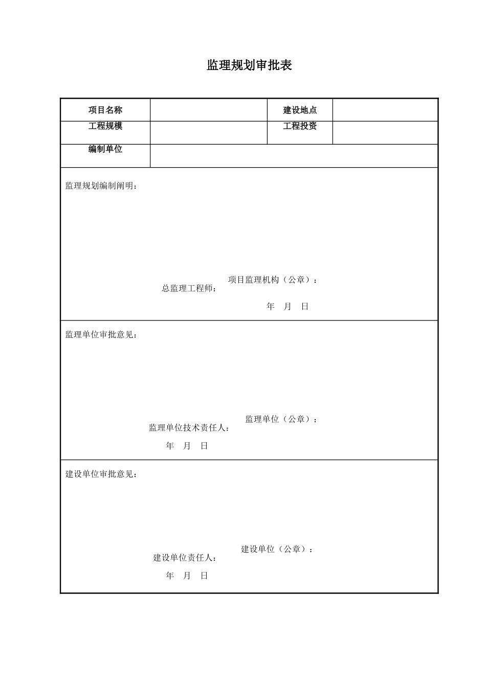
附件:5炼化工程监理规划(示范文本)监理规划、监理实施细则编制委员会编制 ( 工 程 名 称 )监理规划(版 次)项目监理机构名称年 月 日监理规划审批表项目名称建设地点工程规模 工程投资编制单位监理规划编制阐明:项目监理机构(公章): 总监理工程师: 年 月 日监理单位审批意见:监理单位(公章): 监理单位技术责任人: 年 月 日建设单位审批意见:建设单位(公章): 建设单位责任人: 年 月 日目 录1 工程概况................................................................................................................................................41.1 工程名称..............................................................................................................................................41.2 工程地点..............................................................................................................................................41.3 工程投资..............................................................................................................................................41.4 工程计划工期......................................................................................................................................41.5 工程质量原则......................................................................................................................................41.6 工程建设管理模式..............................................................................................................................41.7 工程参建单位......................................................................................................................................41.8 工程现场情况......................................................................................................................................41.8.1 自然条件...........................................................................................................................................41.8.2 现场条件.............................................

1、当您付费下载文档后,您只拥有了使用权限,并不意味着购买了版权,文档只能用于自身使用,不得用于其他商业用途(如 [转卖]进行直接盈利或[编辑后售卖]进行间接盈利)。
2、本站所有内容均由合作方或网友上传,本站不对文档的完整性、权威性及其观点立场正确性做任何保证或承诺!文档内容仅供研究参考,付费前请自行鉴别。
3、如文档内容存在违规,或者侵犯商业秘密、侵犯著作权等,请点击“违规举报”。

碎片内容

炼化工程监理规划示范文本

您可能关注的文档

确认删除?
VIP
微信客服
  • 扫码咨询
会员Q群
  • 会员专属群点击这里加入QQ群
客服邮箱
回到顶部