电脑桌面
添加小米粒文库到电脑桌面
安装后可以在桌面快捷访问

热收缩膜的行业标准

热收缩膜的行业标准_第1页
1/6
热收缩膜的行业标准_第2页
2/6
热收缩膜的行业标准_第3页
3/6
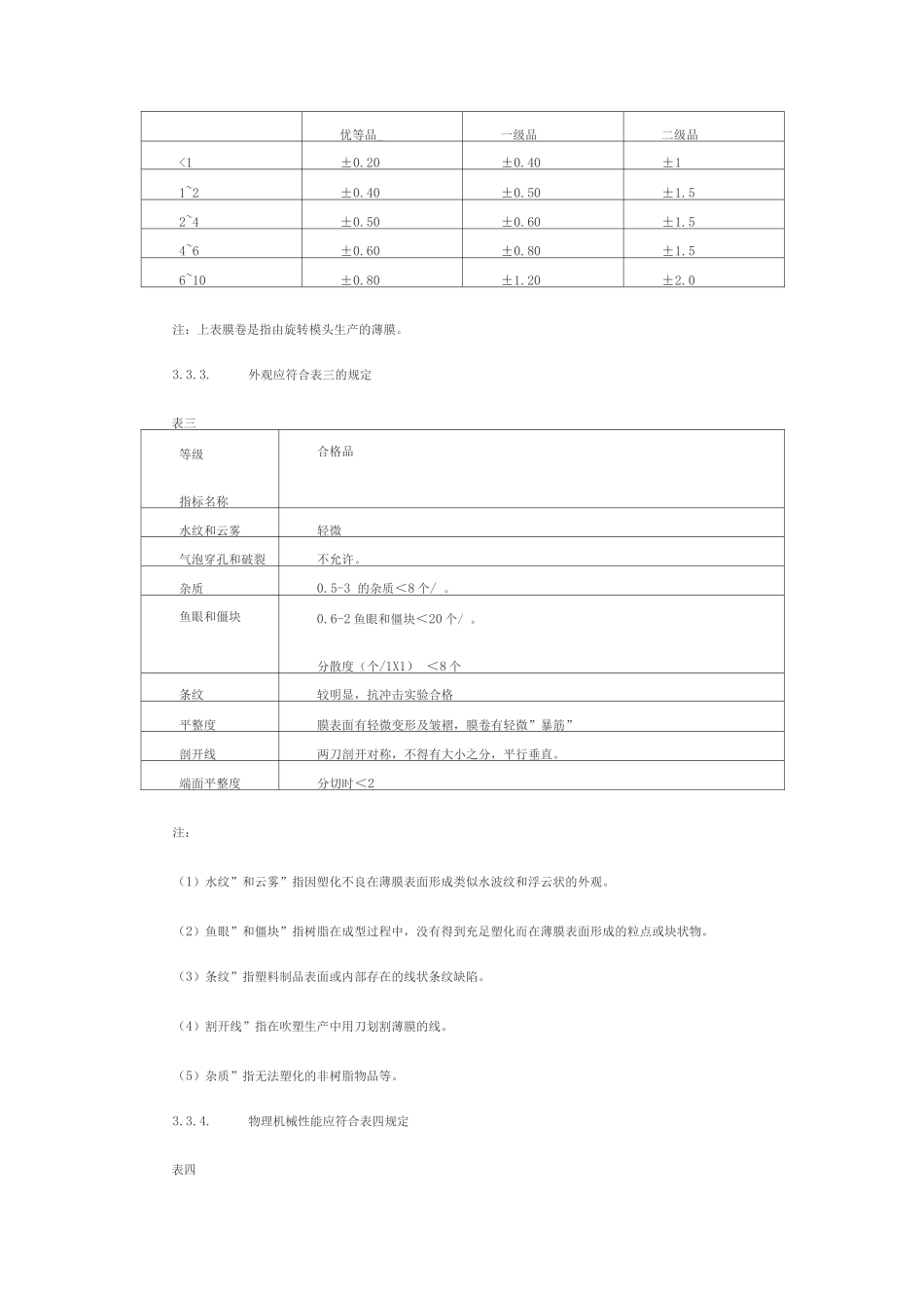
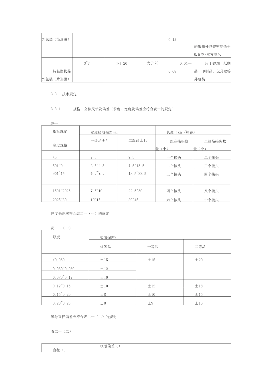
热收缩膜的行业标准[修改时间:2025-5-2716:09:04 浏览次数:1046]制品标准(公司标准)聚乙烯热收缩膜标准号为 HN/M-1—2025,本标准合用于以密度为 0.940g/cm 以下的聚乙烯树脂为重要原料,以一次吹塑成型管膜法制得的热收缩薄膜。本标准规定了聚乙烯热收缩膜的产品分类、技术规定、实验方法、检查规则、标志、包装、运送及贮存。3.2 .法律规范性引用文献及产品分类下列文献中的条款通过本标准的引用而成为本标准的条款,凡是注日期的文献,其随后新有的修改单或修订版均不合用于本标准。GB/T2918 塑料试样状态调节和实验的标准环境GB/T6672 塑料薄膜和薄片的测定机械测量法GB/T6673 塑料薄膜与片材长度和宽度的测定GB/T13022 塑料薄膜拉伸性能实验方法GB/T13519-1992 聚乙烯热收缩薄膜QB/1130 塑料薄膜直角撕裂性能实验方法产品分类:项目用途指标收缩比收缩率%厚度范围备注横向纵向托盘物品外包装(筒形膜)1.6~3.5大于 35小于 700.10~0.25托盘尺寸为 12 X1011 x11瓶装物品外包装(片形膜)3~15小于 30大于 600.06~0.12用 于 啤 酒 、 饮料、矿泉水、调味品等固体物品外包装轻型纸箱1.4~2.5大于 35 小于 60 0.04~用于内装物品外包装(筒形膜)0.12的纸箱外包装密度低于0.5 克/立方厘米特轻型物品外包装(片形膜)3~7小于 20大于 700.04—0.08用于香烟、纸制品、印刷品、玩具盒等外包装3.3.技术规定3.3.1.规格、公称尺寸及偏差(长度、宽度及偏差应符合表一的规定)表一指标规定宽度规格宽度极限偏差%。长度(km /每卷)一级品±5二级品±15一级品接头数量(个)二级品接头数量(个)<52.57.5一个接头二个接头501~92.5~4.57.5~13.5二个接头三个接头901~154.5~7.513.5~22.5三个接头四个接头1501~20257.5~1022.5~30四个接头八个接头2025~3010~1530~45六个接头十个接头厚度偏差应符合表二一(一)的规定表二一(一)厚度极限偏差%优等品一等品二等品<0.060±15±15±200.060~0.080±120.080~0.12±100.12~0.15±10±12±180.15~0.20±8±10±150.20~0.25±8±9±16膜卷直径偏差应符合表二一(二)的规定表二一(二)直径()极限偏差()优等品_一级品二级品<1±0.20±0.40±11~2±0.40±0.50±1.52~4±0.50±0.60±1.54~6±0.60±0.80±1.56~10±0.80±1.20±2.0注:上表膜卷是指由旋转模头生产的薄膜。3.3.3.外观应符合表三的规定表三等级指标名称合格品水纹和云雾轻微气泡穿孔和破裂不允许。杂质0.5-3 的杂质...

1、当您付费下载文档后,您只拥有了使用权限,并不意味着购买了版权,文档只能用于自身使用,不得用于其他商业用途(如 [转卖]进行直接盈利或[编辑后售卖]进行间接盈利)。
2、本站所有内容均由合作方或网友上传,本站不对文档的完整性、权威性及其观点立场正确性做任何保证或承诺!文档内容仅供研究参考,付费前请自行鉴别。
3、如文档内容存在违规,或者侵犯商业秘密、侵犯著作权等,请点击“违规举报”。

碎片内容

热收缩膜的行业标准

您可能关注的文档

确认删除?
VIP
微信客服
  • 扫码咨询
会员Q群
  • 会员专属群点击这里加入QQ群
客服邮箱
回到顶部