电脑桌面
添加小米粒文库到电脑桌面
安装后可以在桌面快捷访问

焊接工时定额标准

焊接工时定额标准_第1页
1/3
焊接工时定额标准_第2页
2/3
焊接工时定额标准_第3页
3/3
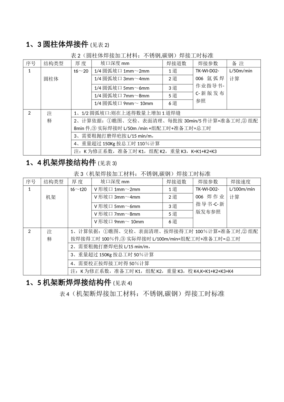
焊接工时定额标准(第 2 版)前言:为了力求工时定额得公平、公正、合理、平衡,保证时间核定标准得统一性,同时便于快速计算焊接时间,并增强焊接工时核算依据得透明度,工艺部根据国家相关工时定额标准,结合楚天原有得工时定额标准与现行实际情况,特制订此方案与标准。1 、一般类零件得结构焊接时间1、1 一般类零件得结构定义一般类结构零件:就是指常规产品得(外表件有电器箱体、门、台板罩)(结构件有机架、板类支撑架、方管类支撑架、圆柱体类、等结构件零件1、2 不锈钢材料焊接外表件 (见表 1)表 1 不锈钢材料外表件焊接固定工时标准序号结构类型 计算焊缝 L 总长度范围 mm 工 时材料厚度 备 注 1门四角点焊 L≤80 4min/件 ̄2门四角满焊 80<L≤160 8min/件 160<L≤18010min/件t1、2~t31、焊接电流参照TK-WI-D02-006 氩弧焊作业指导书-C-新版发布2、表内焊接固定工时已包含准备工时,组配工时在内 180<L≤36012min/件 360<L≤50015min/件 500<L≤80020min/件 800<L≤125030min/件 1250<L≤160034min/件 2电器箱满焊接 L≤250054min/件 3台面板罩一次焊 300<L≤32040min/件 4台面板罩二次焊 120<L≤16030min/件 5 拼焊 L≤300060min/件注释1、门类型焊接计算依据: ① 瞧图、交检、表面清理、每批按 20min /10 件计算=准备工时, ② 组配按焊接工时得 100%计算,③ 实际计算焊缝总长 L/100m /min +准备工时+组配工时=总工时2、电器箱类型焊接计算依据:①瞧图、表面清理(包撕拉砂光纸)、交检、每批按 45min /10 件计算=准备工时,②组配按实际焊接工时得 100%计算,③实际焊缝计算总长 L/100m /min +组配工时+准备工时=总工时3、外表件长方圆筒体类型焊接计算依据:①瞧图、表面清理、交检、每批按 20min /10 件计算=准备工时,②组配按实际焊接工时得 40%计算,③实际焊缝计算总长 L/100m /min +组配工时+准备工时=总工时4、台面板罩类型焊接计算依据:①瞧图、表面清理(包撒拉砂光纸)、交检、每批按 60min /10 件计算=准备工时,②组配按实际焊接工时得 100%计算,③实际计算焊缝总长 L/100m /min +组配工时+准备工时=总工时5、重量超过 150Kg 按实际焊接总工时得 110%计算(不含组配与准备工时)注:K 为修正系数,准备工时 K1,组配 K2,重量 K3,K=K1+K2+K31、3 圆柱体焊接件 (见表 2)表 2(圆柱体焊接加工材料:不锈钢,碳钢)焊接工时标准序...

1、当您付费下载文档后,您只拥有了使用权限,并不意味着购买了版权,文档只能用于自身使用,不得用于其他商业用途(如 [转卖]进行直接盈利或[编辑后售卖]进行间接盈利)。
2、本站所有内容均由合作方或网友上传,本站不对文档的完整性、权威性及其观点立场正确性做任何保证或承诺!文档内容仅供研究参考,付费前请自行鉴别。
3、如文档内容存在违规,或者侵犯商业秘密、侵犯著作权等,请点击“违规举报”。

碎片内容

焊接工时定额标准

确认删除?
VIP
微信客服
  • 扫码咨询
会员Q群
  • 会员专属群点击这里加入QQ群
客服邮箱
回到顶部