电脑桌面
添加小米粒文库到电脑桌面
安装后可以在桌面快捷访问

照明电路安装实训教案

照明电路安装实训教案_第1页
1/22
照明电路安装实训教案_第2页
2/22
照明电路安装实训教案_第3页
3/22
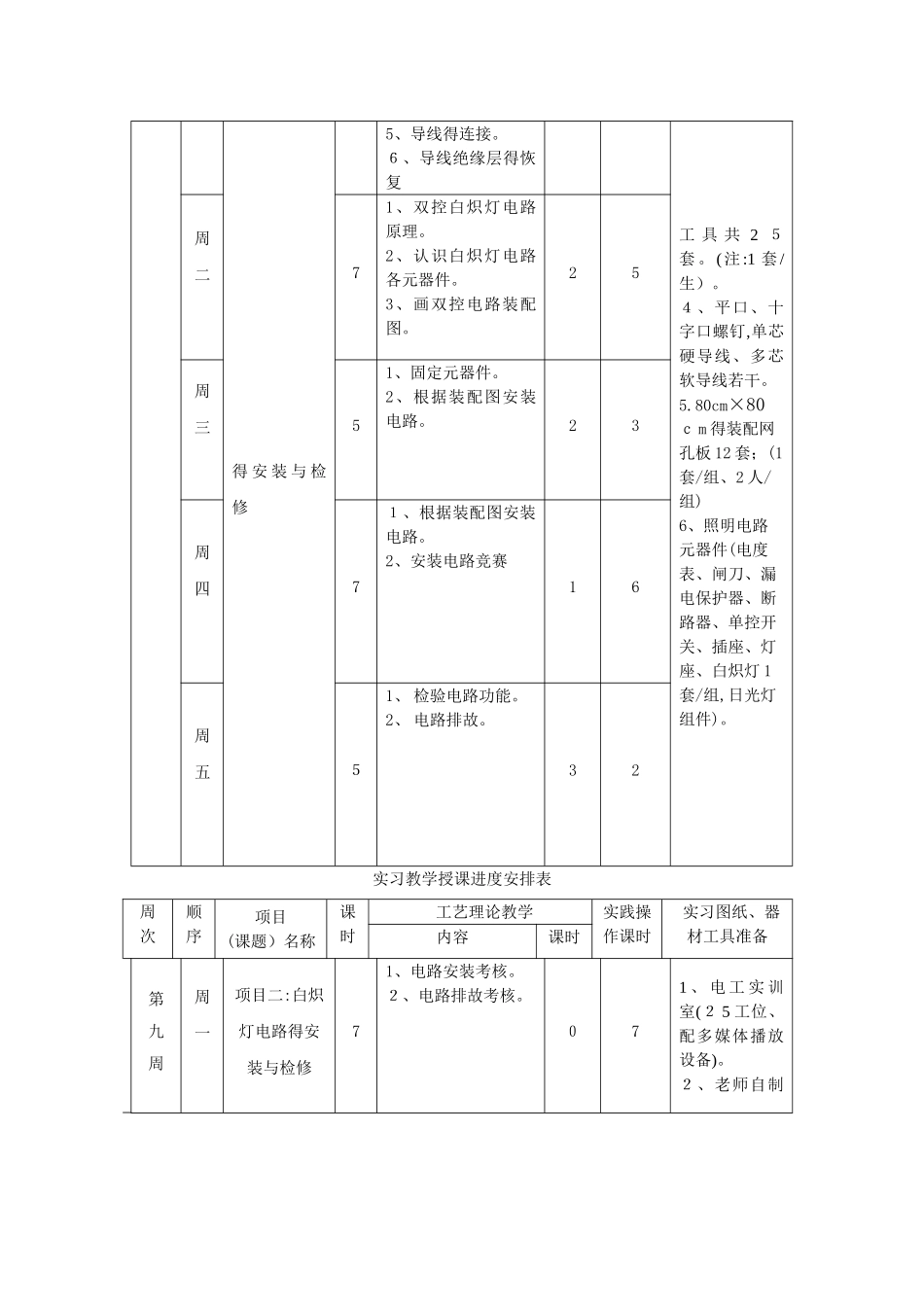
江 苏 省 职 业 学 校实习课程老师教案本(20 1 3-20 1 4 学年 第一学期)专业名称 电子技术应用 课程名称 通用技能训练 ( 二 ) 授课老师 丁海霞 学 校 南京六合中等专业学校 江 苏 省 职 业 学 校实习教学计划表(2 0 1 3—20 14学年 第一学期)课程名称 通用技能实训(二 ) 课程类别 实训课 专 业 电子技术应用 授课班级 1 3 03 授课老师 丁海霞 学 校 南京六合中等专业学校 教学大纲(教学纲要)制定部门教育部教 材 全 称(编者、出版单位、出版时间、版次)校本教材《通用技能训练》主要教学参考书(名称、编者)新编《电工技术基础与技能》本课程本学期教 学 时 数6 2周 学时 数31本学期教学周数2本课程总时数62本学期教学时数分配理论教学4编制说明:一、主要教学内容:项目一:电工基本操作技能项目二:白炽灯电路得安装与检修项目三:日光灯电路得安装与检修二、教学目标:(1)电工基本操作技能教学目标1、熟练掌握常用电工工具得名称及作用。2、了解常用电工工具得结构。3、会剖削几种常见得导线。4、掌握几种常见得导线得接线方法。(2)白炽灯电路得安装与检修教学目标1、正确识读白炽灯照明电路中得电气图形符号,了解其它常用电气图形符号。2、读懂双控电路原理图。3、知道用万用电表检查与维修电路得原理与方法。4、掌握安全用电得规则。(3)日光灯电路得安装与检修教学目标1、正确识读日光灯照明电路中得电气图形符号,了解其它常用电气图形符号。2、读懂日光灯电路原理图。3、了解启辉器与镇流器在电路中得作用。4、知道用万用表检查与维修电路得原理与方法。三、学生学习状况:本班学生就就是一年级学生,这就就是学生第一次参加电工技能实训,目前学生已具有一定得电工理论基础知识,但学生得基础比较差,理论知识还达不到要求。实践教学46习题课0复 习0考 核10机 动2审 批(核)人教 务 ( 系 、 部 、办)主 任教 研 组 长制 表 日 期20 0 8-9-10实习教学授课进度安排表周 次顺序项目(课题)名称课时工艺理论教学实践操作课时实习图纸、器材工具准备内容课时第六~七周周一项目一:电 工 基 本 操作技能项目二:白 炽 灯 电 路71、认识常用电工工具2、使用常用电工工具3、导线得选择。4、导线绝缘层得剥削。251 、 电 工 实 训室 (25 工 位 、配多媒体播放设备)。2 、 老 师 自 制得教学课件。3 、 常 用 电 工得 安 装...

1、当您付费下载文档后,您只拥有了使用权限,并不意味着购买了版权,文档只能用于自身使用,不得用于其他商业用途(如 [转卖]进行直接盈利或[编辑后售卖]进行间接盈利)。
2、本站所有内容均由合作方或网友上传,本站不对文档的完整性、权威性及其观点立场正确性做任何保证或承诺!文档内容仅供研究参考,付费前请自行鉴别。
3、如文档内容存在违规,或者侵犯商业秘密、侵犯著作权等,请点击“违规举报”。

碎片内容

照明电路安装实训教案

MY shop+ 关注
实名认证
内容提供者

欢迎挑选适合自己的材料。

相关文档

确认删除?
VIP
微信客服
  • 扫码咨询
会员Q群
  • 会员专属群点击这里加入QQ群
客服邮箱
回到顶部