电脑桌面
添加小米粒文库到电脑桌面
安装后可以在桌面快捷访问

独立基础、条形基础混凝土施工

独立基础、条形基础混凝土施工_第1页
1/7
独立基础、条形基础混凝土施工_第2页
2/7
独立基础、条形基础混凝土施工_第3页
3/7
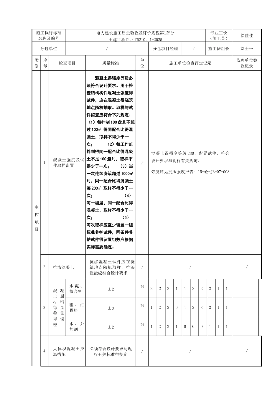
检验批报验表工程名称:国投新集电力利辛板集电厂一期 2×1000MW 机组工程 编号:GB11-CAPC0605-CM27K3-T0008致:中咨工程建设监理公司:我方已完成 网络继电通讯楼独立基础与条形基础 混凝土施工 (检验批)工作,现报上该工程报验申请表,请予以审查验收。附件:1、混凝土施工检验批质量验收记录2、混凝土工程浇筑施工记录3、混凝土工程养护记录4、隐蔽工程验收记录施工单位(章) 项目负责人: 年 月 日总承包单位审查意见:总承包单位(章)专业工程师: 项目负责人: 年 月 日 项目监理机构审核意见:项目监理机构(章)专业监理工程师: 年 月 日 注:本表一式 6 份,由施工单位填报,建设单位/项目监理机构、 总承包单位各留存 1 份,施工单位留存 4 份。混凝土施工质量验收记录表 5、10、11 编号:T-01-06-05-00-01-05-04-02-01 单位(子单位)工程名称网络继电通讯楼分部(子分部)工程名称地基与基础(混凝土结构)分项工程名称混凝土验收部位独立基础与条形基础施工单位中国能源建设集团安徽电力建设第二工程公司项目经理杨荣光施工执行标准名称及编号电力建设施工质量验收及评价规程第1部分土建工程 DL/T5210.1-2025专业工长(施工员)徐佳佳分包单位/分包项目经理/施工班组长刘士平类别序号检查项目质量标准单位施工单位检查评定记录监理单位验收记录主控项目1混凝土强度及试件取样留置混凝土得强度等级必须符合设计要求。用于检查结构构件混凝土强度得试件,应在混凝土得浇筑地点随机抽取。取样与试件留置应符合下列规定: (1)每拌制 100 盘且不超过 100m3 得同配合比得混凝土,取样不得少于一次; (2)每工作班拌制得同一配合比得混凝土不足 100 盘时,取样不得少于一次; (3)当一次连续浇筑超过 1000m3时,同一配合比得混凝土每 200m3 取样不得少于一次; (4) 每一楼层,同一配合比得混凝土,取样不得少于一次; (5)每次取样应至少留置一组标准养护试件,同条件养护试件得留置组数应根据实际需要确定。/混凝土得强度等级 C30,留置试件,符合设计要求与现行有关规定。强度详见抗压强度报告:15-砼-J3-07-0082抗渗混凝土抗渗混凝土试件应在浇筑地点随机取样。抗渗性能应符合设计要求///3混 凝土 原材 料每 盘称 量得 偏差水 泥 、掺合料±2%2221122211粗 、 细骨料±3%1220123211水 、 外加剂±2%12210001114大体积混凝土控温措施必须符合设计要求与现行...

1、当您付费下载文档后,您只拥有了使用权限,并不意味着购买了版权,文档只能用于自身使用,不得用于其他商业用途(如 [转卖]进行直接盈利或[编辑后售卖]进行间接盈利)。
2、本站所有内容均由合作方或网友上传,本站不对文档的完整性、权威性及其观点立场正确性做任何保证或承诺!文档内容仅供研究参考,付费前请自行鉴别。
3、如文档内容存在违规,或者侵犯商业秘密、侵犯著作权等,请点击“违规举报”。

碎片内容

独立基础、条形基础混凝土施工

确认删除?
VIP
微信客服
  • 扫码咨询
会员Q群
  • 会员专属群点击这里加入QQ群
客服邮箱
回到顶部