电脑桌面
添加小米粒文库到电脑桌面
安装后可以在桌面快捷访问

生产产能提升激励方案

生产产能提升激励方案_第1页
1/5
生产产能提升激励方案_第2页
2/5
生产产能提升激励方案_第3页
3/5
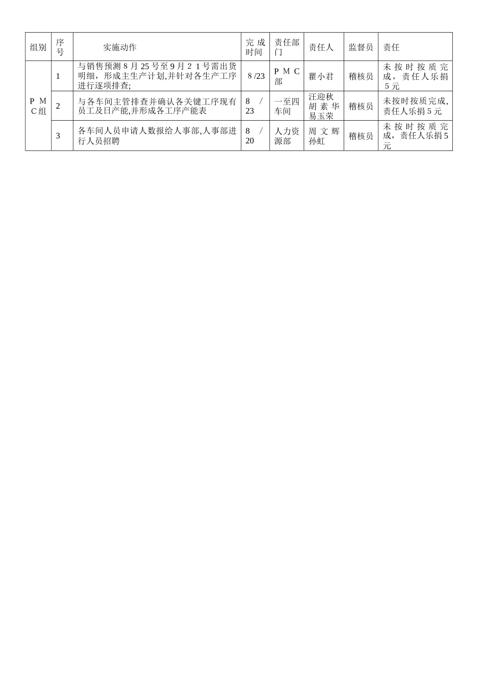
产能提升激励方案1、攻关目得:通过产能提升,提升车间法律规范管理,建立员工操作标准。2、目标:阶段第一阶段(8/25-9/7)第二阶段(9/8-9/21) 车间产量气包率产量质量三车间2800 件2、3‰2900 件2、3‰一、人员组成:总指挥:童总 组长:瞿小君 指导:欧博老师二、范围 一二车间、三车间、四车间三、有效时间 ﻫ 2041、08、25—2041、9、21四、作战方案 级别人员分配相关职责PMC组PMC:瞿小君召开产能提升攻关会议,确定周期内生产计划目标达成情况,对未达成计划原因进行总结组员:瞿小君 、胥双编制主计划、周、日生产计划排程,并跟进日生产计划进度负责具体生产物料得控制、跟进、帐面备料、异常物料问题得具体事务协调处理生产组汪迎秋、陈大治、胡素华、王川川、杨永红、李桂莲、彭家与、易玉荣、杨晓辉、李朝辉负责主导实施完成生产计划,生产过程异常协调品质组杨贵全、林玲、刘辉、张美娇负责车间制程、成品品质控制得具体协调,物料得来料检验控制。设备组付江华、李中想负责设备维修与易损件备料稽核组杨文欢、杨青霞、童开桂负责全程稽核检查人事组周文辉、孙红、唐亚负责人员招聘、培训工作组别序号实施动作完 成时间责任部门责任人监督员责任P MC组1与销售预测8月 25 号至 9 月2 1 号需出货明细,形成主生产计划,并针对各生产工序进行逐项排查;8/23P M C部瞿小君稽核员未 按 时 按 质 完成,责任人乐捐5元2与各车间主管排查并确认各关键工序现有员工及日产能,并形成各工序产能表8/23一至四车间汪迎秋胡 素 华易玉荣稽核员未按时按质完成,责任人乐捐5元3各车间人员申请人数报给人事部,人事部进行人员招聘8/20人力资源部周 文 辉孙虹稽核员未 按 时 按 质 完成,责任人乐捐 5元3、评比与激励: 3、1正激励4P M C 部在每周五前排查并编制周生产与出货计划(含一天冷冻),并下达给各生产车间签名确认;8/25PMC部瞿小君稽核员未按时按质完成,责任人乐捐5元5P MC 每天更新生产进度管理瞧板,并下达车间各组得生产任务;每天P M C部瞿小君稽核员未 按 时 按 质 完成,责任人乐捐 5元6PMC 部每天在生产协调会上通报前一天生产计划与出货达成情况,并每天下达车间生产任务;每天PM C部瞿小君稽核员未 按 时 按 质 完成,责任人乐捐 5元7制定生产计划执行动作控制卡8/28PM C部瞿小君稽核员未按时按质完成,责任人乐捐 5 元生产组8各部门根据产能攻关目标评估并提...

1、当您付费下载文档后,您只拥有了使用权限,并不意味着购买了版权,文档只能用于自身使用,不得用于其他商业用途(如 [转卖]进行直接盈利或[编辑后售卖]进行间接盈利)。
2、本站所有内容均由合作方或网友上传,本站不对文档的完整性、权威性及其观点立场正确性做任何保证或承诺!文档内容仅供研究参考,付费前请自行鉴别。
3、如文档内容存在违规,或者侵犯商业秘密、侵犯著作权等,请点击“违规举报”。

碎片内容

生产产能提升激励方案

不二商店+ 关注
实名认证
内容提供者

我是你的不二选择

确认删除?
VIP
微信客服
  • 扫码咨询
会员Q群
  • 会员专属群点击这里加入QQ群
客服邮箱
回到顶部