电脑桌面
添加小米粒文库到电脑桌面
安装后可以在桌面快捷访问

电气一次设备正常巡视VIP专享

电气一次设备正常巡视_第1页
1/16
电气一次设备正常巡视_第2页
2/16
电气一次设备正常巡视_第3页
3/16
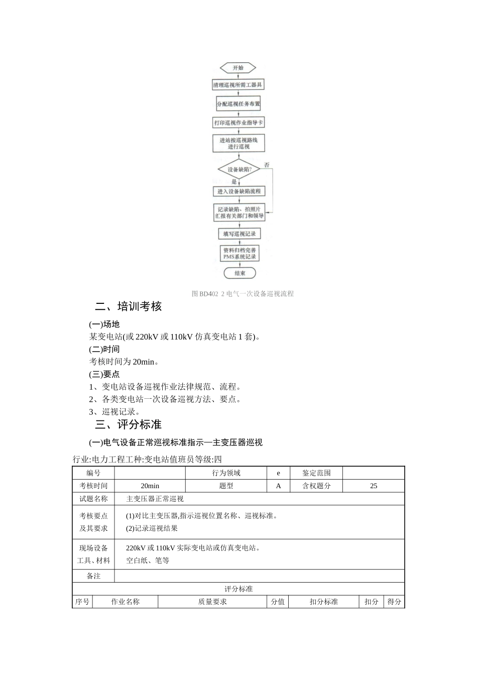
电气一次设备正常巡视一、项目操作 (一)工器具、材料、设备1、工器具:安全帽、望远镜。2、材料:纸、笔、空白巡视记录单(A4)2 张。(二)安全与危险点预控(三)操作步骤与要求1、正常巡视指站内设备进行全面得外部检查。2、巡视步骤(见图 BD40210)。3、巡视流程(见图 BD4022)。(1)按各变电站巡视计划清理巡视所需工器具。(2)值班负责人分配巡视任务,布置巡视工作重点,强调注意事项,巡视人员做好巡视准备。(3)打印巡视作业指导卡。(4)进入计划巡视得变电站,根据巡视路线进行设备巡视。(5)巡视过程中发现设备缺陷。(6)根据设备缺陷处理流程执行。(7)记录缺陷情况、拍摄照片汇报有关部门与相关领导。(8)巡视结束后,做好巡视后得记录整理。(9)资料归档完善 PMS 系统记录。图 BD402 2 电气一次设备巡视流程二、培训考核(一)场地某变电站(或 220kV 或 110kV 仿真变电站 1 套)。(二)时间考核时间为 20min。(三)要点1、变电站设备巡视作业法律规范、流程。2、各类变电站一次设备巡视方法、要点。3、巡视记录。三、评分标准(一)电气设备正常巡视标准指示—主变压器巡视行业:电力工程工种:变电站值班员等级:四编号行为领域e鉴定范围考核时间20min题型A含权题分25试题名称主变压器正常巡视考核要点及其要求(1)对比主变压器,指示巡视位置名称、巡视标准。(2)记录巡视结果现场设备工具、材料220kV 或 110kV 实际变电站或仿真变电站。空白纸、笔等备注评分标准序号作业名称质量要求分值扣分标准扣分得分原因1上层油温(1)变压器本体温度计完好、无破损;(2)记录变压器上层油温数值,上层油温不得大于 85°C、 最大温升不得大于 55°C;(3)主控室远方测温数值正确,与主变压器本体温度指示数值相符;将变压器各部位所装温度计得指示相互对比、比较,防止误推断;(4)相同运行条件下,上层油温比平常高 10°C 及以上,或负荷不变但油温不断上升,均为异常(1)漏指一处扣 3分;(2)标准口述不清楚扣 2~3 分油位、油色(1)变压器得泊位指示,应与储油框上得环境温度标志线相对应、无大偏差;指针式泊位计指示,应与制造厂规定得温度曲线相对应;(2)正常汹色应为透明得淡黄色;(3)泊位计指示正确且元渗漏泊,没有影响察瞧油位得油垢(1)漏指一处扣 3分;(2)标准口述不清楚扣 2~3 分变 压 器 本体、附件及各连 接 处 元 渗漏油(1)检查有无渗漏油,渗漏油得部位、 1min 超过 l 滴,属于漏油,要记录清楚渗漏得部位、程度;(2)设备本体附着有油、灰得部位,必要...

1、当您付费下载文档后,您只拥有了使用权限,并不意味着购买了版权,文档只能用于自身使用,不得用于其他商业用途(如 [转卖]进行直接盈利或[编辑后售卖]进行间接盈利)。
2、本站所有内容均由合作方或网友上传,本站不对文档的完整性、权威性及其观点立场正确性做任何保证或承诺!文档内容仅供研究参考,付费前请自行鉴别。
3、如文档内容存在违规,或者侵犯商业秘密、侵犯著作权等,请点击“违规举报”。

碎片内容

电气一次设备正常巡视

津创媒+ 关注
实名认证
内容提供者

欢迎交流文创,小店资料希望满足您的需要。

确认删除?
VIP
微信客服
  • 扫码咨询
会员Q群
  • 会员专属群点击这里加入QQ群
客服邮箱
回到顶部