电脑桌面
添加小米粒文库到电脑桌面
安装后可以在桌面快捷访问

配电网标准化建设改造创建活动验收细则

配电网标准化建设改造创建活动验收细则_第1页
1/17
配电网标准化建设改造创建活动验收细则_第2页
2/17
配电网标准化建设改造创建活动验收细则_第3页
3/17
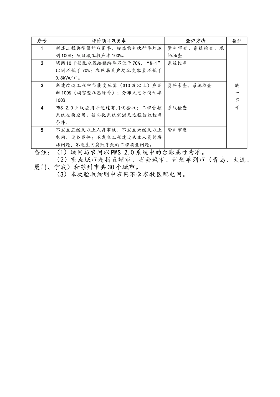
配电网标准化建设改造创建活动验收细则 一、总则 1. 为法律规范公司配电网标准化建设改造创建活动,确保达到预期目标,特制定本验收细则。2. 本细则适用于各省(自治区、直辖市)电力公司、市级供电公司及县级供电公司开展配电网标准化建设改造创建活动的验收工作。二、验收必备条件以下必备条件中任何一条不满足要求,均不得通过验收。1. 新建工程典型设计应用率、标准物料执行率均达到 100%;项目竣工投产率 100%。2. 城网 10 千伏配电线路联络率不低于 70%、“N-1”比例不低于70%;农网居民户均配变容量不低于 0.8kVA/户。3. 新建改造工程中节能变压器(S13 及以上)应用率 100%(高过载、调容变压器除外);分布式电源消纳率 100%。4. PMS 2.0 上线应用并通过有用化验收;工程管控系统全面应用;信息化系统需满足远程验收检查条件。5. 不发生五级及以上人身事故、不发生六级及以上电网、设备事件;不发生工程建设从业人员的廉洁问题,不发生因腐败导致的工程质量问题。三、验收依据、内容及标准(一)验收依据配电网规划设计技术导则(Q/GDW 1738-2025) 配电网技术导则(Q/GDW 370-2025 文号更新)配电自动化技术导则(Q/GDW 382-2025)配电网运维规程(Q/GDW 1519-2025)配电自动化建设与改造标准化设计技术规定(Q/GDW 625-2025)生 产 管 理 信 息 系 统 配 网 业 务 需 求 功 能 法 律 规 范 ( 国 家 电 网 生[2025]124 号 文号更新)国家电网公司关于印发 10kV 柱上变压器台典型设计方案(2025 版)的通知(国家电网运检〔2025〕838 号)配电网建设与改造立项技术原则(确定文号)(二)验收内容配电网标准化建设改造创建活动验收内容主要包括组织体系建设、标准化建设、建设改造成效、工程项目管理、信息化支撑五个方面。组织体系主要从领导小组、工作小组等方面考核配电网标准化建设改造创建活动的组织结构以及职责情况;标准化建设主要从典型设计执行、标准物料应用和施工工艺等方面考核工程建设是否符合国网公司对于工程建设的导向;建设改造成效主要从网架结构、供电能力、供电质量、装备水平、绿色进展五个方面评价项目安排的合理性、有效性,以及建设改造活动的总体成效;工程项目管理包括项目储备和过程管控两个方面,其中以“一图一表”为手段及目标考核项目储备管理水平,从组织保障、安全保障、质量控制及项目计划执行情况等方面考核项目过程管控能力;信息...

1、当您付费下载文档后,您只拥有了使用权限,并不意味着购买了版权,文档只能用于自身使用,不得用于其他商业用途(如 [转卖]进行直接盈利或[编辑后售卖]进行间接盈利)。
2、本站所有内容均由合作方或网友上传,本站不对文档的完整性、权威性及其观点立场正确性做任何保证或承诺!文档内容仅供研究参考,付费前请自行鉴别。
3、如文档内容存在违规,或者侵犯商业秘密、侵犯著作权等,请点击“违规举报”。

碎片内容

配电网标准化建设改造创建活动验收细则

元素商铺+ 关注
实名认证
内容提供者

欢迎挑选合适的文档

确认删除?
VIP
微信客服
  • 扫码咨询
会员Q群
  • 会员专属群点击这里加入QQ群
客服邮箱
回到顶部