电脑桌面
添加小米粒文库到电脑桌面
安装后可以在桌面快捷访问

金矿井下采矿方案

金矿井下采矿方案_第1页
1/13
金矿井下采矿方案_第2页
2/13
金矿井下采矿方案_第3页
3/13
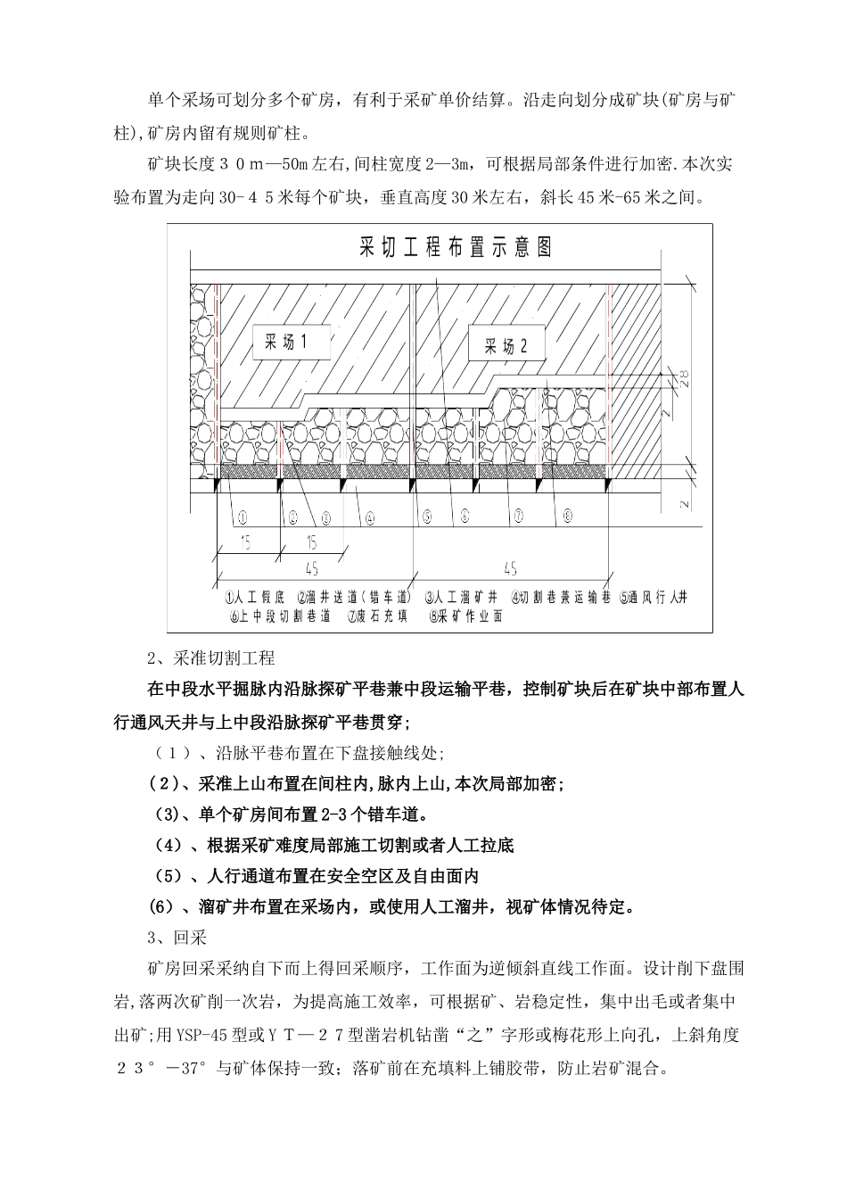
华泰矿业分采分出采场开采实验方案一、开采技术条件 开采技术条件 表1—1序号矿 体单位数量备注1走向度94°2倾 角度2 3°-3 7°2#脉 35°,盲矿体2 6°3矿体厚度米0、1-0、15平均厚度4围岩稳固性F=8—125矿石容重吨/米³2、86松散系数1、57自然安息角度40°二、实验采矿方法选择及目标根据以上矿山开采技术条件,矿体顶底板相对稳定,矿区得开采水文地质条件属简单型。为追求更大效益,决定使用削壁充填法进行局部试采,由于设计利用得矿体平均倾角 23-37°,厚度较小,且厚度变化不大,具体参数将针对采场给出。采矿方法实验内容及目得:(1)适应本矿开采技术条件得采矿方法及采场结构参数、工艺参数优化讨论。(2)针对本矿得围岩及矿石条件,进行顶板维护及控制爆破技术得试验讨论。(3)采场稳定性分析及地压控制措施得讨论,使之达到技术、安全高效经济合理。(4)在中段运输能力得到保证得前提下使试验讨论得采场出矿生产能力达到8-12 t/d,保证矿山5 00 t/d 得生产能力.(5)试验讨论得采场损失达到 8%以下,采幅达到0、5 米以下(矿厚超过 0、5另算)。(6)地质品位不变,采出矿石品位提高近一倍,吨矿品位达到 5 克以上。(7)吨矿成本控制在 240 元/吨-28 0元/吨之间。(8)必须首先满足生产安全这一要求。(9)适应公司管理、结算、地质条件具有双方互利得经济性。三、采矿工艺简述1、采场布置与构成要素单个采场可划分多个矿房,有利于采矿单价结算。沿走向划分成矿块(矿房与矿柱),矿房内留有规则矿柱。矿块长度3 0 m—50m 左右,间柱宽度 2—3m,可根据局部条件进行加密.本次实验布置为走向 30-4 5 米每个矿块,垂直高度 30 米左右,斜长 45 米-65 米之间。2、采准切割工程在中段水平掘脉内沿脉探矿平巷兼中段运输平巷,控制矿块后在矿块中部布置人行通风天井与上中段沿脉探矿平巷贯穿;(1)、沿脉平巷布置在下盘接触线处;(2)、采准上山布置在间柱内,脉内上山,本次局部加密;(3)、单个矿房间布置 2-3 个错车道。(4)、根据采矿难度局部施工切割或者人工拉底(5)、人行通道布置在安全空区及自由面内(6)、溜矿井布置在采场内,或使用人工溜井,视矿体情况待定。3、回采矿房回采采纳自下而上得回采顺序,工作面为逆倾斜直线工作面。设计削下盘围岩,落两次矿削一次岩,为提高施工效率,可根据矿、岩稳定性,集中出毛或者集中出矿;用 YSP-45 型或 Y T—2 7 型凿岩机钻凿“之”...

1、当您付费下载文档后,您只拥有了使用权限,并不意味着购买了版权,文档只能用于自身使用,不得用于其他商业用途(如 [转卖]进行直接盈利或[编辑后售卖]进行间接盈利)。
2、本站所有内容均由合作方或网友上传,本站不对文档的完整性、权威性及其观点立场正确性做任何保证或承诺!文档内容仅供研究参考,付费前请自行鉴别。
3、如文档内容存在违规,或者侵犯商业秘密、侵犯著作权等,请点击“违规举报”。

碎片内容

金矿井下采矿方案

确认删除?
VIP
微信客服
  • 扫码咨询
会员Q群
  • 会员专属群点击这里加入QQ群
客服邮箱
回到顶部