电脑桌面
添加小米粒文库到电脑桌面
安装后可以在桌面快捷访问

2013年9月份考试数控加工工艺与编程第三次作业

2013年9月份考试数控加工工艺与编程第三次作业_第1页
1/12
2013年9月份考试数控加工工艺与编程第三次作业_第2页
2/12
2013年9月份考试数控加工工艺与编程第三次作业_第3页
3/12
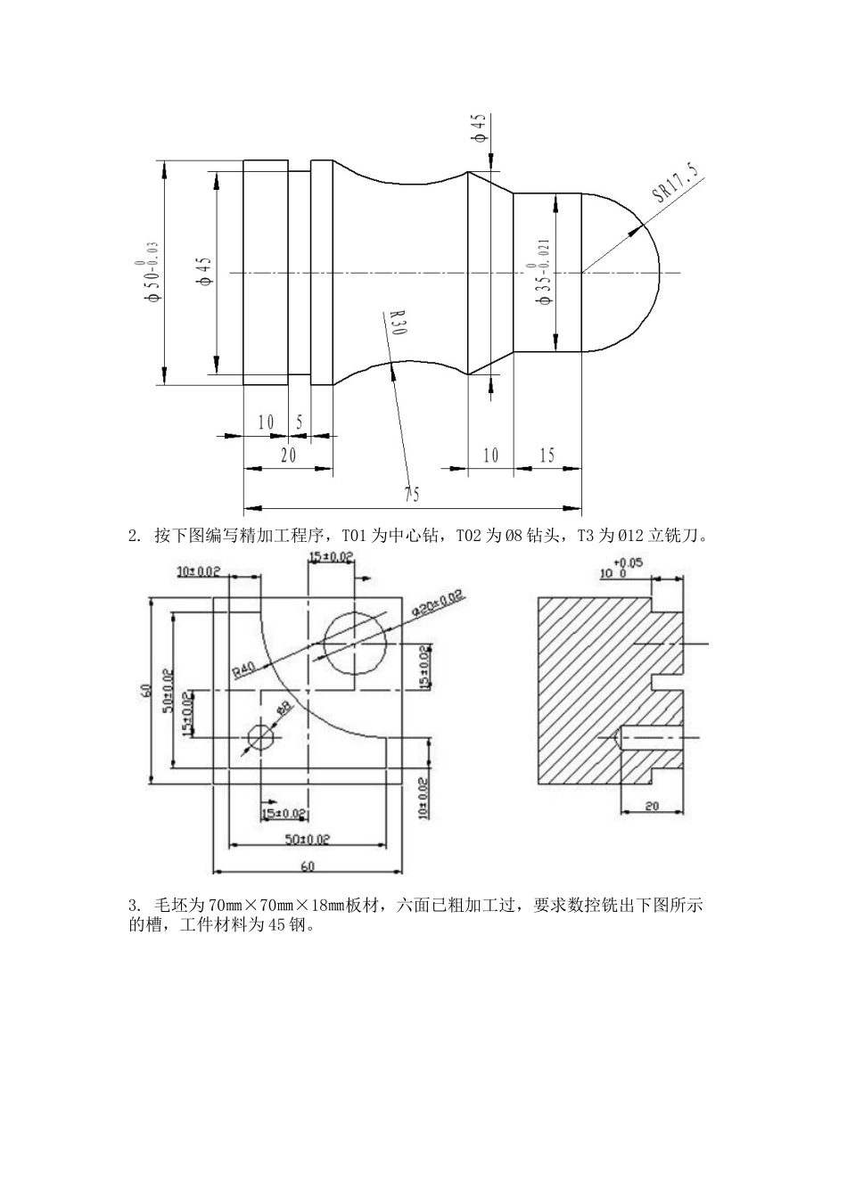
2025 年 9 月份考试数控加工工艺与编程第三次作业一、填空题(本大题共 16 分,共 16 小题,每小题 1 分)1. 加工程序是数控系统的 ______ 软件。2. 数控机床的程序编制工作大部分或全部由 ______ 完成过程,即称为自动编程。3. 数控机床程序中,F100 表示 ______ 。4. 需要选择刀具路径中的其中几个进行操作,选择的方法是按住 ______ 键点击需要选择的刀具路径。5. 控制介质是存储加工程序的媒介,常用的控制介质有穿孔纸带、 ______ 、磁带等6. 数控加工技术涉及数控机床 ______ 和 ______ 技术两个方面。7. 数控机床加工更换产品品种极其方便,只要更换 ______ ,就可以实现。因此,大大缩短了产品的换型周期。8. 高速、高效和 ______ 是数控机床技术进展的目标。9. 金属切削用刀具系统从其结构上可分为整体式和 ______ 两种。10. PLC 是用于进行逻辑运算、顺序动作有关的 I/O 控制,它由 ______ 和 ______ 组成。11. MasterCAM9.0 最基本的构图面有:T 俯视图面、 ______ 、 ______ 和三维空间四种方式。12. 线切割加工的主要工艺指标有切割速度、 ______ 、电极丝损耗量和 ______ 。13. 用数控车床加工一个外圆,其尺寸为 φ200+0.1,为了更好地保证其精度,其编程尺寸为 ______ 。14. 数控电火花线切割粗加工时取 ______ 的脉冲宽度,精加工时取 ______ 的脉冲宽度,切割厚大工件时取 ______ 的脉冲宽度。15. 铣削平面轮廓曲线工件时,铣刀半径应 ______ 工件轮廓的最小凹圆半径。16. 在数控铣床中,可用 ______ 或 ______ 设定加工坐标系。二、问答题(本大题共 32 分,共 8 小题,每小题 4 分)1. 绝对坐标值和增量坐标值之间的区别是什么?2. G71、G72、G73 指令的应用场合有何不同?3. 粗基准的选择原则是什么?4. 数控电火花线切割加工特点?5. 选择切削用量的原则是什么?粗、精加工切削用量的选择原则是什么?6. 断丝原因分析及解决方法。7. 模态 G 代码和非模态 G 有何区别?试举例说明。8. 什么是可变程序段格式?试举例说明。三、程序设计题(本大题共 52 分,共 4 小题,每小题 13 分)1. 用 FANUC-Oi 系统指令编写下图所示零件的数控车削程序。毛坯:Φ52×120棒料,材料:45 钢,刀具材料:普通硬质合金,T01 为粗车刀、T02 为精车刀、T03 为 4 毫米宽切槽刀。注意:粗加工吃刀深度选择应合理。2. 按下图...

1、当您付费下载文档后,您只拥有了使用权限,并不意味着购买了版权,文档只能用于自身使用,不得用于其他商业用途(如 [转卖]进行直接盈利或[编辑后售卖]进行间接盈利)。
2、本站所有内容均由合作方或网友上传,本站不对文档的完整性、权威性及其观点立场正确性做任何保证或承诺!文档内容仅供研究参考,付费前请自行鉴别。
3、如文档内容存在违规,或者侵犯商业秘密、侵犯著作权等,请点击“违规举报”。

碎片内容

2013年9月份考试数控加工工艺与编程第三次作业

您可能关注的文档

确认删除?
VIP
微信客服
  • 扫码咨询
会员Q群
  • 会员专属群点击这里加入QQ群
客服邮箱
回到顶部