电脑桌面
添加小米粒文库到电脑桌面
安装后可以在桌面快捷访问

3.施工机具及配件检查维修保养记录表

3.施工机具及配件检查维修保养记录表_第1页
1/15
3.施工机具及配件检查维修保养记录表_第2页
2/15
3.施工机具及配件检查维修保养记录表_第3页
3/15
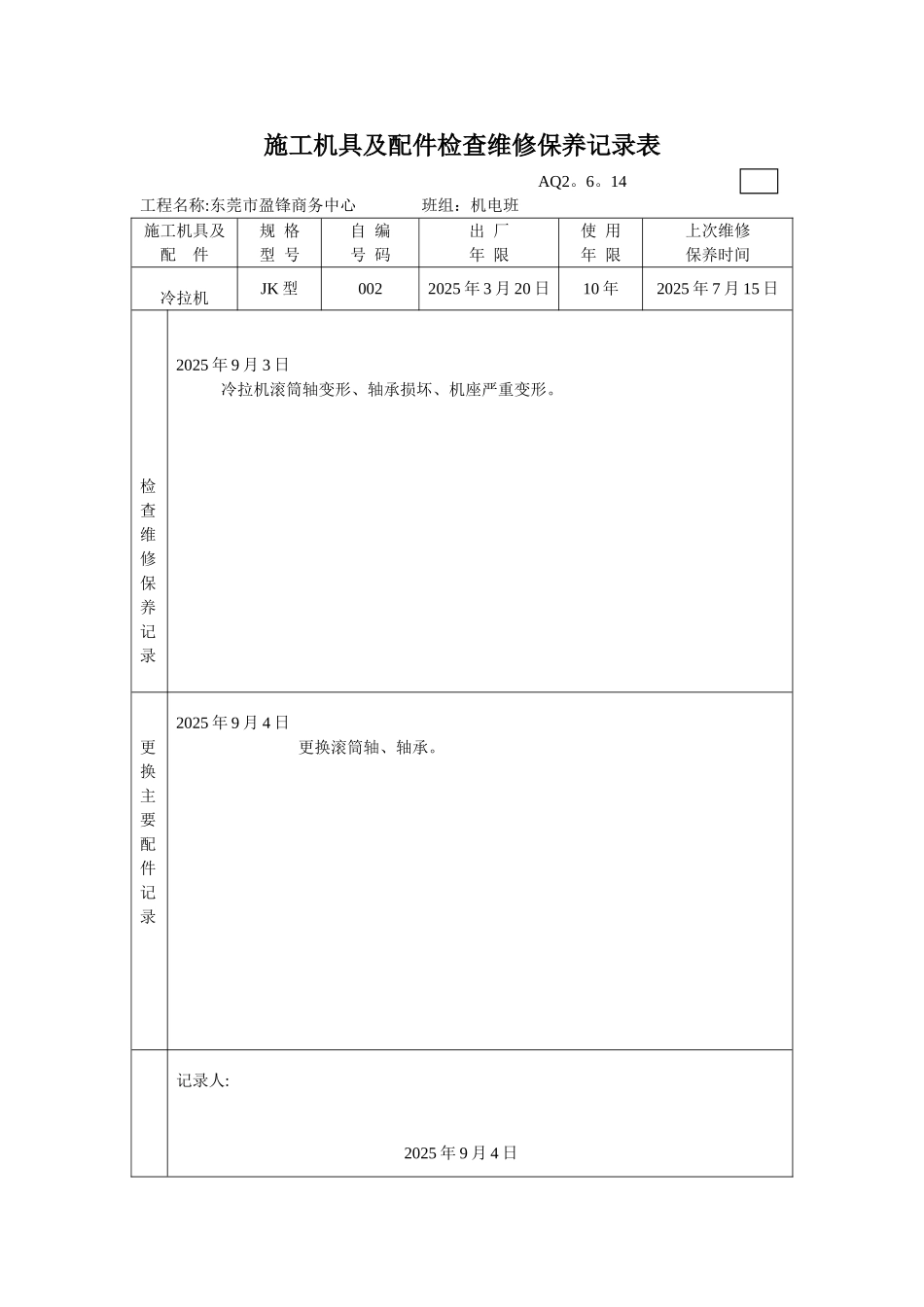
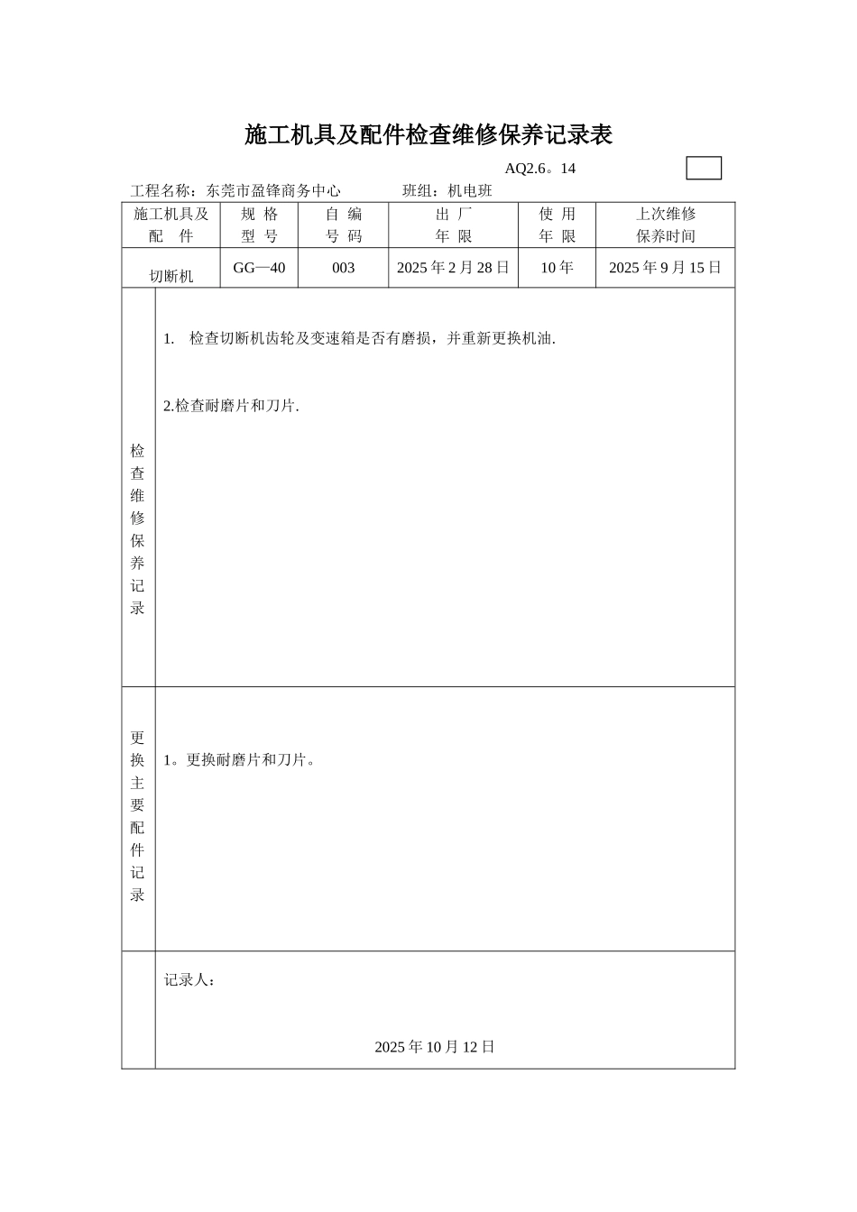
施工机具及配件检查维修保养记录表 AQ2.6。14工程名称:湖景·壹号庄园 班组:机电班施工机具及配 件规格型号自 编号 码出 厂 年 限使 用年 限上次维修保养时间检查维修保养记录更换主要配件记录记录人: 年 月 日1施工机具及配件检查维修保养记录表 AQ2。6。14工程名称:东莞市盈锋商务中心 班组:机电班施工机具及配 件规 格型 号自 编号 码出 厂年 限使 用年 限上次维修保养时间冷拉机JK 型0022025 年 3 月 20 日10 年2025 年 7 月 15 日检查维修保养记录2025 年 9 月 3 日 冷拉机滚筒轴变形、轴承损坏、机座严重变形。更换主要配件记录2025 年 9 月 4 日更换滚筒轴、轴承。记录人: 2025 年 9 月 4 日施工机具及配件检查维修保养记录表 AQ2.6。14工程名称:东莞市盈锋商务中心 班组:机电班施工机具及配 件规 格型 号自 编号 码出 厂年 限使 用年 限上次维修保养时间切断机GG—400032025 年 2 月 28 日10 年2025 年 9 月 15 日检查维修保养记录1.检查切断机齿轮及变速箱是否有磨损,并重新更换机油.2.检查耐磨片和刀片.更换主要配件记录1。更换耐磨片和刀片。记录人: 2025 年 10 月 12 日施工机具及配件检查维修保养记录表 AQ2。6.14工程名称:东莞市盈锋商务中心 班组:机电班施工机具及配 件规 格型 号自 编号 码出 厂年 限使 用年 限上次维修保养时间弯曲机GJ—40004、0052025 年 4 月 28 日10 年2025 年 8 月 23 日检查维修保养记录1、检查液压弯曲机液压油、液压管、齿轮及自动控制器;2、检查弯曲机三角带、桩头、挡板;3、检查弯曲机接触器、控制按扭是否灵敏.更换主要配件记录1。更换耐磨片和刀片。记录人: 2025 年 10 月 12 日施工机具及配件检查维修保养记录表 AQ2.6。14工程名称:东莞市盈锋商务中心 班组:机电班施工机具及配 件规 格型 号自 编号 码出 厂年 限使 用年 限上次维修保养时间搅拌机JZC—350 型0012025 年 4 月5 年2025 年 9 月 10 日检查维修保养记录1、 保养搅拌机、清理沙浆、打润滑油2、 重新安装搅拌机机座更换主要配件记录1。更换水泵及止水阀。2、 更换钢丝绳记录人: 2025 年 9 月 15 日施工机具及配件检查维修保养记录表 AQ2。6.14工程名称:东莞市盈锋商务中心 班组:机电班施工机具及配 件规 格型 号自 编号 码出 厂年 限使 用年 限上次维修保养时间...

1、当您付费下载文档后,您只拥有了使用权限,并不意味着购买了版权,文档只能用于自身使用,不得用于其他商业用途(如 [转卖]进行直接盈利或[编辑后售卖]进行间接盈利)。
2、本站所有内容均由合作方或网友上传,本站不对文档的完整性、权威性及其观点立场正确性做任何保证或承诺!文档内容仅供研究参考,付费前请自行鉴别。
3、如文档内容存在违规,或者侵犯商业秘密、侵犯著作权等,请点击“违规举报”。

碎片内容

3.施工机具及配件检查维修保养记录表

您可能关注的文档

确认删除?
VIP
微信客服
  • 扫码咨询
会员Q群
  • 会员专属群点击这里加入QQ群
客服邮箱
回到顶部