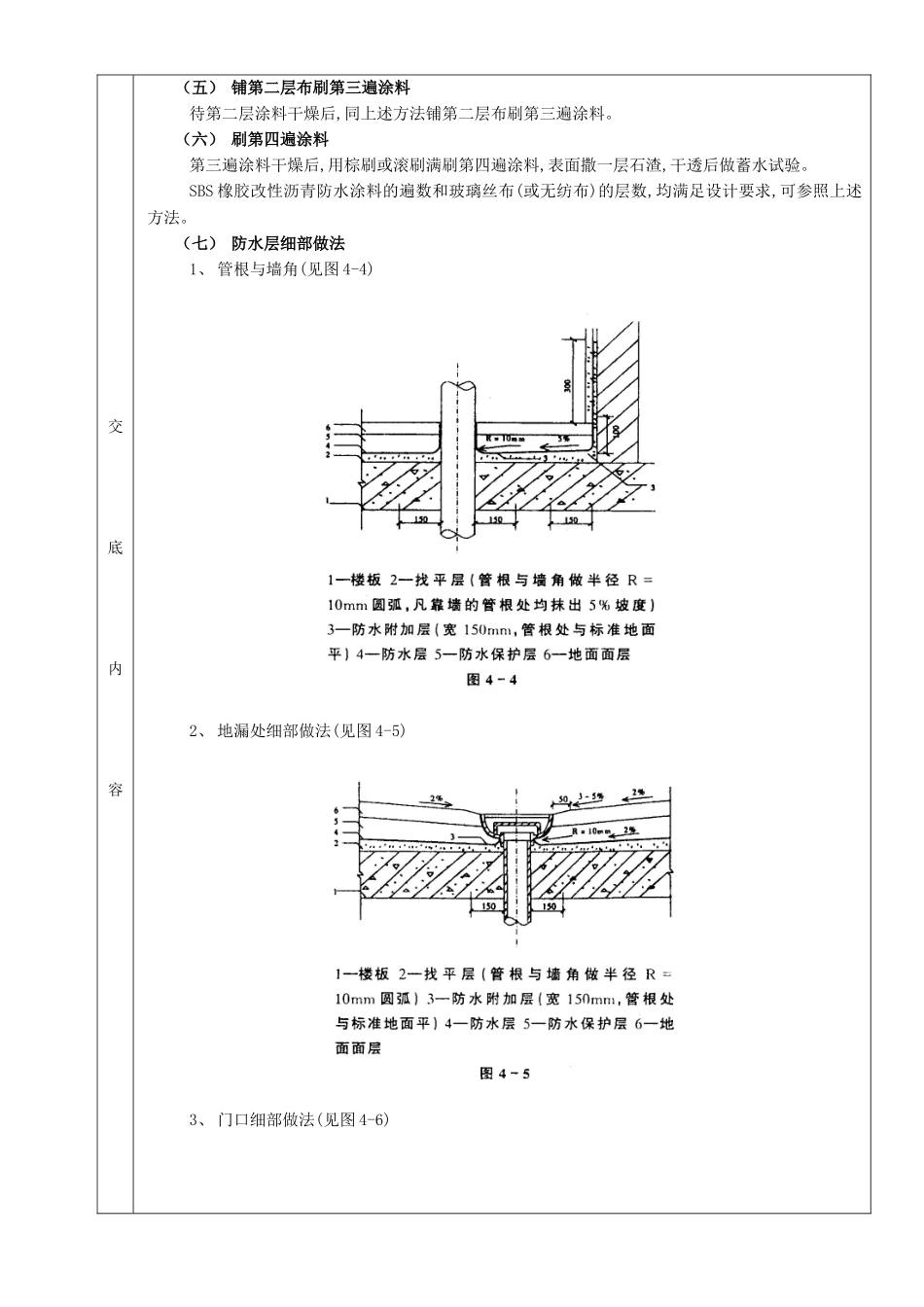
电脑桌面
添加小米粒文库到电脑桌面
安装后可以在桌面快捷访问

厕浴间防水工程-厕浴间SBS橡胶改性沥青防水

厕浴间防水工程-厕浴间SBS橡胶改性沥青防水_第1页
1/6
厕浴间防水工程-厕浴间SBS橡胶改性沥青防水_第2页
2/6
厕浴间防水工程-厕浴间SBS橡胶改性沥青防水_第3页
3/6
厕浴间防水——厕浴间氯丁胶乳沥青防水 分项工程质量技术交底卡GD2301003 施工单位工程名称分部工程交底部位日 期 年 月 日交底内容一、施工准备(一) 作业条件1、 厕浴间楼地面垫层巳做完,穿过厕浴闻地面及楼面的所有立管、套管已做完,并己固定牢固,经过验收。管周围缝隙用 1:2:4 细石混凝土填塞密实(楼板底需吊模板)。2、 厕浴间楼地面找平层已做完,标高符合要求,表面应抹平压光、坚实、平整,无空鼓、裂缝、起砂等缺陷,含水率不大于 9%。3、 找平层的泛水坡度应在 2%(即 1:50)以上,不得局部积水,与墙交接处及转角处、管根部位,均要抹成半径为 10mm 的均匀一致、平整光滑的小圆角,要用专用抹子。凡是靠墙的管根处均要抹出 5%(1:20)坡度,避开此处积水。4、 涂刷防水层的基层表面,应将尘土、杂物清扫洁净,表面残留灰浆硬块及高出部分应刮平,扫净。对管根周围不宜清扫的部位,应用毛刷将灰尘等清除,如有坑洼不平处或阴阳角未抹成圆弧处,可用众霸胶:水泥:砂=1:1.5:2.5 砂浆修补。5、 基层做防水涂料之前.在突出地面和墙面的管根、地漏、排水口、阴阳角等易发生渗漏的部位,应做附加层。6、 厕浴问墙面按设计要求及施工规定(四周至少上卷 300mm)做防水的部位,墙面基层抹灰要压光,要求平整,无空鼓、裂缝、起砂等缺陷。穿过防水层的管道及固定卡具应提前安装,并在距管 50mm 范围内凹进表层 5mm,管根做成半径为 10mm 的圆弧。7、 根据墙上的+0.5m 水平控制线,弹单出墙面防水高度线,标出立管与标准地面的交界线,涂料涂刷时要与此线平。8、 厕浴间做防水之前必须设置足够的照明设备(安全低压灯等)和通风设备。9、 防水材料一般为易燃有毒物品,储存、保管和使用要远离火源,施工现场要备有足够的灭火器等消防器材,施工人员要着工作服,穿软底鞋,并设专业工长监管。10、 环境温度保持在+5℃以上。11、 操作人员应经过专业培训考核合格后,持证上岗。先做样板间,经检查验收合格后,方可全面施工。(二) 材料要求1、 主体材料SBS 橡胶改性沥青防水材料是以沥青、橡胶、合成树酯为主要原料制成的水乳型弹性沥青防水涂料。SBS 橡胶改性沥青防水材料质量要求:SBS 橡胶改性沥青防水涂料在使用前,必须经复试合格后方可使用(现场见证取样),其技术性能应符合以下要求:外观:黑色粘稠液体粘结强度:≥0.3Mpa交底内容柔度:在-20℃±2℃,2h 绕中 ф3mm 金属棒半周,涂膜无裂纹剥落现象。2、 主要辅助材料:玻璃丝布(幅宽 9Ocm,14...

1、当您付费下载文档后,您只拥有了使用权限,并不意味着购买了版权,文档只能用于自身使用,不得用于其他商业用途(如 [转卖]进行直接盈利或[编辑后售卖]进行间接盈利)。
2、本站所有内容均由合作方或网友上传,本站不对文档的完整性、权威性及其观点立场正确性做任何保证或承诺!文档内容仅供研究参考,付费前请自行鉴别。
3、如文档内容存在违规,或者侵犯商业秘密、侵犯著作权等,请点击“违规举报”。

碎片内容

厕浴间防水工程-厕浴间SBS橡胶改性沥青防水

您可能关注的文档

确认删除?
VIP
微信客服
  • 扫码咨询
会员Q群
  • 会员专属群点击这里加入QQ群
客服邮箱
回到顶部