电脑桌面
添加小米粒文库到电脑桌面
安装后可以在桌面快捷访问

噪声监测报告模板

噪声监测报告模板_第1页
1/6
噪声监测报告模板_第2页
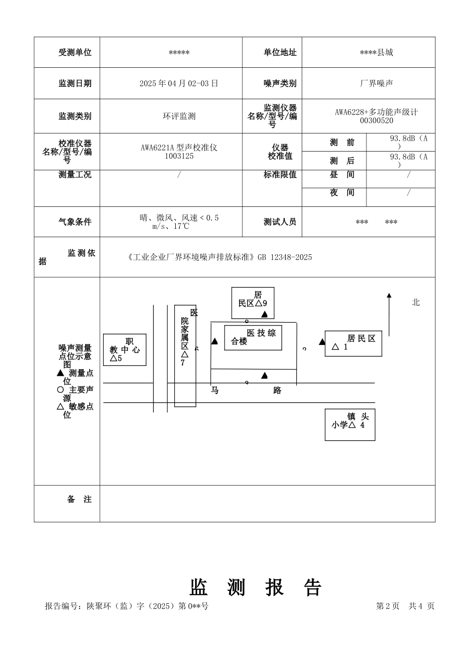
2/6
噪声监测报告模板_第3页
3/6
监 测 报 告 陕聚环(监)字(2025)第 0**号 项目名称: ********************* 建设项目环评监测 委托单位: **************** 有限公司 被测单位: ************ 报告日期: 二零 一 七 年 四 月 十三日 ******环保科技有限公司说 明1、本报告可用于******环保科技有限公司出示水和废水(包括大气降水)、废气和环境空气、噪声等项目的监测分析结果。2、报告无检测单位盖章,无骑缝章,无科室负责人、审核人、签发人签字无效。3、送样委托检测,应书面说明样品来源,监测单位仅对委托样品负责。4、如被测单位对报告数据有异议,应于收到报告之日起十五日内(若邮寄可依邮戳为准),向出具报告单位提出书面要求,陈述有关疑点及申诉理由。逾期视为认可监测结果。但对于一些不可重复的监测项目,我公司一概不受理。5、报告未经我公司书面批准,不得复制(完整复制除外)。电话:(0917)******传真:(0917)******邮编:721000地址:****************监 测 报 告 报告编号:陕聚环(监)字(2025)第 0**号 第 1 页 共 4 页监 测 报 告报告编号:陕聚环(监)字(2025)第 0**号 第 2 页 共 4 页受测单位*****单位地址****县城监测日期2025 年 04 月 02-03 日噪声类别厂界噪声监测类别环评监测监测仪器名称/型号/编号AWA6228+多功能声级计00300520校准仪器名称/型号/编号AWA6221A 型声校准仪1003125仪器校准值测 前93.8dB(A)测 后93.8dB(A)测量工况/标准限值昼 间/夜 间/气象条件晴、微风、风速﹤0.5 m/s、17℃测试人员*** *** 监 测 依据 《工业企业厂界环境噪声排放标准》GB 12348-2025 噪声测量点位示意图▲ 测量点位○ 主要声源△ 敏感点位 备 注 ▲8北▲3▲2▲6职教 中 心△5居 民 区△ 1镇 头小学△ 4居民区△9医院家属区△7马 路医 技 综合楼 监 测 报 告报告编号:陕聚环(监)字(2025)第 0**号 第 3 页 共 4 页样品名称***************建设项目地表水环境质量现状监测监测目的环评监测编号监 测日 期测点位置声 源 昼 间夜 间时 间Leqd时 间Leqd104 月 02 日东侧居民区/09:5848.722:2842.22东边界10:0249.622:3243.33南边界10:0656.622:3542.74镇头小学10:1051.622:4040.65职教中心10:1649.322:4440.36西边界10:2045.022:4841.57家属区10:2446.322:5139.78北边界10:2848.122:5540.39北侧居民区10:3246.423:0041.4104 月 ...

1、当您付费下载文档后,您只拥有了使用权限,并不意味着购买了版权,文档只能用于自身使用,不得用于其他商业用途(如 [转卖]进行直接盈利或[编辑后售卖]进行间接盈利)。
2、本站所有内容均由合作方或网友上传,本站不对文档的完整性、权威性及其观点立场正确性做任何保证或承诺!文档内容仅供研究参考,付费前请自行鉴别。
3、如文档内容存在违规,或者侵犯商业秘密、侵犯著作权等,请点击“违规举报”。

碎片内容

噪声监测报告模板

您可能关注的文档

确认删除?
VIP
微信客服
  • 扫码咨询
会员Q群
  • 会员专属群点击这里加入QQ群
客服邮箱
回到顶部