电脑桌面
添加小米粒文库到电脑桌面
安装后可以在桌面快捷访问

塔吊方案下沙世茂

塔吊方案下沙世茂_第1页
1/17
塔吊方案下沙世茂_第2页
2/17
塔吊方案下沙世茂_第3页
3/17
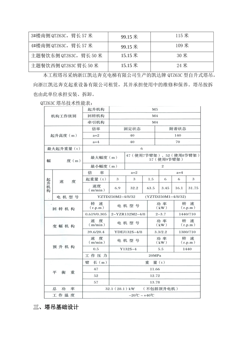
目 录一、工程概况…………………………………………………………2二、塔吊的选择………………………………………………………2三、塔吊基础设计……………………………………………………3四、塔吊附墙情况……………………………………………………12五、安装前准备工作…………………………………………………12六、塔吊安拆施工……………………………………………………13七、塔吊搭设完验收…………………………………………………13八、塔吊总包管理方案………………………………………………13九、群塔管理方案……………………………………………………16附图:附图一、塔吊平面布置图 附图二、塔吊基础定位图 附图三、塔吊承台及桩位图、剖面图附图四、塔吊基础施工图附件:浙江凯达奔克起重设备有限公司编制的《塔吊安拆施工方案》塔吊基础及塔吊总包管理方案一、工程概况工程名称:杭政储出[2025]68 号地块商业、金融用房 1 标段 工程地点:杭州市下沙经济技术开发区 14 号路南侧、23 号路东侧地块 建设单位: 杭州世茂世纪置业有限公司 施工单位: 浙江省建工集团有限责任公司 监理单位:浙江荣阳工程监理有限公司杭政储出[2025]68 号地块商业金融用房 1 标段由北部 3#、4#楼两栋高层办公楼(建筑面积 67452㎡)、整体地下车库(建筑面积 20723㎡)、北部 3#、4#楼一层商铺及主题餐饮(建筑面积 9800㎡)组成,总计 97975㎡。高层办公楼为框架剪力墙结构、其余为钢筋混凝土框架结构,3#、4#高层办公楼桩基采纳钻孔灌注桩,中间地下车库采纳预应力管桩。各建筑单体主要技术参数如下表:单体建筑面积(㎡)层数层高(m)建筑高度(m)办公楼 C~D 座67452(含地下室 5752)-2/30-2~-1 F =3.601F=4.952~30F=3.0099.151 层商铺、3 层主题餐饮9800-1/31F=4.952~3F=4.815.15整体地下车库20723-1//二、塔吊的选择根据本工程各单体的平面布置,并考虑塔吊基础对结构的影响和拆装的便利,以及钢筋、木工加工车间的布置和工程进度的需要,拟计划布置 4 台塔吊,其中布置在 3#楼南侧的型号为 QTZ63C,臂长为 57 米;4#楼南侧的型号为 QTZ63C,臂长为57 米;布置在主题餐饮东侧的为 QTZ63C,臂长为 50 米,布置在主题餐饮西侧的为QTZ63C,臂长为 50 米。塔吊布置具体位置及基础设计详见塔吊平面布置图和基础详图。塔吊安装高度如下表:塔吊名称建筑物高度塔吊安装高度3#楼南侧 QTZ63C,臂长 57 米99.15 ...

1、当您付费下载文档后,您只拥有了使用权限,并不意味着购买了版权,文档只能用于自身使用,不得用于其他商业用途(如 [转卖]进行直接盈利或[编辑后售卖]进行间接盈利)。
2、本站所有内容均由合作方或网友上传,本站不对文档的完整性、权威性及其观点立场正确性做任何保证或承诺!文档内容仅供研究参考,付费前请自行鉴别。
3、如文档内容存在违规,或者侵犯商业秘密、侵犯著作权等,请点击“违规举报”。

碎片内容

塔吊方案下沙世茂

确认删除?
VIP
微信客服
  • 扫码咨询
会员Q群
  • 会员专属群点击这里加入QQ群
客服邮箱
回到顶部